×
Buy Suzuki SP Parts Online
home
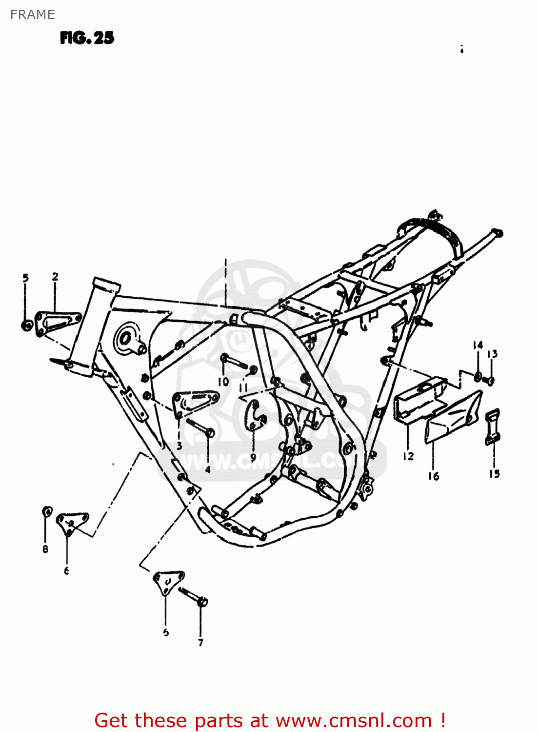
FRAME
SP400 1980 (T) USA (E03)
Frame diagram SP400 1980 (T) USA (E03)
FRAME SP400 1980 (T) USA (E03)
×
prices are in EUR
ref
part #
description
quantity
1
4110032402019
ref: 1
FRAME
€ 0.00
2
4191037100
ref: 2
PLATE COMP,ENGINE MOUNTING
€ 0.00
3
4199232401
ref: 3
PLATE,ENGINE MOUNTING
€ 0.00
4
0151706708
ref: 4
01550-06707
BOLT (6X70)
€ 3.50
5
0831931068
ref: 5
08319-31067
NUT
€ 2.50
6
4199332400
ref: 6
PLATE,ENGINE MOUNTING
€ 6.50
7
0151708708
ref: 7
01550-08707
BOLT (8X70)
€ 2.50
8
0831931088
ref: 8
08319-3108A
NUT
€ 3.00
9
4199032400
ref: 9
PLATE,ENGINE MOUNTING
€ 0.00
10
0110708608
ref: 10
01500-0860B
BOLT
€ 2.50
11
0832121088
ref: 11
08321-01087
LOCK WASHER
€ 2.50
12
4155032400
ref: 12
HOLDER,TOOL
€ 0.00
13
0211206108
ref: 13
02112-06107
SCREW
€ 1.50
14
0832211068
ref: 14
08322-0106B
WASHER 6MM
€ 2.50
15
0946200017
ref: 15
BAND
€ 13.50
16
0980000185
ref: 16
09800-21028
TOOL SET
€ 24.00
up
all assemblies
AIR CLEANER
BATTERY
CAM CHAIN
CAM SHAFT - VALVE
CARBURETOR
CLUTCH
CRANKCASE
CRANKCASE COVER
CRANKSHAFT
CYLINDER
CYLINDER HEAD
ELECTRICAL
FOOTREST
FRAME
FRONT FENDER
FRONT FORK
FRONT WHEEL
FUEL TANK
GEAR SHIFTING
HANDLEBAR
HEADLAMP
KICK STARTER
LEFT HANDLE SWITCH
MAGNETO
MUFFLER
OIL PUMP
REAR COMBINATION LAMP
REAR FENDER
REAR SWINGING ARM
REAR WHEEL
RIGHT HANDLE SWITCH
SEAT - FRAME COVER
SECOND MUFFLER
SPEEDOMETER - TACHOMETER
STAND
STEERING STEM
TRANSMISSION
TURN SIGNAL LAMP
WIRING HARNESS
up