×
Buy Suzuki TS Parts Online
home
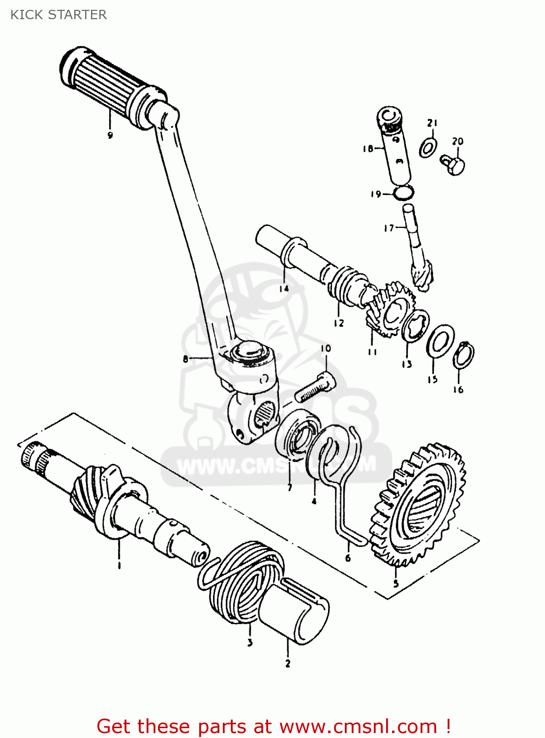
KICK STARTER
TS50ERKD 1982 (Z) (E17 E18 E21 E41)
Kick starter diagram TS50ERKD 1982 (Z) (E17 E18 E21 E41)
KICK STARTER TS50ERKD 1982 (Z) (E17 E18 E21 E41)
×
prices are in EUR
ref
part #
description
quantity
1
2621046001
ref: 1
SHAFT,KICK STARTER
€ 52.50
2
2622146000
ref: 2
GUIDE,KICK STARTER SFT SPRING
€ 5.50
3
0944840001
ref: 3
SPRING
€ 5.50
4
0916014005
ref: 4
WASHER
€ 4.50
5
2624146000
ref: 5
GEAR,KICK STARTER DRIVE(NT:30)
€ 42.50
6
0938428001
ref: 6
RETAINER,SNAP
€ 2.50
7
0928514001
ref: 7
SEAL,OIL(14X24X6)
€ 9.50
8
2630046401
ref: 8
LEVER ASSEMBLY,KICK STARTER
€ 69.50
9
2635201000
ref: 9
RUBBER,KICK STARTER PEDAL
€ 4.00
10
0110706208
ref: 10
BOLT
€ 2.50
11
2642146100
ref: 11
GEAR, TACHOMETER DRIVE NO.2
€ 28.00
12
2642346100
ref: 12
GEAR,TACH DRIVE NO.2(NT:3)
€ 19.50
13
2642446100
ref: 13
RETAINER,TACH DRIVEN GEAR NO1
€ 5.50
14
2642222701
ref: 14
SHAFT,TACHOMETER DRIVEN GEAR
€ 14.00
15
0821110201
ref: 15
WASHER,THRUST
€ 2.00
16
0833131109
ref: 16
CIRCLIP
€ 2.00
17
2643146100
ref: 17
GEAR,TACHOMETER DRIVEN(NT:12)
€ 16.50
18
2644146100
ref: 18
SLEEVE
€ 19.00
19
0928010001
ref: 19
O RING(D:1.3,ID:9.6)
€ 2.50
20
0913506002
ref: 20
BOLT
€ 3.00
21
0916806004
ref: 21
GASKET(6.2X11X1).2 (NAS)
€ 2.00
up
all assemblies
* COLOR CHART *
* CATALOG PREFACE *
* CONVERSION CHART *
CYLINDER
CRANKCASE
CRANKCASE COVER
PISTON-CRANKSHAFT
CARBURETOR
AIR CLEANER
MUFFLER
OIL PUMP
CLUTCH
TRANSMISSION
GEAR SHIFTING
KICK STARTER
MAGNETO
BATTERY
ELECTRICAL
SPEEDOMETER-TACHOMETER
PILOT BOX
HEADLAMP
TURN SIGNAL LAMP
REAR COMBINATION LAMP
WIRING HARNESS
FRAME
STAND-REAR BRAKE
FUEL TANK (MODEL Z)
FUEL TANK (MODEL D)
FUEL COCK
OIL TANK
SEAT (MODEL Z)
SEAT (MODEL D)
FRAME COVER (MODEL Z)
FRAME COVER (MODEL D)
FRONT FORK
HEAD LAMP HOUSING
FRONT FENDER
FRONT WHEEL
HANDLEBAR - CONTROL CABLE
RIGHT HANDLE SWITCH
LEFT HANDLE SWITCH
REAR SWINGING ARM
CHAIN CASE
REAR FENDER
REAR WHEEL
OPTIONAL
up