×
Buy Suzuki TS Parts Online
home
TS50ERPD 1979 (N)
* COLOR CHART *
0 products
* CATALOG PREFACE *
0 products
* CONVERSION CHART *
0 products
CYLINDER
12 products
CRANKCASE
12 products
CRANKCASE COVER
19 products
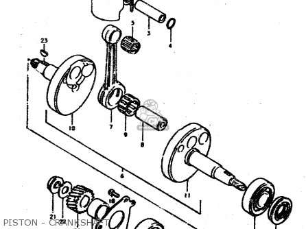
PISTON - CRANKSHAFT
27 products
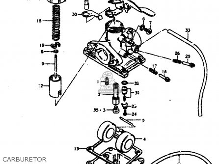
CARBURETOR
35 products
AIR CLEANER
15 products
MUFFLER
22 products
OIL PUMP
20 products
CLUTCH
24 products
TRANSMISSION
31 products
GEAR SHIFTING
39 products
CYCLE SPROCKET
16 products
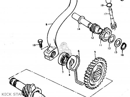
KICK STARTER
21 products
FLYWHEEL MAGNETO
27 products
SPEEDOMETER - TACHOMETER
16 products
PILOT BOX
6 products
HEADLAMP
29 products
TURN SIGNAL LAMP
11 products
REAR COMBINATION LAMP
31 products
ELECTRICAL (1)
16 products
ELECTRICAL (2)
16 products
FRAME
9 products
BRAKE PEDAL
12 products
FUEL TANK
26 products
FUEL COCK
9 products
OIL TANK
7 products
SEAT
14 products
FRAME COVER
28 products
FRONT FORK
35 products
FRONT FENDER
8 products
FRONT WHEEL
34 products
HANDLEBAR - CONTROL CABLE
25 products
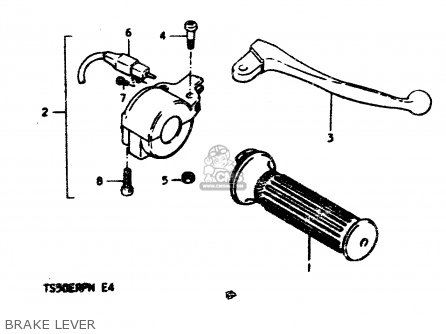
BRAKE LEVER
8 products
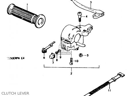
CLUTCH LEVER
11 products
REAR SWINGING ARM
31 products
REAR FENDER
16 products
REAR WHEEL
32 products
PEDAL CRANK
25 products
OPTIONAL
31 products
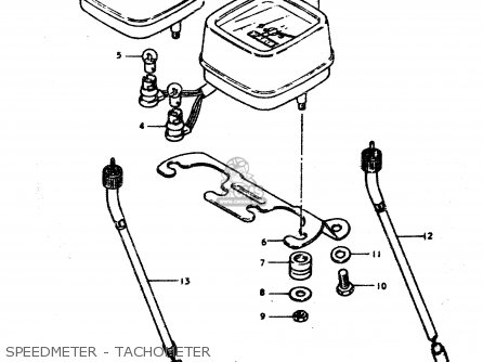
SPEEDMETER - TACHOMETER
13 products
SEAT - METER CABLE GUIDE
12 products
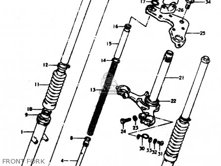
FRONT FORK
46 products
FRONT WHEEL
16 products
REAR WHEEL
8 products
up
popular products
3491048120
CABLE, SPEEDOMETER
Suzuki
2123125040
DAMPER,PRIMARY DRIVEN GEAR
Suzuki
3491026520
CABLE ASSY, SPEEDOMETER
Suzuki
6612322600
SPACER
Suzuki