×
Buy Suzuki VS Parts Online
home
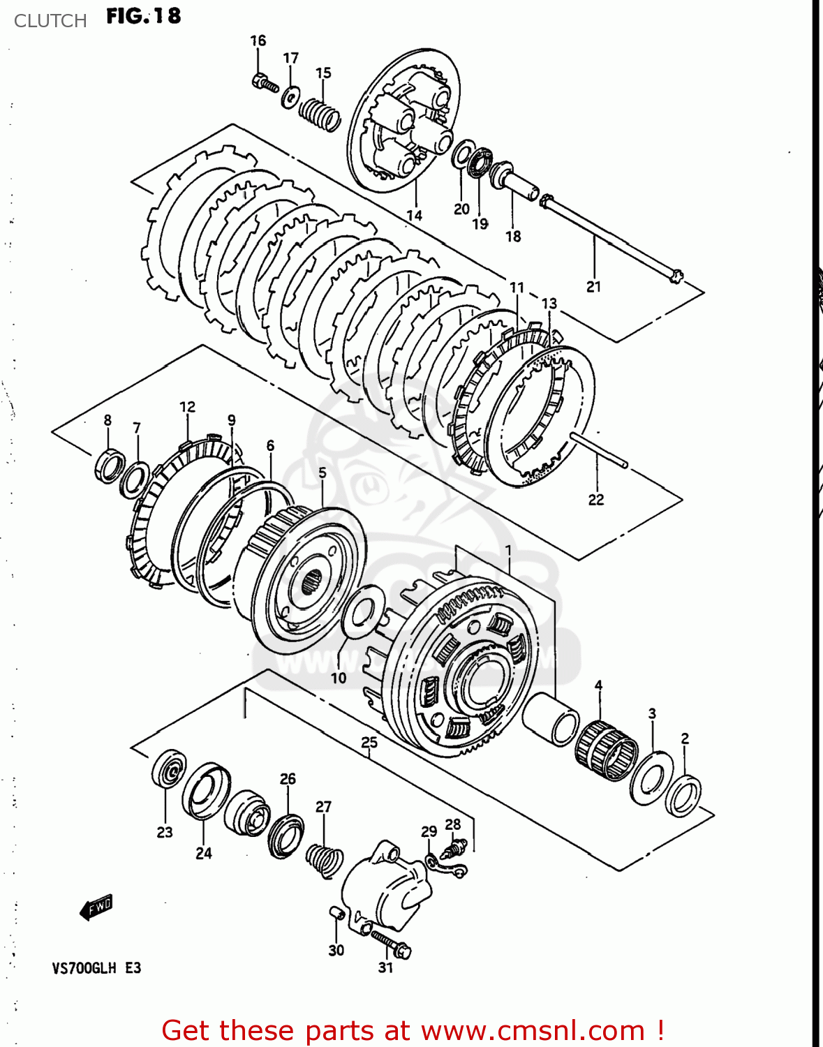
CLUTCH
VS700GLEP INTRUDER 1986 (G) USA (E03)
Clutch diagram VS700GLEP INTRUDER 1986 (G) USA (E03)
CLUTCH VS700GLEP INTRUDER 1986 (G) USA (E03)
×
prices are in EUR
ref
part #
description
quantity
1-1
2120038810
ref: 1-1
21200-38812
GEAR ASSEMBLY,PRIMARY DRIVE
€ 341.00
1-2
2120038811
ref: 1-2
21200-38812
GEAR ASSEMBLY,PRIMARY DRIVE
€ 341.00
2
0918025077
ref: 2
SPACER(25X38X6.5)
€ 7.50
3
0916025055
ref: 3
WASHER(25X50X2.5)
€ 10.50
4
0926335017
ref: 4
BEARING(35X40X35.8)
€ 41.50
5
2141038A00
ref: 5
21410-41F00
HUB COMP,CLUTCH SLEEVE
€ 101.50
6
2147137400
ref: 6
SEAT,WAVE WASHER(T:1.4)
€ 9.00
7
0916422006
ref: 7
09164-22007
WASHER
€ 6.00
8
0914022008
ref: 8
NUT
€ 5.50
9
0916400004
ref: 9
WASHER
€ 10.00
10
0916025055
ref: 10
WASHER(25X50X2.5)
€ 10.50
11
2144137400
ref: 11
PLATE,CLUTCH DRIVE (NAS)
€ 20.50
12
2144237400
ref: 12
21442-37401
PLATE,CLUTCH DRIVE
€ 11.50
13
2145114A00
ref: 13
PLATE,CLUTCH DRIVEN(T:1.6) (NAS)
€ 6.50
14
2146238200
ref: 14
21462-27A00
DISC,CLUTCH PRESSURE
€ 40.50
15
0944020013
ref: 15
SPRING
€ 5.50
16
0110706166
ref: 16
01500-0616A
BOLT
€ 2.00
17
0916006020
ref: 17
09160-06066
WASHER
€ 2.00
18
2312107A00
ref: 18
23121-31E00
PIECE,CLUTCH PUSH
€ 20.00
19
0926315003
ref: 19
BEARING(15X28X2)
€ 7.50
20
0916015015
ref: 20
09160-15045
WASHER
€ 4.50
21
2311027A00
ref: 21
ROD,CLUTCH
€ 18.50
22
2311138A00
ref: 22
ROD,CLUTCH PUSH,L
€ 10.50
23
0928506017
ref: 23
SEAL,OIL(6X34X11)
€ 12.50
24
2311738A00
ref: 24
RETAINER,CL PUSH ROD OIL SEAL
€ 7.00
25
2316038A00
ref: 25
CYLINDER,CLUTCH RELEASE
€ 133.50
26
2316305A00
ref: 26
CUP,CLUTCH CYLINDER
€ 8.50
27
2316405A00
ref: 27
SPRING,CLUTCH CYLINDER
€ 4.00
28
5912101A00
ref: 28
BLEEDER
€ 9.00
29
5912201A00
ref: 29
CAP,BLEEDER
€ 5.00
30
0421109129
ref: 30
PIN
€ 2.00
31
0151706306
ref: 31
01550-0630A
BOLT
€ 2.50
up
all assemblies
AIR CLEANER (FRONT)
AIR CLEANER (REAR)
BATTERY (MODEL G F.NO.111194~
BATTERY (MODEL G ~F.NO.111193)
CAM CHAIN
CAMSHAFT - VALVE
CANISTER (FOR CALIFORNIA)
CARBURETOR (FRONT)
CARBURETOR (REAR)
CLUTCH
CLUTCH HOSE
CLUTCH MASTER CYLINDER (VS700GLFG/GLEFG/GLFH/GLEFH)
CLUTCH MASTER CYLINDER (VS700GLPG/GLEPG/GLPH/GLEPH)
CRANKCASE
CRANKCASE COVER
CRANKSHAFT
CYLINDER
CYLINDER HEAD (FRONT)
CYLINDER HEAD (REAR)
ELECTRICAL
FOOTREST (MODEL G)
FOOTREST (MODEL H)
FRAME
FRAME COVER
FRONT BRAKE HOSE
FRONT CALIPER
FRONT FORK (MODEL G)
FRONT FORK (MODEL H)
FRONT MASTER CYLINDER (VS700GLFG/GLEFG/GLFH/GLEFH)
FRONT MASTER CYLINDER (VS700GLPG/GLEPG/GLPH/GLEPH)
FRONT WHEEL (VS700GLEFG/GLEPG)
FRONT WHEEL (VS700GLEFH/GLEPH)
FRONT WHEEL (VS700GLFG/GLPG)
FRONT WHEEL (VS700GLFH/GLPH)
FUEL COCK
FUEL TANK
GEAR SHIFTING
HANDLE SWITCH
HANDLEBAR - CONTROL CABLE (VS700GLFG/GLEFG/GLFH/GLEFH)
HANDLEBAR - CONTROL CABLE (VS700GLPG/GLEPG/GLPH/GLEPH)
HEADLAMP
HEADLAMP HOUSING - FRONT FENDER
MAGNETO
MUFFLER
OIL PUMP - FUEL PUMP
PILLION RIDER HANDLE
PROP STAND - REAR BRAKE (VS700GLFG/GLPG ~F.NO.115898)
PROPELLER SHAFT - FINAL DRIVE GEAR
RADIATOR
REAR COMBINATION LAMP
REAR FENDER
REAR SWINGING ARM (MODEL H)
REAR SWINGING ARM (VS700GLFG/GLPG ~F.NO.115898)
REAR WHEEL (VS700GLEFG/GLEPG)
REAR WHEEL (VS700GLEFH/GLEPH)
REAR WHEEL (VS700GLFG/GLPG)
REAR WHEEL (VS700GLFH/GLPH)
SEAT
SECONDARY DRIVE GEAR (MODEL G)
SECONDARY DRIVE GEAR (MODEL H)
SPEEDOMETER
STARTER CLUTCH
STARTING MOTOR
STEERING STEM (MODEL G)
STEERING STEM (MODEL H)
TRANSMISSION
TURN SIGNAL LAMP
VS700GLFG/GLPG F.NO.115899~
WATER PUMP
WIRING HARNESS
up