×
Buy Suzuki DR Parts Online
home
DR600R 1988 (J) (E02 E04 E06 E15 E16 E17 E18 E22 E24 E25 E34 E53
* COLOR CHART *
0 products
* CATALOG PREFACE *
0 products
* CATALOG PREFACE *
0 products
* CONVERSION CHART *
0 products
CYLINDER HEAD
45 products
CYLINDER
8 products
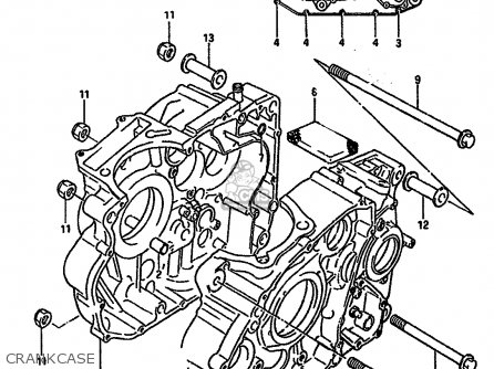
CRANKCASE
14 products
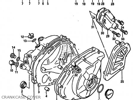
CRANKCASE COVER
40 products
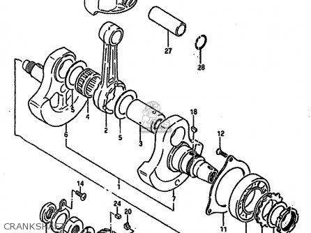
CRANKSHAFT
32 products
CRANK BALANCER
8 products
BALANCER CHAIN
14 products
CAM SHAFT-VALVE
35 products
CAM CHAIN
12 products
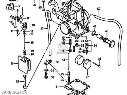
CARBURETOR
59 products
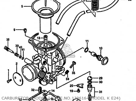
CARBURETOR (MODEL J E24 E.NO.139616~/MODEL K E24)
47 products
AIR CLEANER
19 products
MUFFLER (MODEL K)
28 products
OIL PUMP
22 products
OIL COOLER
20 products
CLUTCH
21 products
TRANSMISSION
39 products
GEAR SHIFTING
41 products
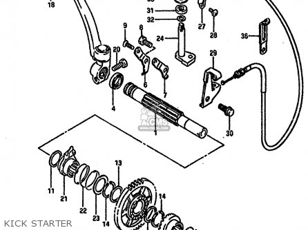
KICK STARTER
36 products
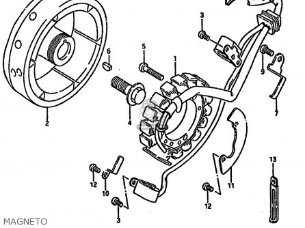
MAGNETO
13 products
BATTERY
10 products
ELECTRICAL
19 products
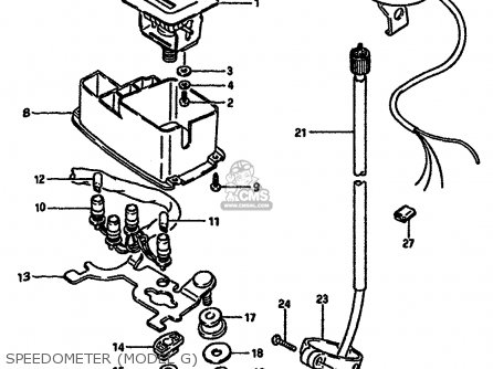
SPEEDOMETER (MODEL G)
29 products
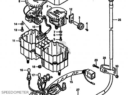
SPEEDOMETER (MODEL H/J/K)
33 products
HEADLAMP
35 products
TURN SIGNAL LAMP
30 products
REAR COMBINATION LAMP
42 products
WIRING HARNESS
30 products
FRAME
56 products
STAND-REAR BRAKE
38 products
FOOTREST
38 products
FUEL TANK (MODEL J/K)
22 products
FUEL COCK
10 products
SEAT
46 products
FRAME COVER (MODEL G)
14 products
FRAME COVER (MODEL K)
18 products
FRONT FORK
29 products
STEERING STEM
34 products
FRONT FORK COVER (MODEL G)
8 products
FRONT FORK COVER (MODEL H/J/K)
10 products
FRONT FENDER (MODEL G)
13 products
FRONT FENDER (MODEL G E16,E18,E22,E24)
21 products
FRONT FENDER (MODEL H/J/K)
36 products
FRONT FENDER (MODEL H/J/K E15,E16,E17,E18,E22,E24)
40 products
FRONT WHEEL
24 products
HANDLEBAR-CABLE
26 products
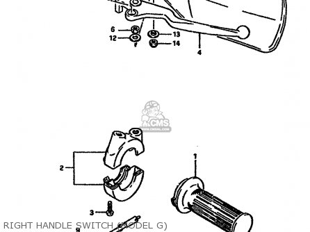
RIGHT HANDLE SWITCH (MODEL G)
14 products
RIGHT HANDLE SWITCH (MODEL H/J/K)
17 products
RIGHT HANDLE SWITCH (MODEL H/J/K E18,MODEL K E24,E39)
22 products
LEFT HANDLE SWITCH (MODEL G)
30 products
LEFT HANDLE SWITCH (MODEL K)
35 products
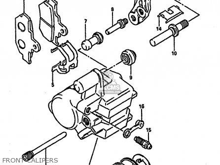
FRONT CALIPERS
20 products
FRONT BRAKE HOSE
14 products
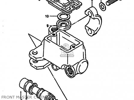
FRONT MASTER CYLINDER
16 products
REAR SWINGING ARM (MODEL K)
37 products
REAR SHOCK ABSORBER
9 products
REAR CUSHION LEVER
17 products
REAR FENDER
44 products
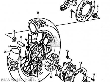
REAR WHEEL (MODEL K)
40 products
REAR CALIPER (MODEL K)
15 products
REAR MASTER CYLINDER (MODEL K)
26 products
METER VISOR
13 products
OPTIONAL
29 products
up
popular products
0944032006
SPRING
Suzuki
1348714A00
ROD,PLUNGER
Suzuki
1274932400
KEY,SPROCKET
Suzuki
1327193011
SPRING
Suzuki