×
Buy Suzuki GN Parts Online
home
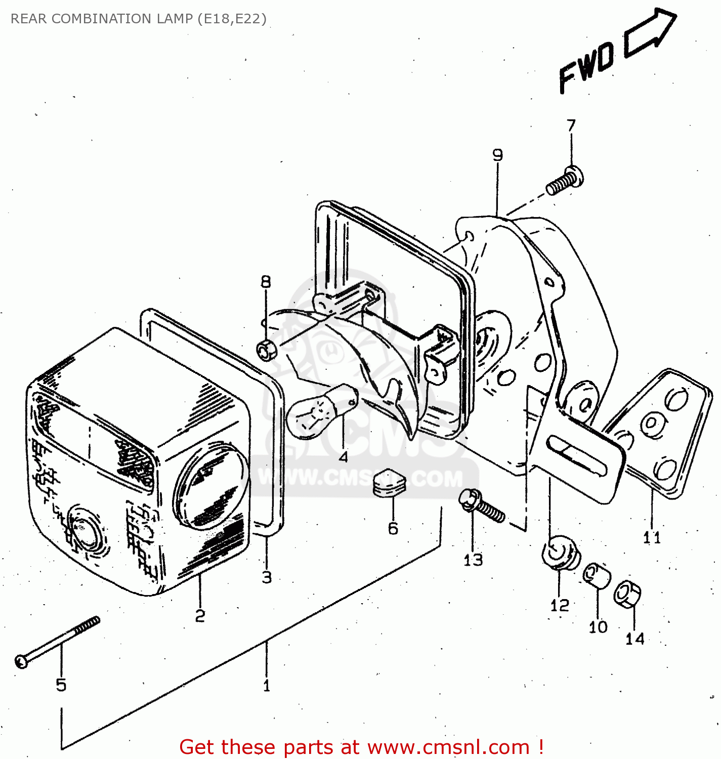
REAR COMBINATION LAMP (E18,E22)
GN125U 1999 (X) GERMANY (E22)
Rear combination lamp (e18,e22) diagram GN125U 1999 (X) GERMANY (E22)
REAR COMBINATION LAMP (E18,E22) GN125U 1999 (X) GERMANY (E22)
×
prices are in EUR
ref
part #
description
quantity
1
3571038300
ref: 1
REFLEX REFLECTOR:RR0
LAMP ASSY,RR COMBINATION
€ 183.50
2
3571238350
ref: 2
LENS
€ 66.00
3
3571330510
ref: 3
GASKET (NAS)
€ 6.00
4
0947112083
ref: 4
BULB(12V21/5W)
€ 6.00
5
0912504002
ref: 5
SCREW (4X55)
€ 1.50
6
3572830640
ref: 6
GROMMET,REAR COMBINATION LAMP
€ 3.00
7
0211206167
ref: 7
SCREW
€ 2.50
8
0831000067
ref: 8
NUT
€ 2.50
9
3573038380
ref: 9
BRACKET UNIT,TAIL LAMP
€ 51.00
10
3576626470
ref: 10
SPACER
€ 2.50
11
3576526470
ref: 11
CUSHION
€ 10.50
12
3576426470
ref: 12
CUSHION
€ 2.50
13
0911606167
ref: 13
BOLT(6X20)
€ 2.50
14
0831000063
ref: 14
NUT 6MM
€ 2.50
up
all assemblies
* COLOR CHART *
* CATALOG PREFACE *
* CONVERSION CHART *
CYLINDER HEAD
AIR CLEANER
MUFFLER
OIL PUMP
CLUTCH
TRANSMISSION
GEAR SHIFTING
STARTING MOTOR
MAGNETO
BATTERY
ELECTRICAL
CYLINDER
SPEEDOMETER - TACHOMETER (GN125V/W/X)
SPEEDOMETER - TACHOMETER (GN125EV/EW/EX)
HEADLAMP (E2,E71,P9)
HEADLAMP (E4,E18,E21,E22)
HEADLAMP (GN125E E1,E30)
TURN SIGNAL LAMP (E1,E2,E4,E18,E21,E22,E71,P9)
TURN SIGNAL LAMP (GN125E E1,E30)
REAR COMBINATION LAMP (E1,E71,P9)
REAR COMBINATION LAMP (E2,E4,E21)
REAR COMBINATION LAMP (E18,E22)
REAR COMBINATION (GN125E E1,E30)
WIRING HARNESS (GN125V/W/X)
WIRING HARNESS (GN125EV/EW/EX)
HANDLE SWITCH
FRAME
STAND
FOOTREST
CARRIER
CRANKCASE
FUEL TANK (MODEL V/W)
FUEL TANK (MODEL X)
FUEL COCK
FRAME COVER (MODEL V/W)
FRAME COVER (MODEL X)
FRONT FENDER - HEADLAMP HOUSING
HANDLEBAR - FRONT CABLE
HANDLE LEVER
REAR FENDER
SEAT
FRONT DAMPER
STEERING STEM
CRANKCASE COVER
FRONT WHEEL (GN125V/W/X)
FRONT WHEEL (GN125EV/EW/EX)
FRONT CALIPER
FRONT MASTER CYLINDER
REAR SWINGING ARM
REAR SHOCK ABSOBER
REAR WHEEL (GN125V/W/X)
REAR WHEEL (GN125EV/EW/EX)
OPTIONAL
CRANKSHAFT
STARTER CLUTCH
CAM SHAFT - VALVE
CAM CHAIN
CARBURETOR
up