×
Buy Suzuki GN Parts Online
home
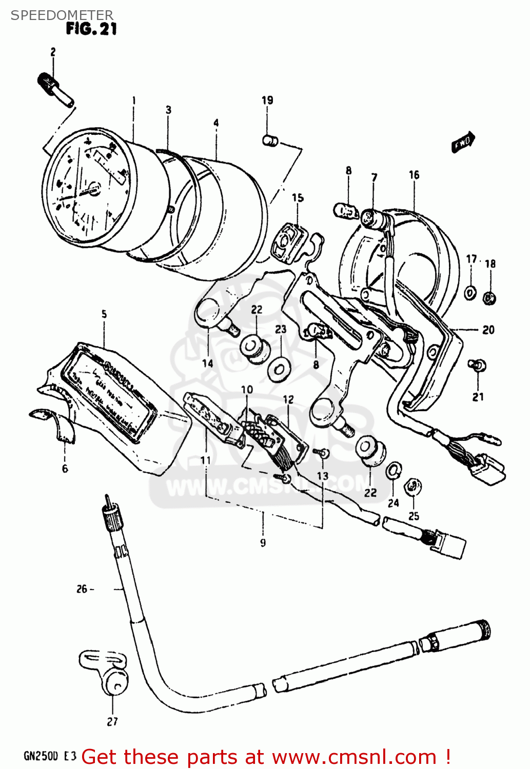
SPEEDOMETER
GN250 1983 (D) USA (E03)
Speedometer diagram GN250 1983 (D) USA (E03)
SPEEDOMETER GN250 1983 (D) USA (E03)
×
prices are in EUR
ref
part #
description
quantity
1-1
3411038310
ref: 1-1
34110-38311
SPEEDOMETER ASSEMBLY
€ 152.50
1-2
3411038311
ref: 1-2
METER,SPEEDOMETER (KM/MPH)
€ 152.50
2
3498045020
ref: 2
KNOB
€ 5.00
3
3418945300
ref: 3
CUSHION
€ 10.00
4
3415145300
ref: 4
COVER,SPEEDOMETER
€ 16.00
5
3638038310
ref: 5
CASE,PILOT BULB
€ 32.50
6
3499347000
ref: 6
SEAL,IGNITION SWITCH
€ 3.00
7
3417338310
ref: 7
SOCKET,SPEEDOMETER
€ 30.00
8
0947112028
ref: 8
BULB(12V3.4W,T10)
€ 3.50
9-1
3645038300
ref: 9-1
INDICATOR ASSEMBLY,GEAR POSITION
€ 57.00
9-2
3645038301
ref: 9-2
INDICATOR ASSY,GEAR POSITION
€ 113.00
10
0947112071
ref: 10
BULB(14V1.12W)
€ 5.50
11-1
3645245100
ref: 11-1
CASE,GEAR INDICATOR
€ 14.50
11-2
3645249401
ref: 11-2
CASE,GEAR INDICATOR
€ 12.50
12
3645445100
ref: 12
COVER,LWR
€ 6.00
13
3645645100
ref: 13
03511-03146
SCREW,GEAR INDICATOR
€ 2.00
14
3495038310
ref: 14
BRACKET,SPEEDOMETER
€ 28.50
15
3418944310
ref: 15
34189-44311
CUSHION,METER
€ 2.50
16
3419345300
ref: 16
ORNAMENT,SPEEDOMETER
€ 35.50
17
0832221058
ref: 17
08322-01057
WASHER
€ 2.50
18
0831311057
ref: 18
08313-1005A
NUT
€ 1.50
19
3419144310
ref: 19
CUSHION
€ 3.00
20
3638338310
ref: 20
COVER,PILOT BOX,UNDER
€ 0.00
21
0211204108
ref: 21
02112-04107
SCREW 4X10
€ 3.00
22
3495631001
ref: 22
CUSHION,METER BRACKET
€ 5.50
23
0916008002
ref: 23
09160-08135
WASHER (8.5X29X1.6)
€ 2.00
24
0832121088
ref: 24
08321-01087
LOCK WASHER
€ 2.50
25
0831012088
ref: 25
08310-00087
NUT
€ 2.50
26
3491032410
ref: 26
CABLE ASSY,SPEEDOMETER
€ 20.50
27
5862121203
ref: 27
58621-21204
GUIDE,CABLE
€ 8.50
up
all assemblies
AIR CLEANER
BATTERY
CAM CHAIN
CAM SHAFT - VALVE
CARBURETOR
CHAIN CASE - SHOCK ABSORBER
CLUTCH
CRANK BALANCER
CRANKCASE
CRANKCASE COVER
CRANKSHAFT
CYLINDER
CYLINDER HEAD
ELECTRICAL
FOOTREST
FRAME
FRAME COVER (MODEL D)
FRAME COVER (MODEL Z)
FRONT FORK
FRONT WHEEL
FUEL COCK
FUEL TANK (MODEL D)
FUEL TANK (MODEL Z)
GEAR SHIFTING
HANDLEBAR
HEADLAMP
HEADLAMP HOUSING - FRONT FENDER
LEFT HANDLE SWITCH
MAGNETO
MUFFLER
OIL PUMP
REAR BRAKE
REAR COMBINATION
REAR FENDER
REAR SWINGING ARM
REAR WHEEL
RIGHT HANDLE SWITCH
SEAT
SPEEDOMETER
STAND
STARTER CLUTCH
STARTING MOTOR
STEERING STEM
TRANSMISSION
TURN SIGNAL LAMP
WIRING HARNESS
up