×
Buy Suzuki GS Parts Online
home
GS1000L 1979 (N) USA (E03)
CYLINDER HEAD COVER
10 products
CYLINDER HEAD
29 products
CYLINDER
6 products
CRANKCASE
37 products
CRANKCASE NH COVER
12 products
CRANKCASE LH COVER
17 products
OIL PAN
12 products
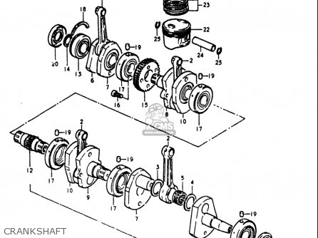
CRANKSHAFT
17 products
STARTER CLUTCH
10 products
CAM SHAFT - VALVE
32 products
CAM CHAIN
22 products
CARBURETOR
42 products
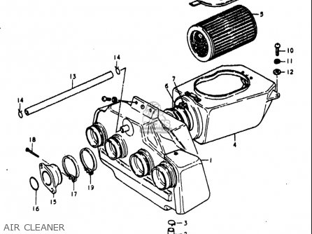
AIR CLEANER
19 products
MUFFLER
17 products
OIL PUMP
9 products
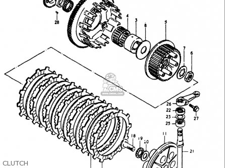
CLUTCH
27 products
TRANSMISSION
34 products
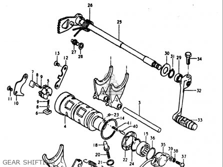
GEAR SHIFTING
39 products
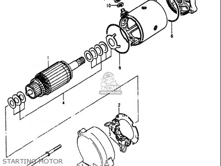
STARTING MOTOR
9 products
GENERATOR
8 products
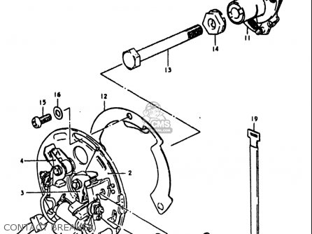
CONTACT BREAKER
19 products
BATTERY
14 products
COMBINATION METER
16 products
HEADLAMP
16 products
TURN SIGNAL LAMP
24 products
REAR COMBINATION LAMP
16 products
ELECTRICAL
28 products
WIRING H@@@SS
22 products
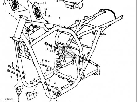
FRAME
12 products
STAND
21 products
FOOTREST
21 products
FUEL TANK
24 products
SEAT
10 products
FRAME COVER
12 products
FRONT FORK
19 products
STEERING STEM
21 products
FRONT WHEEL
14 products
HANDLEBAR - FRONT FENDER
19 products
HANDLE SWITCH
35 products
FRONT CARIPERS
13 products
FRONT MASTER CYLINDER
7 products
FRONT BRAKE HOSE
17 products
REAR SWINGING ARM
14 products
CHAIN CASE - SHOCK ABSORBER
17 products
REAR FENDER
11 products
REAR WHEEL
30 products
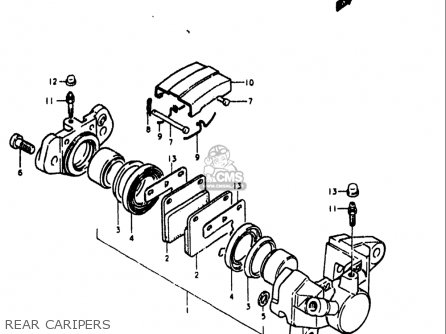
REAR CARIPERS
17 products
REAR MASTER CYLINDER
25 products
OPTIONAL
10 products
up
popular products
5820049100
CABLE ASSY,CLUTCH
Suzuki
3714647010
KEY,BLANK
Suzuki
3126431040
O RING
Suzuki
4352049010
BAR,FRONT FOOTREST,LEFT
Suzuki