×
Buy Suzuki GS Parts Online
home
ELECTRICAL
GS300L 1985 (F) USA (E03)
Electrical diagram GS300L 1985 (F) USA (E03)
ELECTRICAL GS300L 1985 (F) USA (E03)
×
prices are in EUR
ref
part #
description
quantity
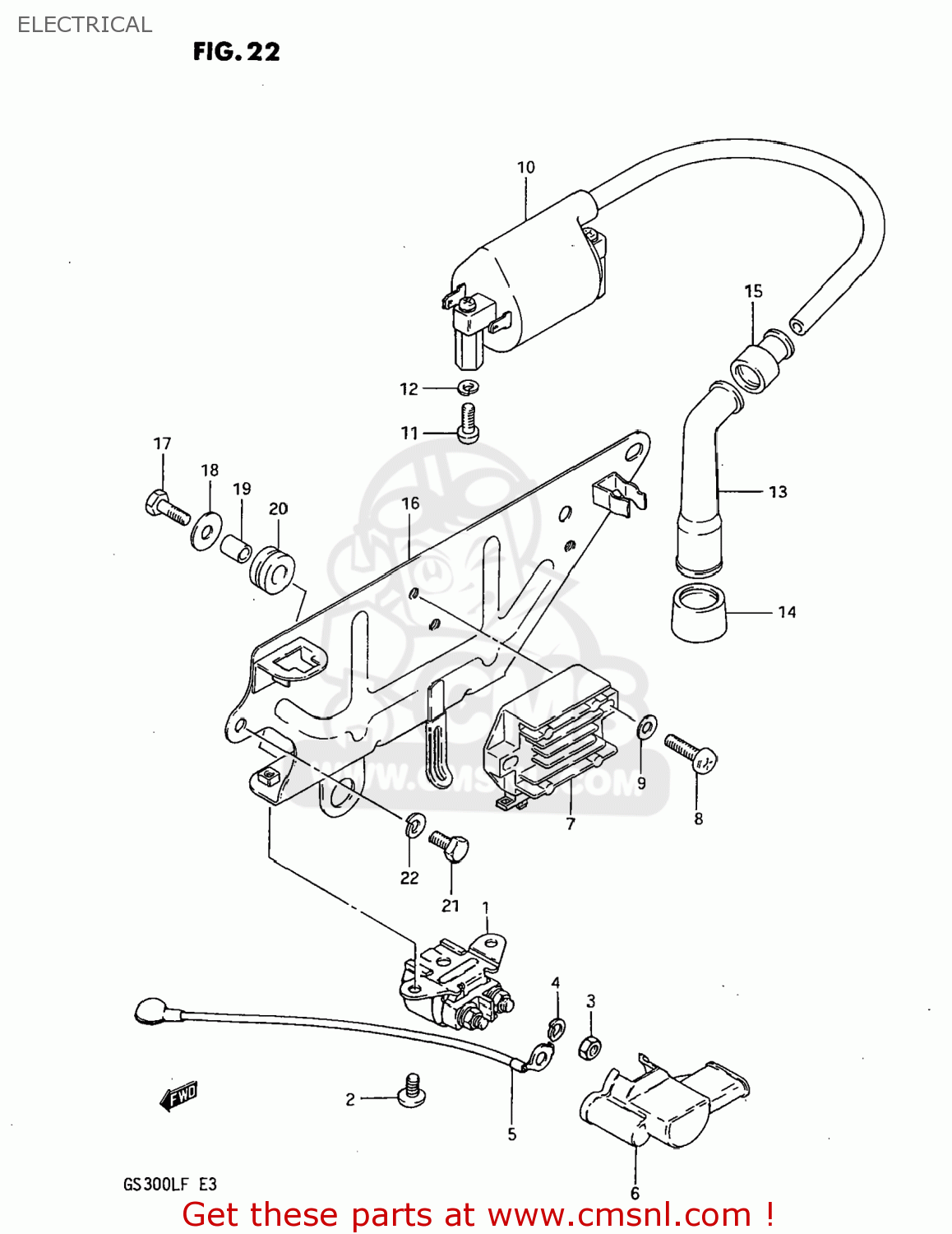
1
3180049100
ref: 1
RELAY ASSY,STARTING MOTOR
€ 97.00
2
0211206106
ref: 2
02112-0610B
SCREW
€ 1.50
3
0831011066
ref: 3
08310-0006A
NUT
€ 2.50
4
0832121066
ref: 4
08321-0106A
WASHER,LOCK
€ 2.50
5
3385044520
ref: 5
33850-06B00
WIRE,STARTER MOTOR LEAD
€ 30.00
6
3186144500
ref: 6
31861-46D00
CAP,STARTER RELAY
€ 6.50
7
3280044230
ref: 7
32800-33401
RECTIFIER ASSEMBLY
€ 235.00
8
0211206208
ref: 8
02112-06207
SCREW
€ 2.00
9
0832221068
ref: 9
08322-01067
WASHER
€ 2.50
10
3341011911
ref: 10
COIL ASSY,IGNITION
€ 149.50
11
0211205108
ref: 11
02112-05107
SCREW
€ 2.50
12
0832121058
ref: 12
08321-0105A
LOCK WASHER
€ 2.00
13
3351045010
ref: 13
CAP ASSY,SPARK PLUG
€ 25.00
14
3354124510
ref: 14
33541-47D00
SEAL,SPARK PLUG CAP
€ 8.00
15
3354298000
ref: 15
33542-38B00
SEAL,SPARK PLU
€ 5.00
16
4741044502
ref: 16
47410-44503
HOLDER COMP,ELECTRONIC PARTS
€ 8.50
17
0110706206
ref: 17
01500-0620A
BOLT,M6X1X20
€ 2.50
18
0916006057
ref: 18
09160-06109
WASHER
€ 2.00
19
0918006044
ref: 19
09180-06248
SPACER (6.1X8X9.5)
€ 2.50
20
0932008001
ref: 20
CUSHION
€ 4.00
21
0110706108
ref: 21
01500-06107
BOLT
€ 2.00
22
0832121068
ref: 22
08321-01067
LOCK WASHER
€ 2.50
up
all assemblies
AIR CLEANER
BATTERY
CAM CHAIN
CAM SHAFT - VALVE
CARBURETOR
CHAIN CASE - SHOCK ABSORBER
CLUTCH
CRANKCASE
CRANKCASE COVER
CRANKSHAFT
CRANKSHAFT BALANCER
CYLINDER
CYLINDER HEAD
CYLINDER HEAD COVER
ELECTRICAL
FOOTREST
FRAME
FRAME COVER
FRONT FORK
FRONT WHEEL
FUEL COCK
FUEL TANK
GEAR SHIFTING
GENERATOR
HANDLEBAR
HEADLAMP
HEADLAMP HOUSING - FRONT FENDER
LEFT HANDLE SWITCH
MUFFLER
OIL FILTER - OIL PUMP
REAR COMBINATION LAMP
REAR FENDER
REAR SWINGING ARM
REAR WHEEL
RIGHT HANDLE SWITCH
SEAT
SIGNAL GENERATOR
SPEEDOMETER
STAND - REAR BRAKE
STARTER CLUTCH
STARTING MOTOR
STEERING STEM
TRANSMISSION
TURN SIGNAL LAMP
WIRING HARNESS
up