×
Buy Suzuki GS Parts Online
home
ELECTRICAL
GS750A 1983 (D) USA (E03)
Electrical diagram GS750A 1983 (D) USA (E03)
ELECTRICAL GS750A 1983 (D) USA (E03)
×
prices are in EUR
ref
part #
description
quantity
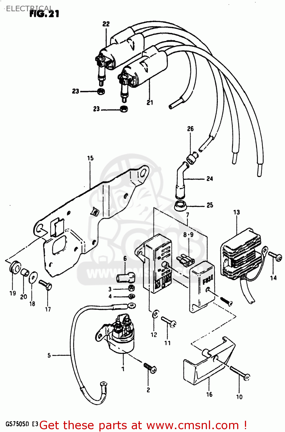
1
3180033400
ref: 1
31800-49100
RELAY ASSEMBLY,STARTING MOTOR
€ 97.00
2
0211206088
ref: 2
02112-06087
SCREW
€ 2.00
3
0831022068
ref: 3
08310-00067
NUT 6MM
€ 2.50
4
0832121068
ref: 4
08321-01067
LOCK WASHER
€ 2.50
5
3385049002
ref: 5
33850-03201
WIRE,STARTER MOTOR LEAD
€ 9.50
6
3186135100
ref: 6
31861-48B10
CAP,STARTER RELAY
€ 5.00
7
3674049300
ref: 7
36740-45D00
BOX ASSEMBLY,FUSE
€ 69.50
8
0948110101
ref: 8
FUSE(10A)
€ 2.50
9
0948115101
ref: 9
FUSE(15A)
€ 1.50
10
0211206355
ref: 10
02112-0635B
SCREW
€ 2.50
11
0211206168
ref: 11
02112-06167
SCREW
€ 2.50
12
0832221068
ref: 12
08322-01067
WASHER
€ 2.50
13
3280049320
ref: 13
32800-49X50
RECTIFIER ASSEMBLY
€ 397.00
14
0211206128
ref: 14
02112-06127
SCREW 6X12
€ 2.50
15
4741049310
ref: 15
47410-49311
HOLDER COMP,ELECTRONIC PARTS
€ 10.00
16
4741949301
ref: 16
COVER,ELECTRIC PARTS HOLDER
€ 5.50
17
0110706168
ref: 17
01500-06167
BOLT, UPPER
€ 3.00
18
0916006063
ref: 18
09160-06054
WASHER (6.5X22X1.6)
€ 2.00
19
0932008013
ref: 19
CUSHION
€ 4.50
20
0918007005
ref: 20
09180-06259
SPACER (7X9X7)
€ 3.00
21
3341049210
ref: 21
33410-31311
COIL ASSEMBLY,IGNITION
€ 192.50
22
3342049210
ref: 22
33410-31311
COIL ASSEMBLY,IGNITION
€ 192.50
23
0831011068
ref: 23
08310-00067
NUT
€ 2.50
24
3351045010
ref: 24
CAP ASSY,SPARK PLUG
€ 25.00
25
3354138210
ref: 25
SEAL,SPARK PLUG
€ 8.00
26
3354298000
ref: 26
33542-38B00
SEAL,SPARK PLU
€ 5.00
up
all assemblies
AIR CLEANER
BATTERY
CAM CHAIN
CAM SHAFT - VALVE
CARBURETOR
CHAIN CASE - REAR SHOCK ABSORBER
CLUTCH
COWLING
CRANKCASE
CRANKCASE COVER
CRANKSHAFT
CYLINDER
CYLINDER HEAD
CYLINDER HEAD COVER
ELECTRICAL
FOOTREST
FRAME
FRAME COVER
FRONT BRAKE HOSE
FRONT CALIPERS
FRONT DAMPER
FRONT FENDER
FRONT MASTER CYLINDER
FRONT WHEEL
FUEL COCK
FUEL TANK
GEAR SHIFTING
GENERATOR
HANDLEBAR
HEADLAMP
LEFT HANDLE SWITCH
MASTER CYLINDER
MUFFLER
OIL PUMP - OIL FILTER
REAR BRAKE HOSE
REAR CARIPERS
REAR COMBINATION LAMP
REAR FENDER
REAR SWINGING ARM
REAR WHEEL
RIGHT HANDLE SWITCH
SEAT
SIGNAL GENERATOR
SPEEDOMETER - TACHOMETER
STAND
STARTER CLUTCH
STARTING MOTOR
STEERING STEM
TRANSMISSION
TURN SIGNAL LAMP
WIRING HARNESS
up