×
Buy Suzuki GS Parts Online
home
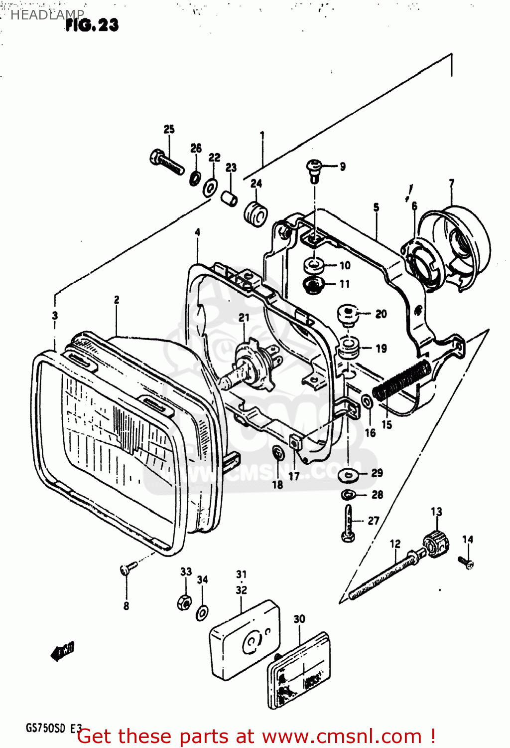
HEADLAMP
GS750A 1983 (D) USA (E03)
Headlamp diagram GS750A 1983 (D) USA (E03)
HEADLAMP GS750A 1983 (D) USA (E03)
×
prices are in EUR
ref
part #
description
quantity
1
3510049330999
ref: 1
35100-49331-999
HEADLAMP ASSEMBLY
€ 224.50
2
3512149230
ref: 2
LAMP UNIT
€ 114.50
3
3512749320
ref: 3
RETAINER
€ 37.50
4
3513049320
ref: 4
RING,MOUNTING
€ 35.50
5
3538149320
ref: 5
HOUSING
€ 42.50
6
3513649200
ref: 6
HOLDER
€ 8.50
7
3517349200
ref: 7
35173-38A00
COVER,HEADLAMP SOCKET
€ 13.50
8
0211203088
ref: 8
02112-03087
SCREW
€ 2.00
9
3513625611
ref: 9
35136-35400
SCREW
€ 4.50
10
3513345600
ref: 10
SPACER
€ 3.50
11
3513525611
ref: 11
08316-1005A
NUT,ADJUSTING
€ 3.00
12
3515149320
ref: 12
SCREW,ADJUSTING
€ 16.50
13
3516149320
ref: 13
35136-49331
KNOB,ADJUSTER
€ 6.00
14
0211203108
ref: 14
02112-03107
SCREW
€ 2.00
15
3515449320
ref: 15
SPRING
€ 3.00
16
3515749320
ref: 16
09160-06073
WASHER
€ 2.00
17
3515249320
ref: 17
NUT
€ 0.00
18
3515249330
ref: 18
09148-04010
NUT,HEADLAMP ADJUSTER
€ 2.00
19
3538249321
ref: 19
CUSHION
€ 0.00
20
3538349321
ref: 20
NUT
€ 0.00
21
0947112060
ref: 21
BULB(12V60/55W,H4)
€ 8.00
22
0916006007
ref: 22
09160-06084
WASHER
€ 2.00
23
0918006044
ref: 23
09180-06248
SPACER (6.1X8X9.5)
€ 2.50
24
0932008001
ref: 24
CUSHION
€ 4.00
25
0110706258
ref: 25
01500-06257
BOLT
€ 2.50
26
0832121068
ref: 26
08321-01067
LOCK WASHER
€ 2.50
27
0912806030
ref: 27
SCREW(6X20)
€ 0.00
28
0832121068
ref: 28
08321-01067
LOCK WASHER
€ 2.50
29
0832211068
ref: 29
08322-0106B
WASHER 6MM
€ 2.50
30
3595049330
ref: 30
REFLECTOR,REFLEX
€ 15.00
31
3595449330
ref: 31
SPACER,FRONT REFLEX REFLECTOR
€ 9.50
32
3595549330
ref: 32
SPACER,FRONT REFLEX REFLECTOR
€ 2.50
33
0831011058
ref: 33
08310-00057
NUT
€ 2.50
34
0832221058
ref: 34
08322-01057
WASHER
€ 2.50
up
all assemblies
AIR CLEANER
BATTERY
CAM CHAIN
CAM SHAFT - VALVE
CARBURETOR
CHAIN CASE - REAR SHOCK ABSORBER
CLUTCH
COWLING
CRANKCASE
CRANKCASE COVER
CRANKSHAFT
CYLINDER
CYLINDER HEAD
CYLINDER HEAD COVER
ELECTRICAL
FOOTREST
FRAME
FRAME COVER
FRONT BRAKE HOSE
FRONT CALIPERS
FRONT DAMPER
FRONT FENDER
FRONT MASTER CYLINDER
FRONT WHEEL
FUEL COCK
FUEL TANK
GEAR SHIFTING
GENERATOR
HANDLEBAR
HEADLAMP
LEFT HANDLE SWITCH
MASTER CYLINDER
MUFFLER
OIL PUMP - OIL FILTER
REAR BRAKE HOSE
REAR CARIPERS
REAR COMBINATION LAMP
REAR FENDER
REAR SWINGING ARM
REAR WHEEL
RIGHT HANDLE SWITCH
SEAT
SIGNAL GENERATOR
SPEEDOMETER - TACHOMETER
STAND
STARTER CLUTCH
STARTING MOTOR
STEERING STEM
TRANSMISSION
TURN SIGNAL LAMP
WIRING HARNESS
up