Buy Suzuki GSX Parts Online

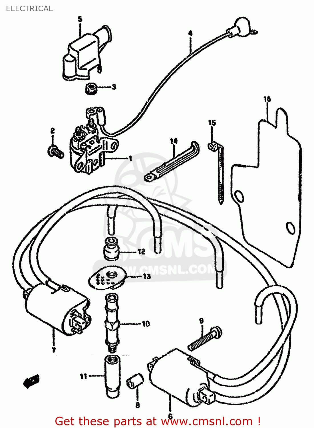
ELECTRICAL

GSX750F 1996 (T) (E02 E04 E18 E22 E24 E25 E34)

Electrical diagram GSX750F 1996 (T) (E02 E04 E18 E22 E24 E25 E34)

ELECTRICAL GSX750F 1996 (T) (E02 E04 E18 E22 E24 E25 E34)
ELECTRICAL GSX750F 1996 (T) (E02 E04 E18 E22 E24 E25 E34)
ELECTRICAL GSX750F 1996 (T) (E02 E04 E18 E22 E24 E25 E34)
prices are in EUR
ref
part #
description
quantity
1
3180049100
ref: 1
RELAY ASSY,STARTING MOTOR
3180049100
€ 97.00

2
0211206103
ref: 2
SCREW
0211206103
€ 1.50

3
0836135063
ref: 3
NUT
€ 2.00

4
3381041C00
ref: 4

33850-19C00
WIRE,STARTER MOTOR LEAD
3381041C00
€ 29.00

5
3186110D10
ref: 5

31861-19C00
CAP,STARTER RELAY
3186110D10
€ 6.50

6
3341019C00
ref: 6
COIL ASSEMBLY,IGNITION NO
€ 147.00

7
3342019C00
ref: 7
COIL ASSEMBLY,IGNITION NO
3342019C00
€ 171.50

8
0918006198
ref: 8
SPACER(6.2X12X16)
0918006198
€ 4.00

9
0155006453
ref: 9
BOLT (6X45)
€ 2.50

10
3351020C02
ref: 10

33510-20C01
CAP,SPARK PLUG
3351020C02
€ 41.00

11
3354120C00
ref: 11
SEAL,SPARK PLUG
3354120C00
€ 21.00

12
3354238B00
ref: 12
SEAL,HIGH TENSION CORD
3354238B00
€ 5.00

13
3354348B00
ref: 13
COVER,SPARK PLUG CAP
3354348B00
€ 13.50

14-1
0940406403
ref: 14-1
CLAMP
€ 3.00

14-2
0940406431
ref: 14-2
CLAMP(L:65)
0940406431
€ 3.00

15
0940718402
ref: 15
CLAMP(L:165)
0940718402
€ 2.50

16
3341120C00
ref: 16

MODEL S/T
COVER,IGNITION COIL
€ 7.00