×
Buy Suzuki GSX Parts Online
home
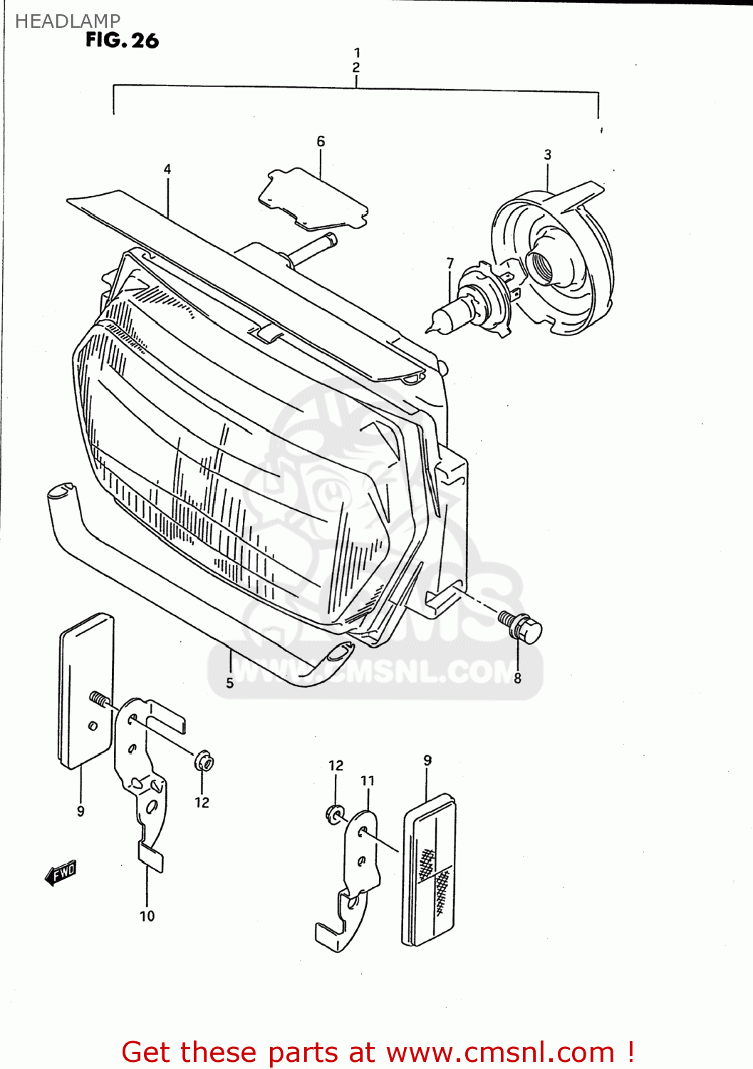
HEADLAMP
GSX750F KATANA 1993 (P) USA (E03)
Headlamp diagram GSX750F KATANA 1993 (P) USA (E03)
HEADLAMP GSX750F KATANA 1993 (P) USA (E03)
×
prices are in EUR
ref
part #
description
quantity
1
3510020C10
ref: 1
35100-20C10-999
HEADLAMP ASSEMBLY
€ 189.50
2
3510020C10999
ref: 2
HEADLAMP ASSY
€ 189.50
3
3517348B00
ref: 3
COVER,SOCKET
€ 10.50
4
3524219C00
ref: 4
GASKET,HEADLAMP (NAS)
€ 10.50
5
3524319C00
ref: 5
GASKET,HEADLAMP (NAS)
€ 8.00
6
3524419C00
ref: 6
GASKET (NAS)
€ 3.50
7
0947112060
ref: 7
BULB(12V60/55W,H4)
€ 8.00
8
0158006163
ref: 8
01580-0616A
BOLT
€ 3.00
9
3595043431
ref: 9
REFLEX REFLECTOR,FR SIDE
€ 12.00
10
3595619C00
ref: 10
BRACKET,FR SIDE RR,R
€ 4.50
11
3595719C00
ref: 11
BRACKET,FR SIDE RR,L
€ 5.50
12-1
0831626055
ref: 12-1
08316-2005A
NUT
€ 2.00
12-2
0831000053
ref: 12-2
08310-0005A
NUT
€ 2.50
up
all assemblies
AIR CLEANER
ALTERNATOR
BATTERY
CAM CHAIN
CAM SHAFT - VALVE
CANISTER (CALIFORNIA ONLY)
CARBURETOR
CARBURETOR FITTINGS
CLUTCH
COOLING FAN (CALIFORNIA ONLY)
COWLING (MODEL K)
COWLING (MODEL L)
COWLING (MODEL M)
COWLING BODY (MODEL N)
COWLING BODY (MODEL P)
COWLING BODY (MODEL R)
COWLING BODY (MODEL S)
COWLING BODY (MODEL T)
CRANKCASE
CRANKCASE COVER
CRANKSHAFT
CYLINDER
CYLINDER HEAD
CYLINDER HEAD COVER
ELECTRICAL
FOOTREST
FRAME
FRAME COVER (MODEL K/L)
FRAME COVER (MODEL M)
FRAME COVER (MODEL N)
FRAME COVER (MODEL P/R)
FRAME COVER (MODEL S/T)
FRONT BRAKE HOSE
FRONT CALIPERS
FRONT DAMPER
FRONT FENDER
FRONT MASTER CYLINDER
FRONT WHEEL
FUEL COCK
FUEL TANK (MODEL K/L)
FUEL TANK (MODEL M/N)
FUEL TANK (MODEL P/R/S/T)
GEAR SHIFTING
HANDLE SWITCH
HANDLEBAR
HEADLAMP
INSTALLATION PARTS
MUFFLER
OIL COOLER
OIL PAN
OIL PUMP
PILLION HANDLE
REAR CALIPER (MODEL K/L/M/N)
REAR CALIPER (MODEL P/R/S/T)
REAR COMBINATION LAMP
REAR CUSHION LEVER
REAR FENDER
REAR MASTER CYLINDER
REAR SWINGING ARM
REAR WHEEL
RIGHT HANDLE SWITCH
SEAT
SECOND AIR (CALIFORNIA ONLY)
SIGNAL GENERATOR
SPEEDOMETER
STAND
STARTER CLUTCH
STARTING MOTOR
STEERING STEM
TAIL LAMP BAR
TRANSMISSION
TURNSIGNAL LAMP
WIRING HARNESS
up