×
Buy Suzuki GSXR Parts Online
home
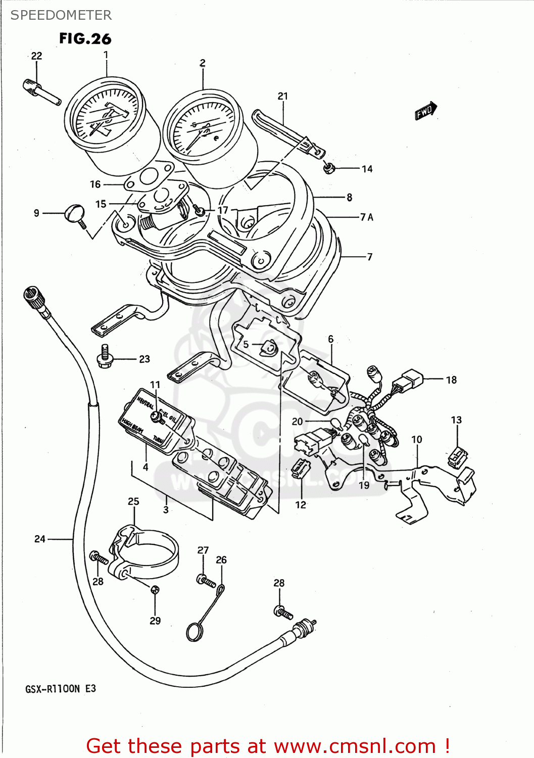
SPEEDOMETER
GSXR1100 1992 (N) USA (E03)
Speedometer diagram GSXR1100 1992 (N) USA (E03)
SPEEDOMETER GSXR1100 1992 (N) USA (E03)
×
prices are in EUR
ref
part #
description
quantity
1
3411041C30
ref: 1
34110-41C31
SPEEDOMETER ASSEMBLY
€ 303.50
2
3421041C20
ref: 2
34210-41C21
TACHOMETER
€ 504.50
3
3638040C30
ref: 3
36380-40C20
BOX ASSEMBLY,PILOT LAMP
€ 50.00
4
3638140C20
ref: 4
LENS,BOX
€ 15.00
5
3471632C00
ref: 5
DAMPER
€ 3.00
6
3471832C00
ref: 6
PLATE,SETTING
€ 17.50
7
3495041C20
ref: 7
PLATE
€ 181.50
7A
3419141C20
ref: 7A
CUSHION
€ 26.50
8
3496041C20
ref: 8
PANEL,METER
€ 132.00
9
3418641C20
ref: 9
BOLT,SETTING
€ 18.00
10
3411141C20
ref: 10
BRACKET
€ 62.00
11
0211274085
ref: 11
02112-7408B
SCREW
€ 3.50
12
3418917C00
ref: 12
DAMPER,LEFT
€ 3.50
13
3418904A30
ref: 13
34189-27A00
CUSHION
€ 6.00
14
0831011045
ref: 14
08310-0004A
NUT
€ 2.00
15
3413148B10
ref: 15
GEAR BOX
€ 150.00
16
3413217C00
ref: 16
GASKET,METER GEAR BOX (NAS)
€ 5.50
17
0211234128
ref: 17
02112-3412B
SCREW
€ 2.00
18
3417041C20
ref: 18
SOCKET
€ 123.50
19
0947112103
ref: 19
BULB(12V3W,T6.5)
€ 2.50
20
0947112108
ref: 20
BULB(12V1.7W,T6.5)
€ 2.00
21
0940404402
ref: 21
09404-06429
CLAMP
€ 3.00
22
3412449400
ref: 22
KNOB,TRIP
€ 5.00
23
0151706125
ref: 23
01550-0612A
BOLT 6X12
€ 3.00
24
3491041C00
ref: 24
34910-10D31
CABLE ASSEMBLY,SPEEDOMETER
€ 34.50
25
3493840C60
ref: 25
GUIDE,METER CABLE NO.2
€ 10.50
26
3493917D00
ref: 26
GUIDE,SPEEDOMETER CABLE NO.3
€ 5.50
27
0214206108
ref: 27
02142-06107
SCREW
€ 2.00
28
0211205164
ref: 28
SCREW
€ 2.50
29
0831011057
ref: 29
08310-00057
NUT 5MM
€ 2.50
up
all assemblies
AIR CLEANER
ALTERNATOR
BATTERY
CAM CHAIN
CAM SHAFT / VALVE
CANISTER (CALIFORNIA ONLY)
CARBURETOR
CARBURETOR FITTINGS
CLUTCH
CLUTCH MASTER CYLINDER
COWLING BODY (MODEL M
COWLING BODY (MODEL M (2)
COWLING BODY (MODEL N)
COWLING FITTING SET
CRANKCASE
CRANKCASE COVER
CRANKSHAFT
CYLINDER
CYLINDER HEAD
CYLINDER HEAD COVER
ELECTRICAL
FOOTREST
FRAME
FRAME COVER (MODEL M)
FRAME COVER (MODEL N)
FRONT BRAKE HOSE
FRONT CALIPERS
FRONT DAMPER
FRONT FENDER
FRONT MASTER CYLINDER
FRONT WHEEL
FUEL COCK
FUEL TANK (MODEL M)
FUEL TANK (MODEL N)
GEAR SHIFTING
HANDLE SWITCH
HANDLEBAR
HEADLAMP
MUFFLER
OIL COOLER
OIL PAN
OIL PUMP
REAR CALIPER
REAR CUSHION LEVER
REAR FENDER
REAR MASTER CYLINDER
REAR SWINGING ARM
REAR WHEEL
SEAT
SECOND AIR (CARIFORNIA ONLY)
SIGNAL GENERATOR
SPEEDOMETER
STAND
STARTER CLUTCH
STARTING MOTOR
STEERING DAMPER
STEERING STEM
TAIL LAMP - LICENSE LAMP
TRANSMISSION
TURNSIGNAL LAMP
WIRING HARNESS
up