×
Buy Suzuki GV Parts Online
home
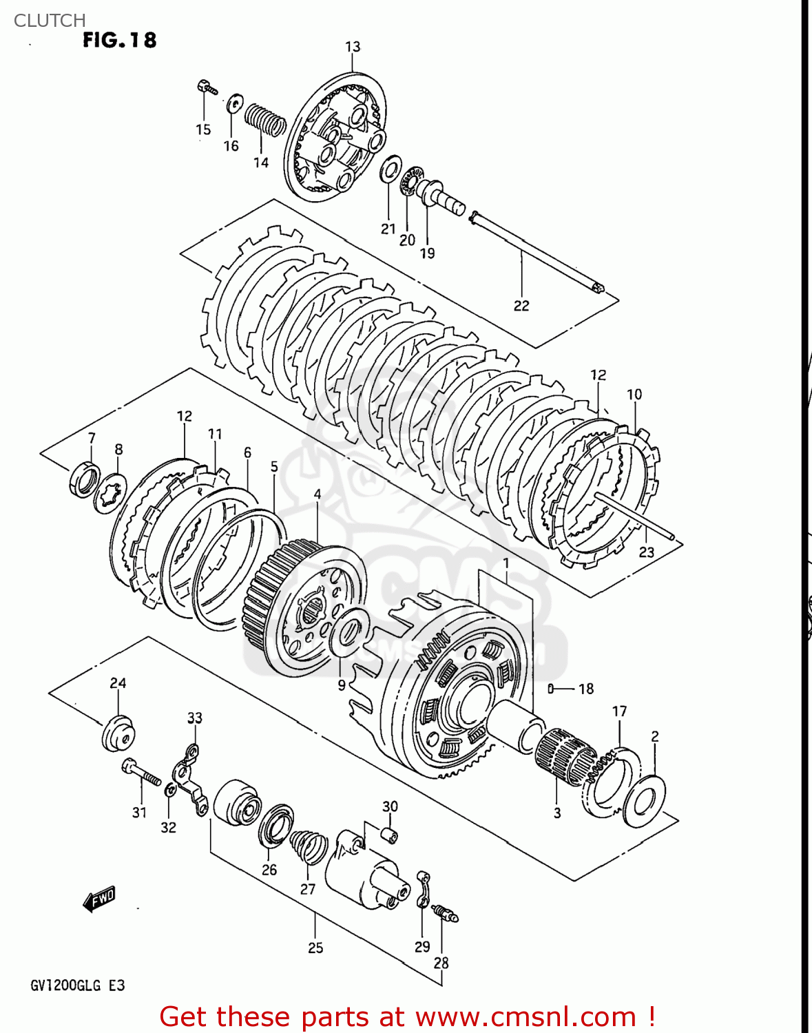
CLUTCH
GV1200GLF MADURA 1985 (F) USA (E03)
Clutch diagram GV1200GLF MADURA 1985 (F) USA (E03)
CLUTCH GV1200GLF MADURA 1985 (F) USA (E03)
×
prices are in EUR
ref
part #
description
quantity
1-1
2120005870
ref: 1-1
21200-05874
GEAR ASSEMBLY,PRIMARY DRIVE
€ 318.00
1-2
2120005874
ref: 1-2
GEAR ASSEMBLY,PRIMARY DRIVE
€ 318.00
2-1
0916025057
ref: 2-1
WASHER (25X54X2.5)
€ 6.50
2-2
0916025062
ref: 2-2
09160-25067
WASHER
€ 9.00
3
0926335013
ref: 3
BEARING (35X40X39.8)
€ 31.50
4
2141005A00
ref: 4
21410-24A00
HUB,CLUTCH SLEEVE
€ 82.50
5
2147137400
ref: 5
SEAT,WAVE WASHER(T:1.4)
€ 9.00
6
0916400004
ref: 6
WASHER
€ 10.00
7
0914024007
ref: 7
NUT
€ 5.50
8
0916725007
ref: 8
WASHER,LOCK
€ 7.50
9
0916025056
ref: 9
WASHER (25X50X2.5)
€ 10.50
10
2144137400
ref: 10
PLATE,CLUTCH DRIVE (NAS)
€ 20.50
11
2144237400
ref: 11
21442-37401
PLATE,CLUTCH DRIVE
€ 11.50
12
2145105A00
ref: 12
PLATE,CLUTCH DRIVEN (NAS)
€ 9.00
13-1
2146205A00
ref: 13-1
21462-20A01
DISC,CLUTCH PRESSURE
€ 35.00
13-2
2146205A01
ref: 13-2
21462-20A01
DISC,CLUTCH PRESSURE
€ 35.00
14
0944020010
ref: 14
09440-20013
SPRING
€ 5.50
15
0110706166
ref: 15
01500-0616A
BOLT
€ 2.00
16
0916006020
ref: 16
09160-06066
WASHER
€ 2.00
17
1632105A00
ref: 17
GEAR,OIL PUMP DRIVE
€ 38.00
18
0926106002
ref: 18
PIN(6X6)
€ 1.50
19
2312144100
ref: 19
PIECE,CLUTCH PUSH
€ 23.50
20
0926315003
ref: 20
BEARING(15X28X2)
€ 7.50
21
0916015015
ref: 21
09160-15045
WASHER
€ 4.50
22
2311038400
ref: 22
ROD,CLUTCH PUSH
€ 16.00
23
2311105A01
ref: 23
ROD,CLUTCH PUSH
€ 15.00
24
0928506014
ref: 24
09285-06016
OIL SEAL
€ 16.00
25
2316005A01
ref: 25
23160-05A02
CYLINDER,CLUTCH RELEASE
€ 121.50
26
2316305A00
ref: 26
CUP,CLUTCH CYLINDER
€ 8.50
27
2316405A00
ref: 27
SPRING,CLUTCH CYLINDER
€ 4.00
28
5912101A00
ref: 28
BLEEDER
€ 9.00
29
5912201A00
ref: 29
CAP,BLEEDER
€ 5.00
30
0421109129
ref: 30
PIN
€ 2.00
31
0110706356
ref: 31
01500-0635A
BOLT ,6X35
€ 3.00
32
0832121066
ref: 32
08321-0106A
WASHER,LOCK
€ 2.50
33
2311705A02
ref: 33
PLATE,CLUTCH PUSH ROD
€ 1.50
up
all assemblies
AIR CLEANER
BATTERY
CAM CHAIN
CAMSHAFT - VALVE
CANISTER (FOR CALIFORNIA)
CARBURETOR
CARBURETOR (FOR CALIFORNIA)
CARBURETOR FITTINGS
CLUTCH
CLUTCH HOSE
CLUTCH MASTER CYLINDER
CRANKCASE
CRANKCASE COVER
CRANKSHAFT
CUSHION LEVER
CYLINDER HEAD (FRONT)
CYLINDER HEAD (REAR)
CYLINDER HEAD COVER
ELECTRICAL
FOOTREST
FRAME
FRAME COVER
FRONT BRAKE HOSE
FRONT CALIPERS
FRONT FORK
FRONT MASTER CYLINDER
FRONT WHEEL
FUEL COCK
FUEL TANK
GEAR SHIFTING
GENERATOR
HANDLEBAR - CONTROL CABLE
HEADLAMP
HEADLAMP HOUSING - FRONT FENDER
LEFT HANDLE SWITCH
MUFFLER
OIL PUMP - FUEL PUMP
PILLION RIDER HANDLE
PILOT LAMP BOX
PROPELLER SHAFT - FINAL DRIVE GEAR
RADIATOR
RADIATOR HOSE - RESERVE TANK
REAR BRAKE
REAR CALIPER
REAR COMBINATION LAMP
REAR FENDER
REAR MASTER CYLINDER
REAR SHOCK ABSORBER
REAR SWINGING ARM
REAR WHEEL
RIGHT HANDLE SWITCH
SEAT
SECONDARY DRIVE GEAR (MODEL F/F2)
SECONDARY DRIVE GEAR (MODEL G)
SPEEDOMETER - TACHOMETER
STAND
STARTING MOTOR
STEERING STEM
TRANSMISSION (MODEL F/F2)
TRANSMISSION (MODEL G)
TURN SIGNAL LAMP
WATER PUMP
WIRING HARNESS
up