×
Buy Suzuki GV Parts Online
home
GV1400GT CAVALCADE 1988 (J) USA (E03)
AIR CLEANER
11 products
AIR VENT FAIRING SET ((GV1400GDG/GTG/GDH/GDJ OPT)
64 products
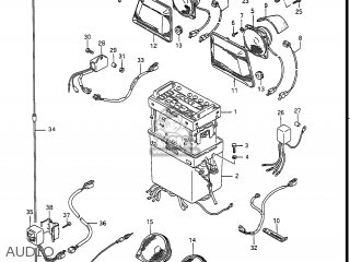
AUDIO
50 products
AUDIO KIT (GV1400GTG OPTIONAL)
44 products
AUTO CRUISER (GV1400GDG/GCG/GDH/GCH/GDJ)
11 products
BATTERY
18 products
BUMPER (NO.1)
34 products
BUMPER (NO.2)
43 products
CAM CHAIN
34 products
CAMSHAFT - VALVE
13 products
CANISTER (FOR CALIFORNIA)
22 products
CARBURETOR
76 products
CARBURETOR (FOR CALIFORNIA)
78 products
CARBURETOR FITTINGS
30 products
CB RADIO KIT (OPTIONAL)
39 products
CLUTCH
32 products
CLUTCH HOSE
13 products
CLUTCH MASTER CYLINDER
11 products
CORNER LAMP COVER (GV1400GCG/GCH)
17 products
CORNERING LAMP (GV1400GCG/GCH)
12 products
CORNERING LAMP SET (GV1400GDG/GTG/GDH/GDJ OPT)
42 products
COWLING BRACE
33 products
CRANKCASE
53 products
CRANKCASE COVER
28 products
CRANKSHAFT
34 products
CRUISE CONTROL KIT (GV1400GTG OPTIONAL)
20 products
CYLINDER HEAD (FRONT)
49 products
CYLINDER HEAD (REAR)
56 products
CYLINDER HEAD COVER
17 products
ELECTRICAL
31 products
FAIRING (GV1400GCG/GCH)
86 products
FRAME
35 products
FRAME COVER (MODEL G)
44 products
FRAME COVER (MODEL H/J)
38 products
FRAME UPPER COVER (MODEL G)
85 products
FRAME UPPER COVER (MODEL H/J)
77 products
FRONT BRAKE HOSE
10 products
FRONT CALIPERS
32 products
FRONT FENDER
23 products
FRONT FOOTREST
28 products
FRONT FORK (GV1400GCG/MODEL H/J)
32 products
FRONT FORK (GV1400GDG/GTG)
39 products
FRONT MARKER LAMP SET (OPTIONAL)
6 products
FRONT MASTER CYLINDER
8 products
FRONT TURNSIGNAL LAMP
12 products
FRONT WHEEL (GV1400GDG/GTG F.NO.103765~/GCG/MODEL H/J)
26 products
FRONT WHEEL (GV1400GDG/GTG ~F.NO.103764)
21 products
FUEL COCK
12 products
FUEL PUMP
13 products
FUEL TANK
49 products
GEAR SHIFTING
55 products
GENERATOR
12 products
HANDLEBAR - CONTROL CABLE (GV1400GCG/MODEL H/J)
19 products
HANDLEBAR - CONTROL CABLE (GV1400GDG/GTG)
20 products
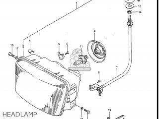
HEADLAMP
19 products
INNER COWLING (GV1400GCG/GCH)
41 products
INNER COWLING (GV1400GDG/GTG/GDH/GDJ)
44 products
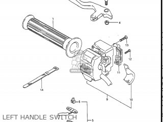
LEFT HANDLE SWITCH
21 products
LICENSE LAMP
11 products
MAP CASE SET/COIN BOX SET (GV1400GDG/GTG/GDH/GDJ OPT)
12 products
MUFFLER
30 products
OIL PUMP
24 products
OUTER COWLING (GV1400GCG)
61 products
OUTER COWLING (GV1400GDG F.NO.104471~)
57 products
OUTER COWLING (GV1400GDG/GTG ~F.NO.104470)
73 products
OUTER COWLING (MODEL H)
79 products
OUTER COWLING (MODEL J)
54 products
PILLION FOOTREST
53 products
PROPELLER SHAFT - FINAL DRIVE GEAR
57 products
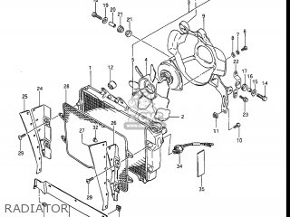
RADIATOR
37 products
RADIATOR HOSE - RESERVE TANK
28 products
REAR BRAKE
25 products
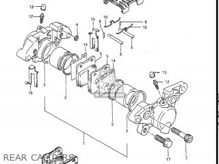
REAR CALIPERS
29 products
REAR COMBINATION LAMP
22 products
REAR END MARKER LAMP SET (OPTIONAL)
9 products
REAR FENDER
76 products
REAR MASTER CYLINDER
30 products
REAR SHOCK ABSORBER (GV1400GDG/GCG/MODEL H/J)
25 products
REAR SHOCK ABSORBER (GV1400GTG)
8 products
REAR SWINGING ARM
16 products
REAR WHEEL (GV1400GDG F.NO.103765~/GCG/MODEL H/J)
31 products
REAR WHEEL (GV1400GDG/GTG ~F.NO.103764)
29 products
RIGHT HANDLE SWITCH (GV1400GDG/GCG/MODEL H/J)
14 products
RIGHT HANDLE SWITCH (GV1400GTG)
13 products
SADDLEBAG TRIM SET (OPTIONAL)
4 products
SEAT
24 products
SECONDARY DRIVE GEAR
72 products
SIDE BAG (GV1400GCG)
78 products
SIDE BAG (GV1400GDG/GTG)
86 products
SIDE BAG (MODEL H)
91 products
SIDE BAG (MODEL J)
67 products
SPEEDOMETER - TACHOMETER
39 products
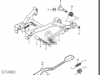
STAND
20 products
STARTING MOTOR
15 products
STEERING STEM
25 products
TAIL MARKER LAMP/HARNESS SET (OPTIONAL)
7 products
TRANSMISSION
42 products
TRAVEL TRUNK (GV1400GCG)
40 products
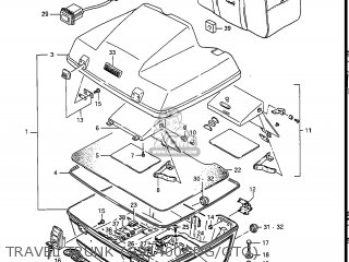
TRAVEL TRUNK (GV1400GDG/GTG)
57 products
TRAVEL TRUNK (MODEL H)
52 products
TRAVEL TRUNK (MODEL J)
37 products
TRAVEL TRUNK MARKER LAMP SET (OPTIONAL)
5 products
TRAVEL TRUNK PAD (GV1400GCG/GCH)
70 products
TRAVEL TRUNK PAD (GV1400GDG/GTG/GDH/GDJ)
56 products
TRAVEL TRUNK RACK/TRIM SET (OPTIONAL)
4 products
TRUNK LAMP
12 products
WATER PUMP
15 products
WIRING HARNESS
64 products
up
popular products
9542324A10
PLATE,LID LOCK
Suzuki
9463424A00
PLATE,WINDSHEILD
Suzuki
9551624A00
HOLDER,LID LOCK MAGNET
Suzuki
9463324A00
CUSHION,WINDSHEILD
Suzuki