×
Buy Suzuki RF Parts Online
home
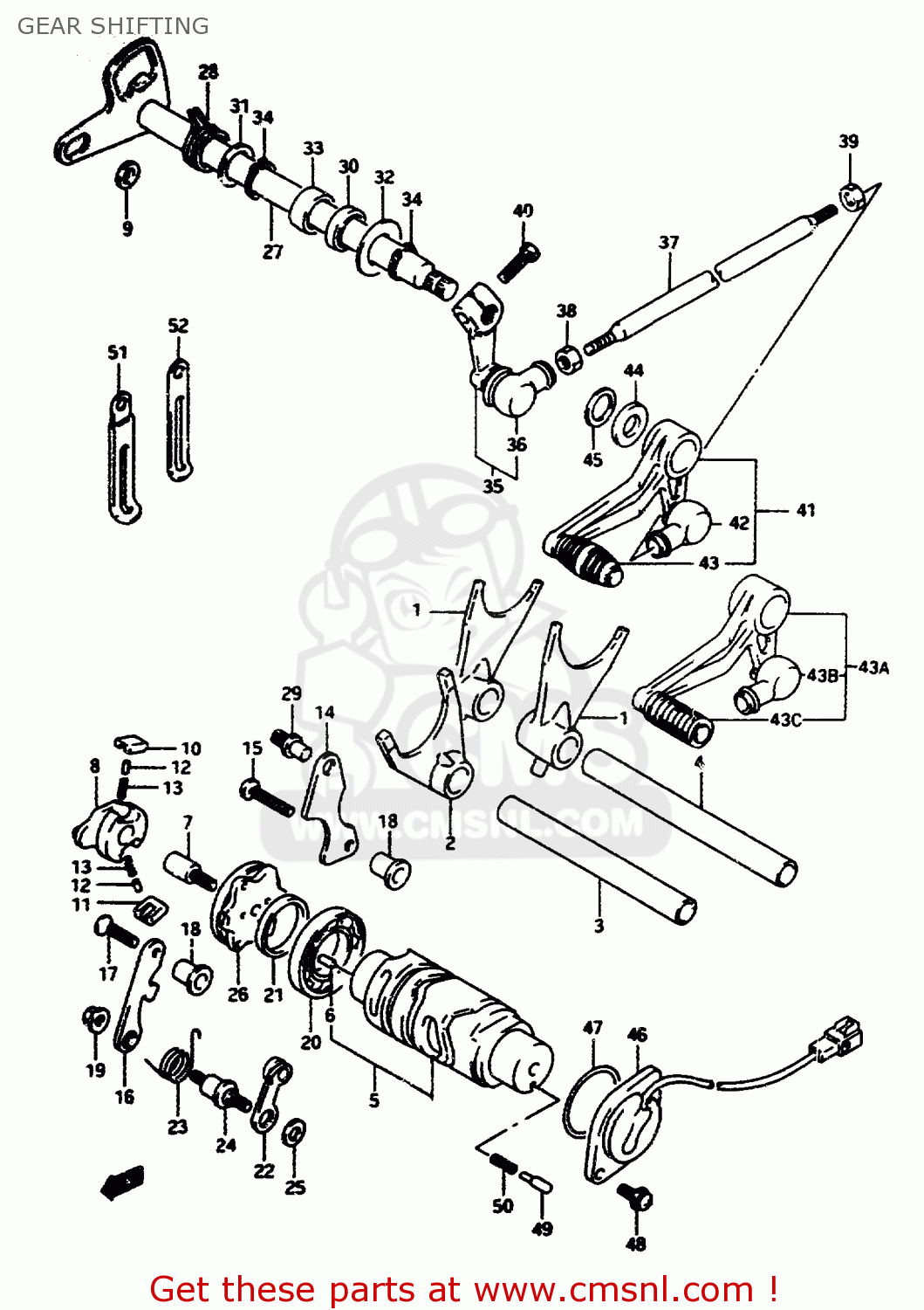
GEAR SHIFTING
RF600RU 1997 (V) (E22)
Gear shifting diagram RF600RU 1997 (V) (E22)
GEAR SHIFTING RF600RU 1997 (V) (E22)
×
prices are in EUR
ref
part #
description
quantity
1
2521117E00
ref: 1
FORK,GEAR SHIFT NO.1
€ 70.00
2
2523117E00
ref: 2
FORK,GEAR SHIFT NO.3
€ 108.50
3
2541126D01
ref: 3
SHAFT,GEAR SHIFT FORK
€ 17.50
4
2541127A00
ref: 4
SHAFT,GEAR SHIFT FORK(L:128)
€ 26.00
5
2531017E01
ref: 5
CAM,GEAR SHIFT
€ 147.00
6
0422104089
ref: 6
PIN
€ 1.50
7
2531212C00
ref: 7
PIN,SHIFT CAM DRIVEN GEAR
€ 6.50
8
2532233C01
ref: 8
<25322-33C00
SHIFTER,GEAR SHIFT CAM
€ 49.50
9
0918007014
ref: 9
SPACER(7X10X5)
€ 4.50
10
2532334201
ref: 10
PAWL,GEAR SHIFT NO.1
€ 7.00
11
2532434201
ref: 11
PAWL,GEAR SHIFT NO.2
€ 7.00
12
0926105003
ref: 12
PIN(5X8)
€ 2.00
13
0944004003
ref: 13
SPRING
€ 2.00
14
2533126D00
ref: 14
LIFTER,GEAR SHIFT PAWL
€ 6.00
15
0211206303
ref: 15
SCREW 6X30
€ 2.50
16
2534117E00
ref: 16
GUIDE,GEAR SHIFT CAM
€ 7.50
17
0212206303
ref: 17
SCREW
€ 2.00
18
0918006202
ref: 18
SPACER(6.1X10X16)
€ 4.00
19-1
0915906017
ref: 19-1
MODEL P
NUT
€ 2.50
19-2
0831610063
ref: 19-2
MODEL R/S/T/V
NUT
€ 2.50
20-1
0926225002
ref: 20-1
MODEL P
BEARING
€ 27.50
20-2
0926225006
ref: 20-2
MODEL R/S/T/V
BEARING(25X47X8)
€ 27.50
21
0916025059
ref: 21
WASHER(25X32X3)
€ 5.50
22
2535026D01
ref: 22
STOPPER,GEAR SHIFT CAM
€ 9.50
23-1
2535526D10
ref: 23-1
MODEL P/R/S
SPRING,STOPPER ARM
€ 12.00
23-2
2535526D21
ref: 23-2
MODEL T/V
SPRING,STOPPER ARM
€ 12.00
24
2535612C00
ref: 24
SUPPORT,CAM STOPPER ARM
€ 10.50
25
0821106141
ref: 25
WASHER
€ 2.50
26
2538012B00
ref: 26
PLATE,GEAR SHIFT CAM
€ 10.00
27
2551017E10
ref: 27
SHAFT,GEAR SHIFT
€ 66.00
28
0944420003
ref: 28
<09444-20002
SPRING
€ 6.50
29
2567101000
ref: 29
STOPPER,GEAR SHIFT CAM
€ 3.50
30
0928314006
ref: 30
SEAL,OIL(14X22X6)
€ 6.50
31-1
0821114221
ref: 31-1
MODEL P/R/S/T
WASHER,THRUST
€ 4.00
31-2
0918114167
ref: 31-2
MODEL V
SHIM(14X22X1)
€ 4.00
32-1
0916014034
ref: 32-1
MODEL P
WASHER
€ 3.50
32-2
0916014016
ref: 32-2
MODEL R/S/T/V
WASHER(14X29X0.8)
€ 2.00
33
0926314027
ref: 33
BEARING(14X20X12)
€ 12.00
34
0833131146
ref: 34
CIRCLIP
€ 2.00
35
2552019C02
ref: 35
ARM,GEAR SHIFT LINK
€ 58.00
36
2552647000
ref: 36
COVER,DUST
€ 4.00
37
2552521E10
ref: 37
<25525-21E00
ROD,GEAR SHIFT LINK
€ 17.00
38
0914006011
ref: 38
NUT
€ 2.00
39-1
0831011067
ref: 39-1
MODEL P
NUT 6MM
€ 2.50
39-2
0831000067
ref: 39-2
MODEL R/S/T/V
NUT
€ 2.50
40-1
0110706257
ref: 40-1
MODEL P
BOLT
€ 2.50
40-2
0150006257
ref: 40-2
MODEL R/S/T/V
BOLT
€ 2.50
41
2560017C03
ref: 41
MODEL P/R/S/T
LEVER ASSEMBLY,GEAR SHIFTING
€ 106.00
42
2552647000
ref: 42
MODEL P/R/S/T
COVER,DUST
€ 4.00
43
2565216500
ref: 43
MODEL P/R/S/T
RUBBER,GEAR SHIFT PEDAL
€ 4.50
43A
2560033E00
ref: 43A
MODEL V
LEVER ASSY,GEAR SHIFT
€ 106.00
43B
2552647000
ref: 43B
MODEL V
COVER,DUST
€ 4.00
43C
2565220C00
ref: 43C
MODEL V
RUBBER,GEAR SHIFT PEDAL
€ 8.50
44
0916014052
ref: 44
WASHER(14X27X4)
€ 4.50
45
0916018022
ref: 45
WASHER(18X24X1)
€ 3.00
46
3772048B00
ref: 46
TERMINAL BASE ASSY,NEUTRAL
€ 62.00
47-1
0928036001
ref: 47-1
MODEL P
O RING(D:2.4,ID:36.5)
€ 5.50
47-2
0928035006
ref: 47-2
MODEL R/S/T/V
O RING(D:2.4,ID:35.5)
€ 4.50
48-1
0211275168
ref: 48-1
MODEL P
SCREW
€ 2.50
48-2
0211275163
ref: 48-2
MODEL R/S/T/V
SCREW
€ 2.50
49
0920905011
ref: 49
PIN(5X15.5)
€ 2.00
50
0944004010
ref: 50
SPRING
€ 2.00
51
0940406402
ref: 51
MODEL P/R
CLAMP
€ 3.00
52-1
0940406422
ref: 52-1
MODEL P/R
CLAMP
€ 3.00
52-3
0940406429
ref: 52-3
MODEL S/T/V
CLAMP(L:45)
€ 3.00
52-4
0940406433
ref: 52-4
MODEL S/T/V
CLAMP(L:80)
€ 3.50
up
all assemblies
* COLOR CHART *
* CATALOG PREFACE *
* CONVERSION CHART *
CYLINDER HEAD COVER
CYLINDER HEAD
CYLINDER
CRANKCASE
CRANKCASE COVER
OIL PAN-OIL PUMP
CRANKSHAFT
STARTER CLUTCH
CAM SHAFT-VALVE
CAM CHAIN
CARBURETOR (MODEL T/V)
CARBURETOR FITTINGS (MODEL S/T/V)
AIR CLEANER
MUFFLER (MODEL S/T/V)
FUEL PUMP
OIL COOLER-OIL FILTER
WATER PUMP
RADIATOR
RADIATOR HOSE
CLUTCH (MODEL S/T/V)
TRANSMISSION
GEAR SHIFTING
STARTING MOTOR
ALTERNATOR (MODEL S/T/V)
SIGNAL GENERATOR (MODEL T/V)
BATTERY
ELECTRICAL
SPEEDOMETER (MODEL T/V)
HEADLAMP (MODEL T/V)
TURNSIGNAL LAMP (MODEL T/V)
TAIL LAMP
WIRING HARNESS (MODEL S/T/V)
HANDLE SWITCH
FRAME
STAND
FOOTREST
FUEL TANK (MODEL V)
FUEL COCK
FRAME COVER (MODEL V)
FRONT FENDER (MODEL S/T/V)
HANDLE BAR (MODEL R/S/T/V)
HANDLE LEVER
REAR FENDER (MODEL T/V)
COWLING BODY (MODEL V)
INSTALLATION PARTS
UNDER COWLING BODY (MODEL V)
INSTALLATION PARTS
LABEL (MODEL T/V)
SEAT (MODEL S/T/V)
FRONT DAMPER
STEERING STEM
FRONT WHEEL (MODEL S/T/V)
FRONT CALIPERS
FRONT BRAKE HOSE
FRONT MASTER CYLINDER
REAR SWINGING ARM (MODEL T/V)
REAR CUSHION LEVER
REAR WHEEL (MODEL S/T/V)
REAR CALIPER (MODEL T/V)
REAR MASTER CYLINDER
OPTIONAL
up