×
Buy Suzuki RG Parts Online
home
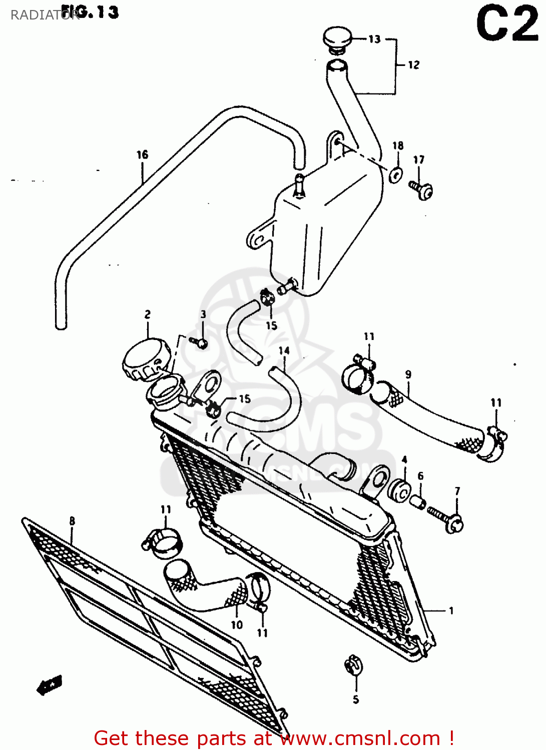
RADIATOR
RG125FU 1992 (N) (E02 E04)
Radiator diagram RG125FU 1992 (N) (E02 E04)
RADIATOR RG125FU 1992 (N) (E02 E04)
×
prices are in EUR
ref
part #
description
quantity
1
1771019D00
ref: 1
RADIATOR, WATER
€ 617.00
2
1773019D00
ref: 2
CAP COMP,RADIATOR 1.1
€ 36.50
3
1773303D00
ref: 3
SCREW,RADIATOR CAP
€ 2.00
4
0932010042
ref: 4
CUSHION
€ 4.50
5
1662827A00
ref: 5
CUSHION,OIL COOLER NO.2
€ 3.00
6
0918006213
ref: 6
SPACER (6.8X10X12)
€ 2.50
7-1
0911606131
ref: 7-1
MODEL N/P
BOLT(6X25)
€ 2.50
7-2
0911606147
ref: 7-2
MODEL R
BOLT(6X25)
€ 4.50
8
1799116710
ref: 8
NET,RADIATOR
€ 29.50
9
1785119D00
ref: 9
HOSE, RADIATOR, INLET
€ 13.00
10
1785319D00
ref: 10
HOSE,RADIATOR OUTLET
€ 12.50
11
0940225502
ref: 11
CLAMP
€ 9.50
12
1791019D00
ref: 12
TANK,RESERVOIR
€ 66.00
13
1793212C00
ref: 13
CAP,RESERVOIR TANK
€ 4.50
14
093525090100B
ref: 14
L:2000@r1120
HOSE(5X9X2000)
€ 21.50
15
0940108407
ref: 15
CLIP
€ 3.50
16
093525090100A
ref: 16
L:1000@r760
HOSE
€ 21.50
17
0913606009
ref: 17
SCREW(6X20)
€ 3.00
18
0916006006
ref: 18
WASHER
€ 2.00
up
all assemblies
* COLOR CHART *
* CATALOG PREFACE *
* CATALOG PREFACE *
* CONVERSION CHART *
CYLINDER
EXHAUST VALVE (MODEL R)
CRANKCASE
CRANKCASE COVER
CRANK SHAFT
STARTER CLUTCH
CRANK BALANCER
CARBURETOR
AIR CLEANER
MUFFLER
OIL PUMP
WATER PUMP
RADIATOR
CLUTCH
TRANSMISSION
GEAR SHIFTING
STARTING MOTOR
MAGNETO
BATTERY
ELECTRICAL
SPEEDOMETER
HEADLAMP
TURN SIGNAL LAMP (E2, E4, E15, E17, E18, E34)
REAR COMBINATION LAMP
WIRING HARNESS
FRAME
STAND - REAR BRAKE
FOOTREST
FUEL TANK
FUEL COCK
OIL TANK
SEAT (MODEL R)
FRAME COVER (MODEL R)
FRONT DAMPER (MODEL R)
STEERING STEM
FRONT FENDER
FRONT WHEEL
HANDLEBAR
HANDLE SWITCH
FRONT CALIPER
FRONT MASTER CYLINDER
REAR SWINGING ARM
REAR CUSHION LEVER
REAR FENDER
REAR WHEEL
REAR CALIPER
REAR MASTER CYLINDER
COWLING BODY (MODEL N A0Y)
CWLING BOOY (MODEL N 019)
COWLING BOOY (MODEL P ILE)
COWLING BODY (MODEL P 019)
COWLING BODY (MODEL R)
COWLING FITTING SET
OPTIONAL
up