prices are in EUR
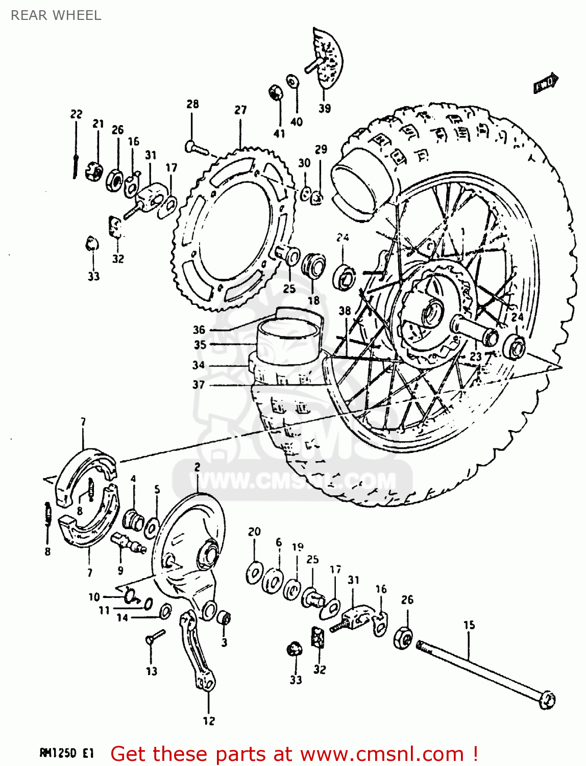
ref
part #
description
quantity
 
3
SPHERICAL BRNG,TORQUE LINK
 
 
 
4
SPACER,RR BRAKE ANCHOR PANEL
 
 
 
5
SEAL,OIL(20X27X5)
 
 
 
6
CVR,RR BRAKE AHR PNL DUST SEAL
 
 
 
7
SHOE,BRAKE (MCA)
 
 
 
8
SPRING(L:34)
 
 
 
9
CAM,FR BRAKE
 
 
 
10
SPRING
 
 
 
11
O RING(D:2.5,ID:11.4)
 
 
 
12
LEVER,RR BRAKE CAM
 
 
 
14
WASHER(12.5X20X1)
 
 
 
15
AXLE,REAR
 
 
 
16
WASHER,CHAIN ADJUSTER GUIDE
 
 
 
17
WASHER,CHAIN ADJUST GUIDE
 
 
 
18
SPACER,RR AXLE,L
 
 
 
19
SPACER,REAR AXLE,RIGHT
 
 
 
21
NUT
 
 
 
22
COTTER PIN
 
 
 
23
SPACER
 
 
 
24
BEARING
 
 
 
25
SPACER,CHAIN ADJUSTER
 
 
 
26
NUT
 
 
 
27-1
SPROCKET,RR(NT:51 AL)
 
 
 
27-2
SPROCKET,REAR (NT:52)(AL)
 
28
SCREW(8X33.5)
 
 
 
30
WASHER
 
 
 
31
ADJUSTER,CHAIN
 
 
 
32
PLATE,CHAIN ADJUSTER GUIDE,R
 
 
 
35-1
TUBE ASSEMBLY,WHEEL,INNER
 
35-2
TUBE ASSEMBLY,WHEEL,INNER
 
36-1
PROTECTOR,WHEEL,INNER
 
36-2
PROTECTOR,INNER TUBE
 
 
 
38
SPOKE SET,REAR WHEEL
 
 
 
40
WASHER
 
 
 
41
NUT
