×
Buy Suzuki RM Parts Online
home
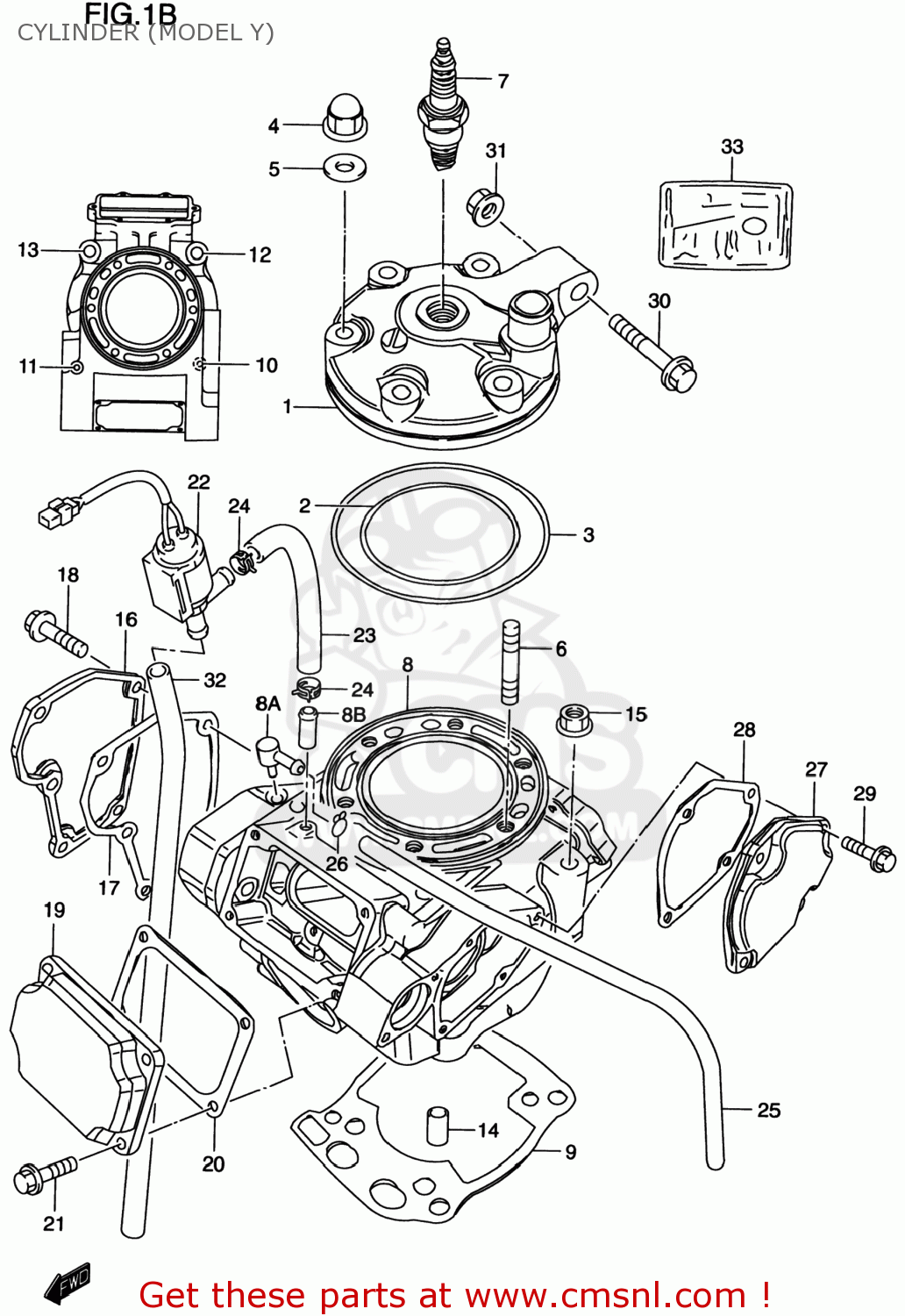
CYLINDER (MODEL Y)
RM250 1998 (W) USA (E03)
Cylinder (model y) diagram RM250 1998 (W) USA (E03)
CYLINDER (MODEL Y) RM250 1998 (W) USA (E03)
×
prices are in EUR
ref
part #
description
quantity
1
1111137E22
ref: 1
HEAD,CYLINDER
€ 142.50
2
1114728C20
ref: 2
O RING,CYLINDER HEAD NO.1
€ 14.00
3
1114828C20
ref: 3
O RING,CYLINDER HEAD NO.2
€ 8.50
4
0915908049
ref: 4
NUT
€ 7.50
5
0916808021
ref: 5
GASKET(8.5X17X2.3) (NAS)
€ 3.00
6
0910808227
ref: 6
09108-08231
BOLT,STUD
€ 5.50
7
0948200511
ref: 7
PLUG,SPARK(R6918B-7)
€ 81.50
8
1120037850
ref: 8
CYLINDER SET
€ 590.50
8A
1691009401
ref: 8A
UNION,BREATHER HOSE
€ 19.50
8B
0936407002
ref: 8B
UNION
€ 7.50
8B
0936407002
ref: 8B
UNION
€ 7.50
9
1124137E31
ref: 9
GASKET,CYLINDER (NAS)
€ 15.50
10
0142110308
ref: 10
01421-1030A
STUD 10X30
€ 3.00
11
0142110408
ref: 11
01421-1040A
STUD BOLT (L:40)
€ 2.50
12
0142110708
ref: 12
STUD BOLT (L:70)
€ 3.00
13
0142110808
ref: 13
STUD BOLT
€ 4.50
14
0920613017
ref: 14
PIN(13X10.4X20)
€ 10.00
15
0831610103
ref: 15
08316-1010B
NUT
€ 2.00
16
1123137E30
ref: 16
COVER,CYLINDER NO.1
€ 24.50
17
1123337E30
ref: 17
GASKET,CYLINDER COVER NO.1 (NAS)
€ 6.50
18
0154706163
ref: 18
01547-0616B
BOLT
€ 3.00
19
1124837E30
ref: 19
COVER,CYLINDER NO.2
€ 29.00
20
1123836E00
ref: 20
11238-36E01
GASKET,CYLINDER COVER NO.2
€ 5.00
22
1316037E40
ref: 22
13160-37E41
SOLENOID VALVE ASSEMBLY
€ 93.00
23
0935260103600
ref: 23
HOSE(6X10X600)
€ 19.50
24
0940110409
ref: 24
CLIP
€ 2.50
25
0935250823600
ref: 25
44420-44AR0
HOSE(5X8.2X600)
€ 14.00
26
0940108401
ref: 26
CLIP
€ 2.00
27
1124937E30
ref: 27
COVER,CYLINDER NO.3
€ 13.50
28
1123437E30
ref: 28
11234-37E31
GASKET,CYLINDER COVER (NAS)
€ 5.00
29
0216205163
ref: 29
02162-0516A
BOLT
€ 2.00
30
0910310126
ref: 30
BOLT(10X48)
€ 5.00
31
0915910060
ref: 31
NUT
€ 2.00
32
0935260103600
ref: 32
HOSE(6X10X600)
€ 19.50
33
1140037881
ref: 33
11400-37884
GASKET SET (NAS)
€ 91.00
up
all assemblies
AIR CLEANER
CARBURETOR (MODEL T)
CARBURETOR (MODEL V)
CARBURETOR (MODEL W/X/Y)
CLUTCH
CRANKCASE
CRANKCASE COVER- WATER PUMP
CRANKSHAFT
CYLINDER (MODEL T/V/W)
CYLINDER (MODEL X)
CYLINDER (MODEL Y)
ELECTRICAL
EXHAUST VALVE (MODEL T)
EXHAUST VALVE (MODEL V)
EXHAUST VALVE (MODEL W)
EXHAUST VALVE (MODEL X/Y)
FRAME
FRAME COVER
FRONT CALIPER
FRONT DAMPER (MODEL T)
FRONT DAMPER (MODEL V)
FRONT DAMPER (MODEL W)
FRONT DAMPER (MODEL X)
FRONT DAMPER (MODEL Y)
FRONT FENDER
FRONT MASTER CYLINDER (MODEL T/V/W)
FRONT MASTER CYLINDER (MODEL X/Y)
FRONT WHEEL (MODEL T)
FRONT WHEEL (MODEL V/W/X/Y)
FUEL COCK
FUEL TANK
GEAR SHIFTING
HANDLE LEVER
HANDLEBAR
KICK STARTER
LABEL
MAGNETO
MUFFLER
RADIATOR
REAR BRAKE
REAR CALIPER
REAR CUSHION LEVER (MODEL T/V)
REAR CUSHION LEVER (MODEL W/X)
REAR CUSHION LEVER (MODEL Y)
REAR FENDER
REAR MASTER CYLINDER
REAR SWINGING ARM (MODEL T)
REAR SWINGING ARM (MODEL V)
REAR SWINGING ARM (MODEL W)
REAR SWINGING ARM (MODEL X)
REAR SWINGING ARM (MODEL Y)
REAR WHEEL (MODEL T/V/W/X)
REAR WHEEL (MODEL Y)
SEAT
SHOCK ABSORBER (MODEL T)
SHOCK ABSORBER (MODEL V)
SHOCK ABSORBER (MODEL W)
SHOCK ABSORBER (MODEL X)
SHOCK ABSORBER (MODEL Y)
STAND - FOOTREST
STEERING STEM (MODEL T/V/W)
STEERING STEM (MODEL X/Y)
TRANSMISSION
up