×
Buy Suzuki RV Parts Online
home
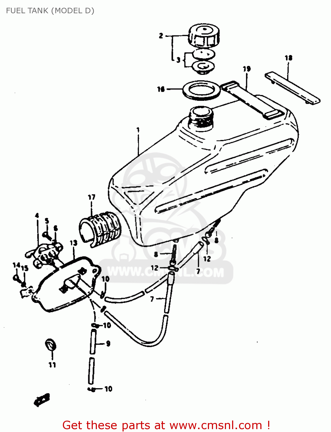
FUEL TANK (MODEL D)
RV50 1981 (X) (E01)
Fuel tank (model d) diagram RV50 1981 (X) (E01)
FUEL TANK (MODEL D) RV50 1981 (X) (E01)
×
prices are in EUR
ref
part #
description
quantity
1
4411127201
ref: 1
TANK, FUEL
€ 60.50
2
4420027810
ref: 2
CAP SET,FUEL TANK FILLER
€ 18.50
3
4466018818
ref: 3
GASKET,OIL TANK CAP (NAS)
€ 12.50
4
4430027211
ref: 4
COCK ASSY,FUEL
€ 52.00
5
0211205168
ref: 5
SCREW
€ 2.50
6
0832121058
ref: 6
LOCK WASHER
€ 2.00
7
0934305096
ref: 7
HOSE,FUEL
€ 15.50
8
4432227001
ref: 8
FILTER,FUEL
€ 4.50
9
0934305165
ref: 9
HOSE,FUEL
€ 14.00
10
0940108402
ref: 10
CLIP
€ 2.00
11
0930810002
ref: 11
GROMMET
€ 1.50
12
0940110401
ref: 12
CLIP
€ 2.00
13-1
443702720014C
ref: 13-1
PLATE, FUEL COCK (RED)
€ 13.00
13-2
443702720005H
ref: 13-2
PLATE, FUEL COCK (BLUE)
€ 13.00
14
0912805101
ref: 14
SCREW(5X12)
€ 1.50
15
0832121058
ref: 15
LOCK WASHER
€ 2.00
16
4426127200
ref: 16
CUSHION, TANK UPPER
€ 6.50
17
4454127000
ref: 17
CUSHION,FUEL TANK
€ 7.00
18
4454527200
ref: 18
CUSHION, TANK REAR
€ 2.00
19
0946200034
ref: 19
BAND
€ 5.00
up
all assemblies
* COLOR CHART *
* CATALOG PREFACE *
* CONVERSION CHART *
CYLINDER
TRANSMISSION
GEAR SHIFTING
KICK STARTER
MAGNETO
MAGNETO (E4, E18, E39)
ELECTRICAL
SPEEDOMETER
HEADLAMP
HEADLAMP (E4)
HEADLAMP (E18, E39)
CRANKCASE
HEADLAMP (E19, E21)
HEADLAMP (E22)
TURN SIGNAL LAMP
TURN SIGNAL LAMP (E18)
TURN SIGNAL LAMP (E21)
TURN SIGNAL LAMP (E22)
TURN SIGNAL LAMP (E39)
REAR COMBINATION LAMP
REAR COMBINATION LAMP (E4, E18, E21, E39)
REAR COMBINATION LAMP (E19)
CRANKCASE COVER
REAR COMBINATION LAMP (E22)
WIRING HARNESS
FRAME (MODEL X)
FRAME (MODEL D)
STAND - FOOTREST
CENTER STAND (E18, E22, E39, E41)
FUEL TANK (MODEL X)
FUEL TANK (MODEL D)
SEAT
OIL TANK
PISTON - CRANKSHAFT
FRONT FORK
HEADLAMP HOUSING - FRONT FENDER
HEADLAMP HOUSING - FRONT FENDER
FRONT WHEEL
HANDLEBAR - CABLE
HANDLE SWITCH
HANDLE SWITCH (E22)
HANDLE SWITCH (E41)
REAR SWINGING ARM
REAR SWINGING ARM (E22, E39)
CARBURETOR
REAR SWINGING ARM (E41)
REAR WHEEL
OPTIONAL
AIR CLEANER
MUFFLER
OIL PUMP
CLUTCH
up