×
Buy Suzuki SP Parts Online
home
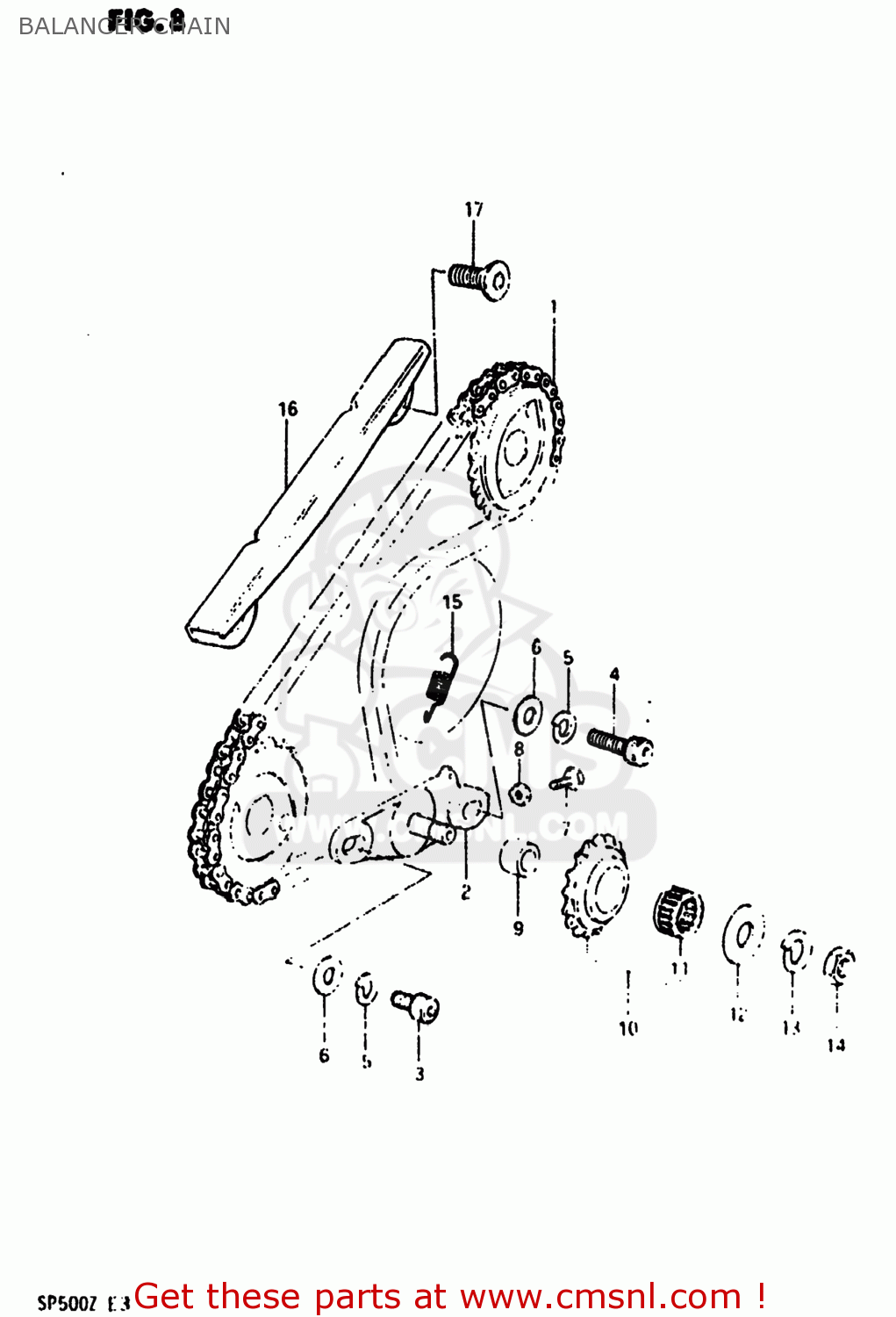
BALANCER CHAIN
SP500 1982 (Z) USA (E03)
Balancer chain diagram SP500 1982 (Z) USA (E03)
BALANCER CHAIN SP500 1982 (Z) USA (E03)
×
prices are in EUR
ref
part #
description
quantity
1
1267037440
ref: 1
12670-12D00
GOVERNOR ASSEMBLY,EXHAUST
€ 121.50
2
1268137401
ref: 2
BRACKET,BALANCER CHAIN TENSIONER
€ 0.00
3
0910608005
ref: 3
BOLT(8X22)
€ 2.00
4
0910608013
ref: 4
07130-0830A
BOLT
€ 3.50
5
0832121088
ref: 5
08321-01087
LOCK WASHER
€ 2.50
6
0832221088
ref: 6
08322-01087
WASHER
€ 2.50
7
0910005006
ref: 7
BOLT 5X20
€ 2.00
8
0831032058
ref: 8
08310-00057
NUT
€ 2.50
9
1268437400
ref: 9
12684-37402
SPACER,TENSIONER SPROCKET
€ 8.50
10
1268537452
ref: 10
12685-44B00
ROD,EXHAUST VALVE
€ 75.00
11
0926317007
ref: 11
BEARING(17X23X12)
€ 13.00
12
0821112303
ref: 12
WASHER
€ 2.50
13
0832121128
ref: 13
08321-01127
WASHER,LOCK 12
€ 2.50
14
0914012021
ref: 14
NUT
€ 2.50
15
0944310022
ref: 15
SPRING
€ 4.50
16
1269537451
ref: 16
GUIDE,BALANCER CHAIN
€ 17.50
17
0912008005
ref: 17
SCREW
€ 1.50
up
all assemblies
AIR CLEANER
BALANCER CHAIN
BATTERY
CAM CHAIN
CAM SHAFT - VALVE
CARBURETOR
CHAIN CASE
CLUTCH
CRANK BALANCER
CRANKCASE (MODEL X)
CRANKCASE (MODEL Z)
CRANKCASE COVER
CRANKSHAFT
CYLINDER
CYLINDER HEAD
ELECTRICAL
FOOTREST
FRAME
FRAME COVER (MODEL X)
FRAME COVER (MODEL Z)
FRONT FORK (MODEL X)
FRONT FORK (MODEL Z)
FRONT WHEEL
FUEL COCK
FUEL TANK (MODEL X)
FUEL TANK (MODEL Z)
GEAR SHIFTING
HANDLEBAR
HEADLAMP
HEADLAMP HOUSING - FRONT FENDER
KICK STARTER
LEFT HANDLE SWITCH (MODEL X)
LEFT HANDLE SWITCH (MODEL Z)
MAGNETO
MUFFLER
OIL PUMP
REAR COMBINATION LAMP
REAR FENDER
REAR SWINGING ARM
REAR WHEEL
RIGHT HANDLE SWITCH (MODEL X)
RIGHT HANDLE SWITCH (MODEL Z)
SEAT
SPEEDOMETER - TACHOMETER
STAND - REAR BRAKE
STEERING STEM (MODEL X)
STEERING STEM (MODEL Z)
TRANSMISSION
TURN SIGNAL LAMP
WIRING HARNESS
up