×
Buy Suzuki TM Parts Online
home
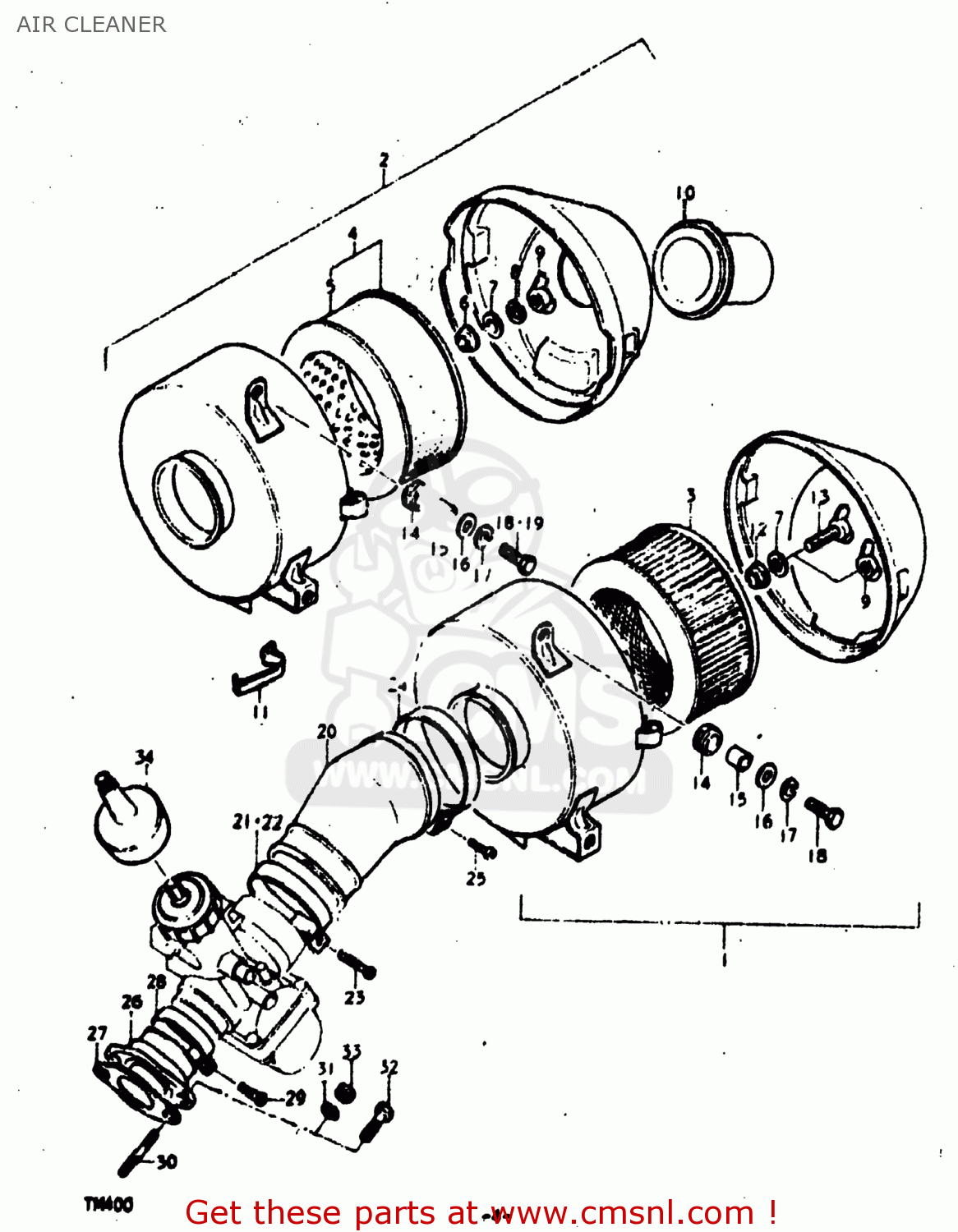
AIR CLEANER
TM400 1973 (K) USA (E03)
Air cleaner diagram TM400 1973 (K) USA (E03)
AIR CLEANER TM400 1973 (K) USA (E03)
×
prices are in EUR
ref
part #
description
quantity
1
1370016511
ref: 1
CLEANER ASSEMBLY,AIR
€ 0.00
2-1
1370016610
ref: 2-1
CLEANER ASSEMBLY,AIR
€ 0.00
2-2
1370032310
ref: 2-2
CLEANER ASSEMBLY,AIR
€ 0.00
3-1
1378016511
ref: 3-1
FILTER,AIR CLEANER
€ 14.00
3-2
1378016510
ref: 3-2
FILTER,AIR CLEANER
€ 28.00
4-1
1378030710
ref: 4-1
FILTER,AIR CLEANER
€ 26.00
4-2
1378030410
ref: 4-2
FILTER,AIR CLEANER
€ 0.00
5-1
1378130710
ref: 5-1
13780-30710
ELEMENT,AIR CLEANER
€ 26.00
5-2
1378130711
ref: 5-2
13780-30710
ELEMENT,AIR CLEANER
€ 26.00
6
1374229010
ref: 6
NO PRODUCT DESCRIPTION AVAILABLE
€ 1.50
7
0832221068
ref: 7
08322-01067
WASHER
€ 2.00
7
0832221068
ref: 7
08322-01067
WASHER
€ 2.00
8
0832121068
ref: 8
08321-01067
LOCK WASHER
€ 2.50
9-1
0831711068
ref: 9-1
NUT
€ 2.00
9-2
0914406002
ref: 9-2
NUT
€ 2.00
10
1372232310
ref: 10
PIPE, INLET
€ 0.00
11
1373116512
ref: 11
SPRING,AIR CLEANER
€ 1.50
12
1374205010
ref: 12
NO PRODUCT DESCRIPTION AVAILABLE
€ 0.00
13
1375116510
ref: 13
NO PRODUCT DESCRIPTION AVAILABLE
€ 0.00
14
0932008007
ref: 14
09320-08021
CUSHION
€ 4.00
15
0918007005
ref: 15
09180-06259
SPACER (7X9X7)
€ 2.50
16
0916006027
ref: 16
09160-06077
WASHER (6.5X20X1.2)
€ 2.00
17
0832121068
ref: 17
08321-01067
LOCK WASHER
€ 2.50
18
0111206258
ref: 18
01500-06257
BOLT
€ 2.00
18
0111206258
ref: 18
01500-06257
BOLT
€ 2.00
19
0111206208
ref: 19
01500-06207
BOLT
€ 2.00
19
0111206208
ref: 19
01500-06207
BOLT
€ 2.00
20-1
1388116500
ref: 20-1
TUBE,AIR CLEANER OUTLET
€ 11.50
20-2
1388132100
ref: 20-2
TUBE,AIR CLEANER OUTLET
€ 10.50
20-3
1388132101
ref: 20-3
TUBE,AIR CLEANER OUTLET
€ 10.50
21-1
0940200092
ref: 21-1
09402-66306
CLAMP
€ 7.50
21-2
0940266306
ref: 21-2
CLAMP
€ 7.50
22
0940266304
ref: 22
CLAMP
€ 7.50
23
0211105257
ref: 23
02112-05257
SCREW
€ 2.00
24-1
0940200213
ref: 24-1
09402-80306
CLAMP
€ 2.50
24-2
0940280306
ref: 24-2
CLAMP
€ 2.50
25
0211105207
ref: 25
02112-05207
SCREW
€ 3.00
26
1311016500
ref: 26
PIPE,INTAKE
€ 65.50
27
1312515000
ref: 27
GASKET,CARBURETOR (NAS)
€ 6.00
28
0940200246
ref: 28
09402-52306
CLAMP
€ 6.00
29
0211105207
ref: 29
02112-05207
SCREW
€ 3.00
30
0142108168
ref: 30
01421-0816A
STUD BOLT
€ 2.00
31
0832121088
ref: 31
08321-01087
LOCK WASHER
€ 2.00
32
0112208208
ref: 32
01500-08207
BOLT
€ 3.00
33
0831211088
ref: 33
08310-00087
NUT
€ 2.00
34-1
1368130100
ref: 34-1
13681-16601
CAP
€ 7.00
34-2
1368116601
ref: 34-2
CAP
€ 7.00
up
all assemblies
AIR CLEANER
CARBURETOR
CLUTCH
COVER
CRANKSHAFT
CYLINDER - CRANKCASE
FLYWHEEL MAGNETO
FRAME - OIL TANK
FRAME COVER
FRONT FORK
FRONT WHEEL
FUEL TANK - SEAT
GEAR SHIFTING
HANDLE SWITCH
HANDLEBAR - FRONT FENDER
IGNITION COIL - C.D. IGNITION
KICK STARTER
MUFFLER
OIL PUMP
REAR FENDER
REAR SWINGING ARM
REAR WHEEL
STAND - BRAKE PEDAL
TOOL SET
TRANSMISSION
up