×
Buy Suzuki TS Parts Online
home
TS400 1977 (B) USA (E03)
AIR CLEANER (L
20 products
AIR CLEANER (TS400K)
24 products
BATTERY (A
15 products
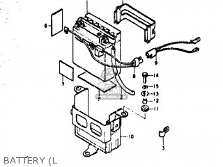
BATTERY (L
15 products
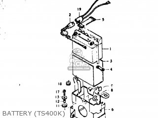
BATTERY (TS400K)
19 products
CABLE
8 products
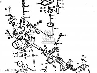
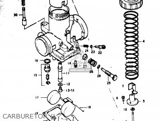
CARBURETOR (A
58 products
CARBURETOR (L
41 products
CARBURETOR (TS400K)
35 products
CHAIN CASE
8 products
CLUTCH
28 products
CRANKCASE
20 products
CRANKCASE COVER
25 products
CRANKSHAFT
35 products
CYLINDER
35 products
ELECTRICAL
20 products
FRAME
19 products
FRAME COVER (L
22 products
FRAME COVER (TS400K)
13 products
FRONT FENDER
24 products
FRONT FORK (L
62 products
FRONT FORK (TS400K)
40 products
FRONT TURN SIGNAL LAMP (A
14 products
FRONT TURN SIGNAL LAMP (K
16 products
FRONT WHEEL (L
55 products
FRONT WHEEL (TS400K)
44 products
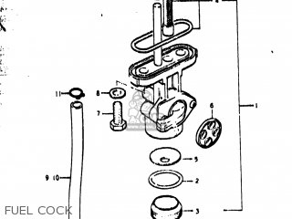
FUEL COCK
18 products
FUEL TANK (1)
17 products
FUEL TANK (2)
20 products
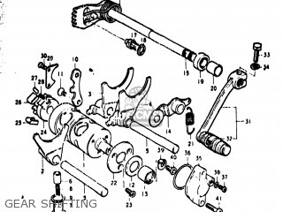
GEAR SHIFTING
50 products
HANDLEBAR - CONTROL CABLE
55 products
HEADLAMP (A
9 products
HEADLAMP (K
10 products
HEADLAMP (TS400M)
11 products
HEADLAMP HOUSING
13 products
HORN
16 products
IGNITION SWITCH
13 products
KICK STARTER
24 products
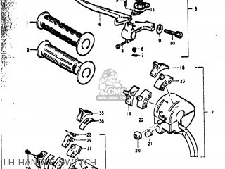
LH HANDLE SWITCH
42 products
MAGNETO (A
24 products
MAGNETO (K
19 products
MUFFLER (L
35 products
MUFFLER (TS400K)
32 products
OIL PUMP
22 products
OIL PUMP DRIVE GEAR
14 products
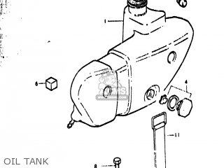
OIL TANK
13 products
REAR BRAKE
15 products
REAR COMBINATION LAMP (L
19 products
REAR COMBINATION LAMP (TS400B)
15 products
REAR COMBINATION LAMP (TS400K)
19 products
REAR FENDER (A
22 products
REAR FENDER (L
25 products
REAR FENDER (TS400K)
24 products
REAR SWINGING ARM
43 products
REAR TURN SIGNAL LAMP (A
22 products
REAR TURN SIGNAL LAMP (K
22 products
REAR WHEEL
57 products
RH HANDLE SWITCH
27 products
SEAT
16 products
SECOND MUFFLER (L
23 products
SPEEDOMETER - TACHOMETER (A
19 products
SPEEDOMETER - TACHOMETER (K
24 products
SPEEDOMETER - TACHOMETER (TS400M)
17 products
STAND - FOOTREST (L
24 products
STAND - FOOTREST (TS400K)
14 products
TRANSMISSION
44 products
WIRING HARNESS
27 products
up
popular products
4521126001
STRIKER,SEAT LOCK
Suzuki
0926104005
ROLLER(4X23.8)
Suzuki
5115316511
SEAL,OIL
Suzuki
0947112035
BULB(12V23W)
Suzuki