×
Buy Suzuki TS Parts Online
home
CRANKCASE
TS400 1977 (B) USA (E03)
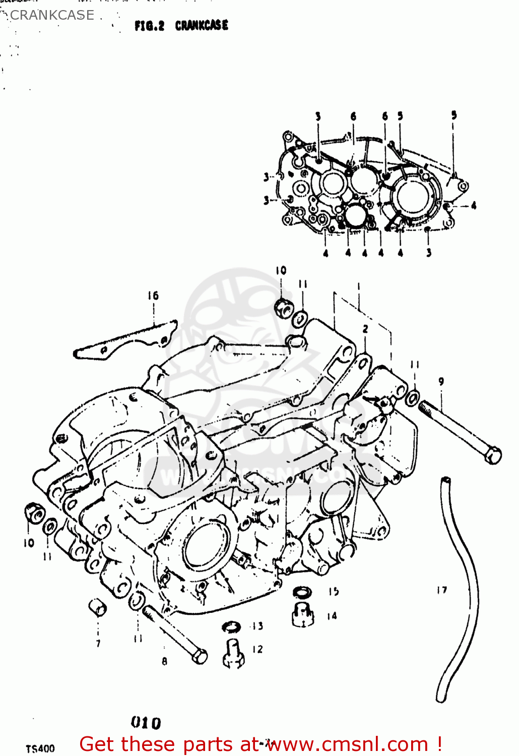
Crankcase diagram TS400 1977 (B) USA (E03)
CRANKCASE TS400 1977 (B) USA (E03)
×
prices are in EUR
ref
part #
description
quantity
1-1
1130032820
ref: 1-1
11300-32822
CRANKCASE SET
€ 366.00
1-2
1130032810
ref: 1-2
CRANKCASE SET
€ 366.00
1-3
1130032821
ref: 1-3
11300-32822
CRANKCASE SET
€ 366.00
2
1148116500
ref: 2
11481-16501
GASKET,CRANKCASE (NAS)
€ 16.50
3
0211206508
ref: 3
02112-06507
SCREW
€ 3.00
4
0211206608
ref: 4
02112-06607
SCREW 6X60
€ 3.00
5
0211206708
ref: 5
02112-06707
SCREW 6X70
€ 3.50
6
0211206808
ref: 6
02112-06807
SCREW 6X80
€ 3.50
7
0920613001
ref: 7
04211-13189
PIN
€ 2.50
8
0112210908
ref: 8
01550-10907
BOLT
€ 4.00
9
0910010070
ref: 9
09100-10280
BOLT
€ 5.50
10
0915910011
ref: 10
NUT
€ 3.50
11
0832211108
ref: 11
08322-01107
WASHER
€ 2.50
12
0924710001
ref: 12
PLUG
€ 3.50
13
0916810002
ref: 13
GASKET(10X14X3.6) (NAS)
€ 3.00
14-1
0924714007
ref: 14-1
09247-14025
PLUG
€ 4.00
14-2
0924714001
ref: 14-2
09247-14002
PLUG
€ 5.50
15
0916814004
ref: 15
GASKET(14X19.2X2) (NAS)
€ 2.50
16
2487116500
ref: 16
PLATE,OIL RESERVOIR
€ 2.00
17
0934405015
ref: 17
HOSE
€ 1.50
up
all assemblies
AIR CLEANER (L
AIR CLEANER (TS400K)
BATTERY (A
BATTERY (L
BATTERY (TS400K)
CABLE
CARBURETOR (A
CARBURETOR (L
CARBURETOR (TS400K)
CHAIN CASE
CLUTCH
CRANKCASE
CRANKCASE COVER
CRANKSHAFT
CYLINDER
ELECTRICAL
FRAME
FRAME COVER (L
FRAME COVER (TS400K)
FRONT FENDER
FRONT FORK (L
FRONT FORK (TS400K)
FRONT TURN SIGNAL LAMP (A
FRONT TURN SIGNAL LAMP (K
FRONT WHEEL (L
FRONT WHEEL (TS400K)
FUEL COCK
FUEL TANK (1)
FUEL TANK (2)
GEAR SHIFTING
HANDLEBAR - CONTROL CABLE
HEADLAMP (A
HEADLAMP (K
HEADLAMP (TS400M)
HEADLAMP HOUSING
HORN
IGNITION SWITCH
KICK STARTER
LH HANDLE SWITCH
MAGNETO (A
MAGNETO (K
MUFFLER (L
MUFFLER (TS400K)
OIL PUMP
OIL PUMP DRIVE GEAR
OIL TANK
REAR BRAKE
REAR COMBINATION LAMP (L
REAR COMBINATION LAMP (TS400B)
REAR COMBINATION LAMP (TS400K)
REAR FENDER (A
REAR FENDER (L
REAR FENDER (TS400K)
REAR SWINGING ARM
REAR TURN SIGNAL LAMP (A
REAR TURN SIGNAL LAMP (K
REAR WHEEL
RH HANDLE SWITCH
SEAT
SECOND MUFFLER (L
SPEEDOMETER - TACHOMETER (A
SPEEDOMETER - TACHOMETER (K
SPEEDOMETER - TACHOMETER (TS400M)
STAND - FOOTREST (L
STAND - FOOTREST (TS400K)
TRANSMISSION
WIRING HARNESS
up