prices are in EUR
ref
part #
description
quantity
 
 
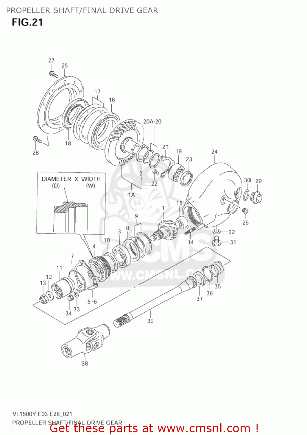
GEAR & CASE SET,FINAL BEVEL
 
1
GEAR,FINAL DRIVE BEVEL
 
 
 
1A
GEAR,FINAL DRIVEN BEVEL
 
 
 
3
BEARING(28X68X18)
 
 
 
4
STOPPER,FINAL DRIVE BEARING
 
 
 
5
PLATE,BEARING STOPPER
 
 
 
6
PLATE,BEARING STOPPER
 
 
 
7
O RING(D:3.1,ID:63.9)
 
 
 
8
WASHER(54X68X1.5)
 
 
 
9
SHIM SET,FINAL DRIVE GEAR
 
 
 
10
SEAL,OIL
 
 
 
11
COUPLING,FINAL DRIVE GEAR
 
 
 
12
WASHER(16X29X4)
 
 
 
13
NUT
 
 
 
14
BOLT
 
 
 
15
BEARING(20X34X18)
 
 
 
16
BEARING(85X130X14)
 
 
 
17
SHIM SET,FINAL DRIVEN GEAR
 
 
 
18
SEAL,OIL(70X110X14.7)
 
 
 
19
BEARING(35X48X23.7)
 
 
 
20
WASHER(35X46X0.95)
 
 
 
20A
SHIM SET,FINAL DRIVEN GEAR
 
20A
SHIM SET,FINAL DRIVEN GEAR
 
21
RETAINER,FINAL DRIVEN GEAR BRG
 
22
SCREW
 
 
 
23
SEAL,OIL(35X43X5)
 
 
 
25
CASE,FINAL GEAR BEARING
 
 
 
26-1
PLUG
 
 
 
26-2
PLUG,16X8
 
 
 
27
BOLT
 
 
 
28
BOLT
 
 
 
29
PLUG,30X9
 
 
 
30
O RING(D:3.1,ID:26.4)
 
 
 
31-1
PLUG
 
 
 
31-2
PLUG(MAGNETO)
 
 
 
32
GASKET(13.8X18.8X4.8) (NAS)
 
 
 
33
WASHER
 
 
 
34
NUT
 
 
 
35
SPRING
 
 
 
36
CIRCLIP
 
 
 
37
SEAL,OIL(30X40.5X5.5)
 
 
 
38
YOKE COMP,UNIVERSAL JOINT
 
39
SHAFT,PROPELLER
