×
Buy Suzuki DR Parts Online
home
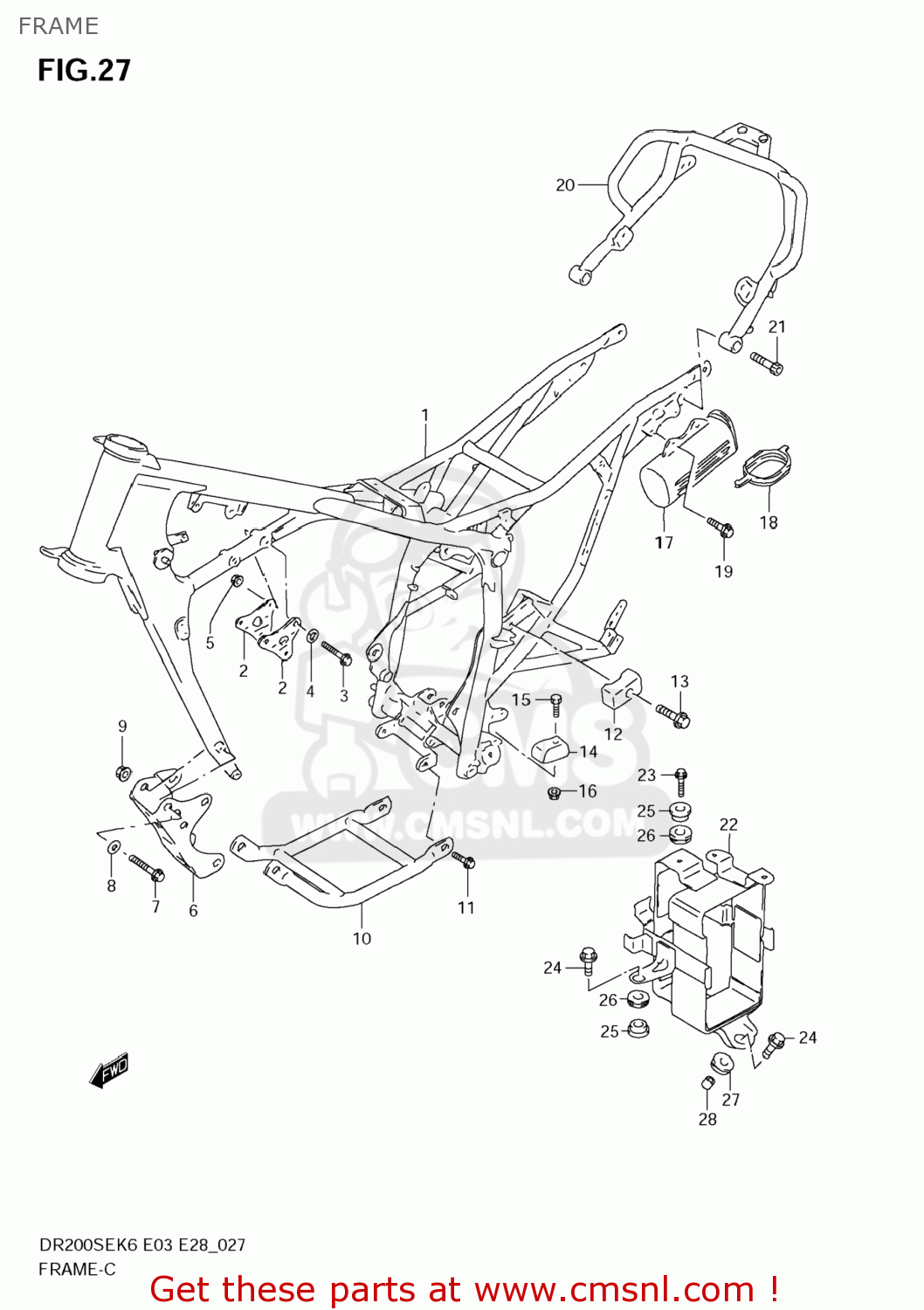
FRAME
DR200SE 2006 (K6) USA (E03)
Frame diagram DR200SE 2006 (K6) USA (E03)
FRAME DR200SE 2006 (K6) USA (E03)
×
prices are in EUR
ref
part #
description
quantity
1-1
4110044AD1YU8
ref: 1-1
FRAME (GRAY)
€ 731.00
1-2
4110044AL0YU8
ref: 1-2
FRAME(GRAY)
€ 1,171.50
1-3
4110044AP0YU8
ref: 1-3
FRAME(GRAY)
€ 1,171.50
2
4199142A00291
ref: 2
PLATE,ENGINE MOUNT UPR
€ 15.00
3
0910308332
ref: 3
BOLT(8X53)
€ 4.00
4
083210108B
ref: 4
WASHER,LOCK
€ 2.50
5
083193108B
ref: 5
NUT
€ 2.50
6
4199244AA1YU8
ref: 6
PLATE,ENG MTG LWR
€ 0.00
7
0910308328
ref: 7
BOLT(8X65)
€ 4.00
8
083210108B
ref: 8
WASHER,LOCK
€ 2.50
9
083193108B
ref: 9
NUT
€ 2.50
10
4251044AA0YU8
ref: 10
PROTECTOR,ENGINE(SILVER)
€ 0.00
11
015511016B
ref: 11
BOLT
€ 0.00
12
4391144A00
ref: 12
GUIDE,CH CONTROL UPR
€ 11.50
13
015800635B
ref: 13
BOLT
€ 3.50
14
4391242AA0
ref: 14
GUIDE,CHAIN CONTROL LWR
€ 18.00
15
0912806006
ref: 15
09128-06057
BOLT(6X20)
€ 2.00
16
083193106B
ref: 16
NUT
€ 2.50
17
4155138200
ref: 17
41551-38201
HOLDER,TOOL
€ 18.50
18
4155237210
ref: 18
CAP,HOLDER
€ 5.50
19-1
0911606165
ref: 19-1
BOLT(6X16)
€ 3.00
19-2
0911606211
ref: 19-2
BOLT(6X20)
€ 0.00
20
4398044AB2YU8
ref: 20
GRIP,RR
€ 0.00
21
0910608105
ref: 21
BOLT(8X30)
€ 3.50
22
4154044AA0
ref: 22
HOLDER,BATTERY
€ 67.00
23
015500620B
ref: 23
BOLT
€ 2.50
24-1
0911606131
ref: 24-1
BOLT(6X25)
€ 2.50
24-2
0911606047
ref: 24-2
BOLT(6X25)
€ 2.50
25
0916906065
ref: 25
WASHER
€ 4.00
26
0932008021
ref: 26
CUSHION
€ 4.50
27
0932010501
ref: 27
CUSHION
€ 6.00
28
0918006285
ref: 28
SPACER(6.5X10X9)
€ 3.00
up
all assemblies
AIR CLEANER
BATTERY
CAM CHAIN
CAMSHAFT/VALVE
CARBURETOR
CLUTCH
CRANKCASE
CRANKCASE COVER
CRANKSHAFT
CYLINDER
CYLINDER HEAD
ELECTRICAL
EVAP SYSTEM (E33)
FOOTREST
FRAME
FRAME COVER (MODEL K6/K7/K8)
FRAME COVER (MODEL K9)
FRONT CALIPER
FRONT DAMPER
FRONT MASTER CYLINDER
FRONT WHEEL
FUEL COCK
FUEL TANK (MODEL K6/K7)
FUEL TANK (MODEL K8/K9)
GASKET SET
GEAR SHIFTING
HANDLE LEVER
HANDLE SWITCH
HANDLEBAR
HEADLAMP
HEADLAMP COVER (MODEL K6/K7)
HEADLAMP COVER (MODEL K8/K9)
LABEL
MAGNETO
MUFFLER
OIL PUMP
REAR COMBINATION LAMP
REAR CUSHION LEVER
REAR FENDER
REAR SWINGING ARM
REAR WHEEL
SEAT
SPEEDOMETER
STAND
STARTER CLUTCH
STARTING MOTOR
STEERING STEM
TRANSMISSION
TURN SIGNAL LAMP
WIRING HARNESS
up