×
Buy Suzuki DR Parts Online
home
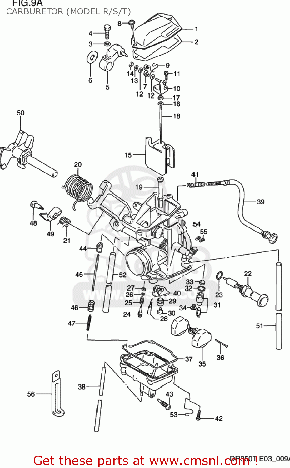
CARBURETOR (MODEL R/S/T)
DR350 1995 (S) USA (E03)
Carburetor (model r/s/t) diagram DR350 1995 (S) USA (E03)
CARBURETOR (MODEL R/S/T) DR350 1995 (S) USA (E03)
×
prices are in EUR
ref
part #
description
quantity
1320014D03
ref:
CARBURETOR ASSEMBLY
€ 518.50
1
1326127A00
ref: 1
COVER,CARBURETOR,TOP
€ 14.50
2
1326627A00
ref: 2
GASKET,CARBURETOR TOP (NAS)
€ 6.50
3
0832101053
ref: 3
08321-0105A
LOCK,WASHER
€ 3.00
4
0150005163
ref: 4
01500-0516B
BOLT
€ 1.50
5
1354114A00
ref: 5
13541-13E00
ARM,THROTTLE
€ 37.50
6
1357438200
ref: 6
13575-38200
RING,THROTTLE SHAFT
€ 5.00
7
1344714A00
ref: 7
PLATE
€ 18.00
8
0211234103
ref: 8
02112-3410A
SCREW
€ 2.00
9
1344614A00
ref: 9
SPRING
€ 4.00
10
1339827A02
ref: 10
CONNECTOR
€ 19.50
11
0211203123
ref: 11
02112-0312B
SCREW
€ 2.50
12
1344514A00
ref: 12
GASKET (NAS)
€ 3.50
13-1
1344914A00
ref: 13-1
09160-04024
WASHER
€ 2.00
13-2
0916004021
ref: 13-2
09160-04024
WASHER
€ 2.00
14-1
1329849000
ref: 14-1
13415-38300
E-RING
€ 2.00
14-2
1341538300
ref: 14-2
E RING
€ 2.00
15
1355114D00
ref: 15
VALVE,PISTON
€ 126.00
16
1338247010
ref: 16
WASHER,JET NEEDLE
€ 4.00
17
1339410010
ref: 17
CLIP
€ 5.00
18
1338314D00
ref: 18
NEEDLE,JET
€ 15.00
19
0949400681
ref: 19
JET,NEEDLE(P-8)
€ 24.50
20
1357342A20
ref: 20
SPRING
€ 9.00
21
1349414D00
ref: 21
SPRING
€ 7.00
22
1341114D00
ref: 22
PLUNGER ASSY
€ 39.00
23
1337446710
ref: 23
O RING
€ 4.50
24
1327947070
ref: 24
SCREW,PILOT
€ 12.50
25
1326847070
ref: 25
SPRING
€ 5.50
26
1329129900
ref: 26
WASHER
€ 2.00
27
1329529900
ref: 27
O RING,PILOT AIR SCREW
€ 4.00
28
0949235017
ref: 28
JET,PILOT(37.5)
€ 12.00
29
1333113A00
ref: 29
RING,MAIN JET FIXING
€ 6.00
30
0949125011
ref: 30
JET,MAIN(127.5)
€ 11.00
31
1337037100
ref: 31
13370-05530
VALVE ASSEMBLY,NEEDLE
€ 68.50
32
1337444080
ref: 32
13374-35C00
O-RING,NEEDLE VALVE
€ 6.00
33
1337684110
ref: 33
13376-19F00
FILTER
€ 7.00
34
1360243410
ref: 34
SCREW
€ 2.50
35
1325028A00
ref: 35
FLOAT
€ 36.00
36
1325492311
ref: 36
PIN,FLOAT
€ 2.00
37
1325127A00
ref: 37
O RING,FLOAT CHAMBER
€ 9.50
38
0935230503600
ref: 38
HOSE(3X5X600)
€ 9.50
39
1326714D00
ref: 39
ADJUSTER ASSY
€ 44.50
40
1333114D00
ref: 40
13331-13E00
RING
€ 5.50
41
1326814D00
ref: 41
SPRING
€ 4.00
42-1
1360104148
ref: 42-1
SCREW
€ 3.00
42-2
0211204163
ref: 42-2
02112-0416A
SCREW 4X16
€ 1.00
43
1324713A00
ref: 43
13247-02340
SCREW,DRAIN
€ 6.00
44
1349944500
ref: 44
BOOT, ACCELE PUMP ROD
€ 12.00
45
1348714D00
ref: 45
ROD
€ 9.00
46
1349327A00
ref: 46
PLUNGER
€ 10.00
47
1327109400
ref: 47
SPRING
€ 5.50
48
1361314A00
ref: 48
BOLT
€ 8.50
49
1349014A00
ref: 49
LEVER
€ 10.50
50
1355314D00
ref: 50
SHAFT ASSEMBLY
€ 64.00
51
0935250903600
ref: 51
HOSE(5X9X600)
€ 33.50
52
0935250903600
ref: 52
HOSE(5X9X600)
€ 33.50
53
1369219C00
ref: 53
CLIP
€ 6.00
54
0949370009
ref: 54
JET,MAIN AIR(0.7)
€ 14.00
55
0949322005
ref: 55
JET,AIR(1.1)
€ 12.00
56-1
0940406402
ref: 56-1
09404-06432
CLAMP
€ 3.00
56-2
0940406429
ref: 56-2
CLAMP(L:45)
€ 3.00
up
all assemblies
AIR CLEANER
CAM CHAIN
CAM SHAFT - VALVE (MODEL L/M/N/P)
CAM SHAFT - VALVE (MODEL R/S/T)
CARBURETOR (MODEL L/M/N/P)
CARBURETOR (MODEL R/S/T)
CLUTCH
CRANK BALANCER
CRANKCASE
CRANKCASE COVER
CRANKSHAFT
CYLINDER
CYLINDER HEAD
ELECTRICAL
FOOTREST
FRAME
FRAME COVER (MODEL L/M)
FRAME COVER (MODEL N/P/R/S)
FRAME COVER (MODEL T)
FRONT CALIPER (MODEL L/M)
FRONT CALIPER (MODEL N/P/R/S/T)
FRONT DAMPER (MODEL L/M/N/P)
FRONT DAMPER (MODEL R/S/T)
FRONT FENDER
FRONT MASTER CYLINDER
FRONT WHEEL
FUEL COCK
FUEL TANK (MODEL L/M)
FUEL TANK (MODEL N/P)
FUEL TANK (MODEL R/S/T)
GEAR SHIFTING
HANDLEBAR
HEADLAMP
HEADLAMP COVER (MODEL L/M)
HEADLAMP COVER (MODEL N/P/R/S/T)
KICK STARTER
LEFT KNUCKLE COVER
MAGNETO (MODEL L/M/N)
MAGNETO (MODEL P/R/S/T)
MUFFLER
OIL COOLER (OPTIONAL)
OIL HOSE
OIL PUMP
REAR CALIPER (MODEL L/M)
REAR CALIPER (MODEL N/P)
REAR CALIPER (MODEL R/S/T)
REAR CUSHION LEVER
REAR FENDER - LABEL (MODEL L/M/N/P)
REAR FENDER - LABEL (MODEL R/S/T)
REAR MASTER CYLINDER
REAR SHOCK ABSORBER
REAR SWINGING ARM (MODEL L/M/N/P)
REAR SWINGING ARM (MODEL R/S/T)
REAR WHEEL (MODEL L/M/N/P)
REAR WHEEL (MODEL R/S/T)
RIGHT KNUCKLE COVER
SEAT
STAND - REAR BRAKE
STEERING STEM
TAIL LAMP
TRANSMISSION (E.NO.106033~)
TRANSMISSION (~E.NO.106032)
TRIP METER
WIRING HARNESS
up