×
Buy Suzuki GS Parts Online
home
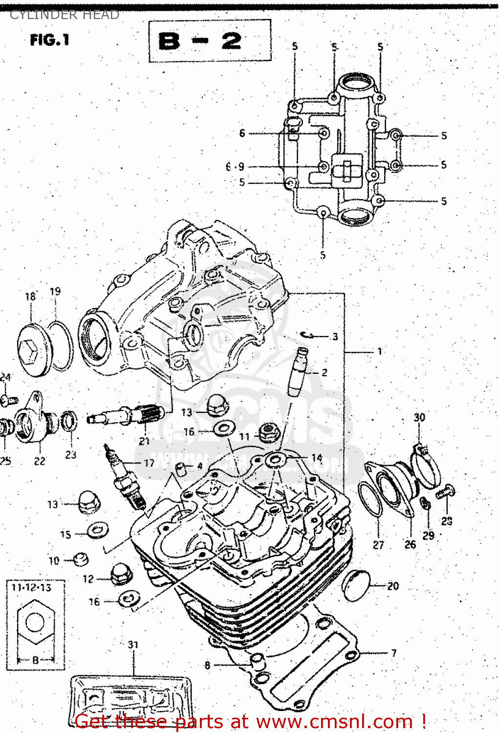
CYLINDER HEAD
GS125ES 1990 (L) AUSTRALIA (E24)
Cylinder head diagram GS125ES 1990 (L) AUSTRALIA (E24)
CYLINDER HEAD GS125ES 1990 (L) AUSTRALIA (E24)
×
prices are in EUR
ref
part #
description
quantity
1-1
1110005261
ref: 1-1
MODEL Z,ARROW RIGHT1
HEAD ASSEMBLY,CYLINDER
€ 761.00
1-2
1110009270
ref: 1-2
MODEL D,ARROW RIGHT1
HEAD ASSY, CYLINDER
€ 0.00
1-3
1110005272
ref: 1-3
MODEL F/K/L/M/R
HEAD ASSY,CYLINDER
€ 544.50
2
1111505270
ref: 2
GUIDE,VALVE
€ 20.00
3
0938110004
ref: 3
RING,SNAP
€ 1.50
4
0920608001
ref: 4
PIN(6.2X8X11)
€ 2.00
5-1
0151706358
ref: 5-1
MODEL Z
BOLT 6X35
€ 3.00
5-2
0151706354
ref: 5-2
MODEL D/F/K/L/M
BOLT 6X35
€ 3.00
5-3
0155006353
ref: 5-3
MODEL R
BOLT
€ 3.00
6-1
0151706608
ref: 6-1
MODEL Z
BOLT (6X60)
€ 3.00
6-2
0151706605
ref: 6-2
MODEL D/F/K/L/M
BOLT ,6X60
€ 3.00
6-3
0155006603
ref: 6-3
MODEL R
BOLT
€ 3.00
7
1114105201
ref: 7
GASKET,CYLINDER HEAD (NAS)
€ 8.00
8
0421111169
ref: 8
PIN
€ 2.00
9
0916806023
ref: 9
GASKET(5.8X13X1.2) (NAS)
€ 2.00
10
1115145000
ref: 10
PAD,CYLINDER HEAD
€ 3.50
11-1
0915908031
ref: 11-1
NUT
€ 2.00
11-2
0831616088
ref: 11-2
NUT
€ 2.50
11-3
0831610083
ref: 11-3
MODEL R
NUT
€ 3.00
12-1
0915908029
ref: 12-1
NUT
€ 6.50
12-2
0915908074
ref: 12-2
NUT
€ 7.50
13-1
0915908035
ref: 13-1
NUT (8MM)
€ 6.50
13-2
0915908064
ref: 13-2
NUT (8MM)
€ 7.50
13-3
0915908074
ref: 13-3
MODEL R
NUT
€ 7.50
14
0916008039
ref: 14
WASHER(8.5X19X2.3)
€ 2.50
15-1
0916008053
ref: 15-1
MODEL Z/D/F/K/L/M
WASHER (8.5X19X2.3)
€ 2.50
15-2
0916006039
ref: 15-2
MODEL R
WASHER (6.5X18X1.6)
€ 2.00
16-1
0916808012
ref: 16-1
MODEL Z/D/F/K/L/M
GASKET (NAS)
€ 5.00
16-2
0916808021
ref: 16-2
MODEL R
GASKET(8.5X17X2.3) (NAS)
€ 3.00
17-1
0948200144
ref: 17-1
SPARK PLUG D8EA
€ 3.50
17-2
0948200145
ref: 17-2
SPARK PLUG X24ES-U
€ 3.50
17-3
0948200399
ref: 17-3
E2,E4,E6,E15,E17,E18
PLUG,SPARK(DR8EA)
€ 3.50
17-4
0948200223
ref: 17-4
E2,E4,E6,E15,E17,E18
PLUG,SPARK(X24ESR-U)
€ 3.50
18-1
1117537111
ref: 18-1
MODEL Z
CAP,INSPECTION HOLE
€ 15.50
18-2
1117532400
ref: 18-2
MODEL D/F/K/L/M
CAP,INSPECTION
€ 10.50
18-3
1117542A00
ref: 18-3
MODEL R
CAP,INSPECTION
€ 10.50
19
0928030001
ref: 19
O RING(D:3,ID:29.5)
€ 2.00
20
0924122002
ref: 20
PLUG(OD:22.5)
€ 6.00
21
2643105201
ref: 21
GEAR,TACHOMETER DRIVEN
€ 21.50
22
2644149000
ref: 22
SLEEVE,TACHOMETER DRIVE GEAR
€ 19.50
23
2645145000A
ref: 23
SEAL,TACHOMETER DRIVEN
€ 4.50
24
0912805101
ref: 24
SCREW(5X12)
€ 1.50
25
0928905002
ref: 25
SEAL,OIL(5X12X8)
€ 11.00
26-1
1311005310
ref: 26-1
MODEL Z/D/F/K
PIPE, INTAKE
€ 25.50
26-2
1311005300
ref: 26-2
GS125ESK/ESL E24 MOD
PIPE,INTAKE
€ 37.00
27
0928032006
ref: 27
O RING(D:2.4,ID:31.7)
€ 2.50
28-1
0211206164
ref: 28-1
MODEL Z/D/F/K/L/M
SCREW
€ 2.00
28-2
0211236163
ref: 28-2
MODEL R
SCREW
€ 2.50
29
0832121064
ref: 29
MODEL Z/D/F/K/L/M
WASHER,LOCK
€ 2.50
30-1
0940246208
ref: 30-1
MODEL Z/D/F/K
CLAMP
€ 5.00
30-2
0940244208
ref: 30-2
GS125ESK/ESL E24 MOD
CLAMP
€ 6.50
31-1
1140105861
ref: 31-1
GASKET SET (NAS)
€ 86.50
31-2
1140005853
ref: 31-2
GS125Z/D/UR
GASKET SET
€ 47.50
up
all assemblies
* COLOR CHART *
* CATALOG PREFACE *
* CATALOG PREFACE *
* CONVERSION CHART *
CYLINDER HEAD
STARTER CLUTCH
CAM SHAFT - VALVE (MODEL Z/D)
CAM SHAFT - VALVE (MODEL F/K/L/M/R)
CAM CHAIN
CARBURETOR (MODEL Z/D/F/K)
CARBURETOR (GS125ESK/ESL E24, MODEL M/R)
AIR CLEANER (MODEL Z/D/F/K)
AIR CLEANER (GS125ESK/ESL E24, MODEL M/R)
AIR CLEANER (GS125 UR E71)
MUFFLER
OIL PUMP
CLUTCH
TRANSMISSION
CYLINDER
GEAR SHIFTING
KICK STARTER (GS125Z/D,UR E71)
STARTING MOTOR (GS125ESZ/EZ/ESD/ESF/ESK/ESL)
STARTING MOTOR (GS125ESM/ESR)
MAGNETO (GS125ESZ/EZ/ESD/ESF/ESK/ESL/ESM/ESR)
MAGNETO (GS125Z/D/UR E71)
BATTERY
ELECTRICAL (GS125ESZ/EZ/ESD/ESF/ESK/ESL/ESM/ESR)
ELECTRICAL (GS125Z/D,UR E71)
SPEEDOMETER-TACHOMETER(GS125ESZ/EZ/ESD/ESF/ESK/ESL/ESM/ESR)
SPEEDOMETER - TACHOMETER (GS125Z/D,UR E71)
CRANKCASE (GS125ESZ, GS125EZ)
HEACLAMP (E1,E2,E24,E30,E71)
HEADLAMP (E4,E15,E17,E18,E39)
HEADLAMP (E34)
TURN SIGNAL LAMP (E1,E4,E6,E24,E71,MODEL Z/D/F E2)
TURN SIGNAL LAMP (E15,E17,E18,E39)
TURN SIGNAL LAMP (E34)
TURN SIGNAL LAMP (E30)
TURN SIGNAL LAMP (MODEL K/M/R E2)
REAR COMBINATION LAMP
WIRING HARNESS
FRAME
CRANKCASE (GS125Z)
STAND
REAR BRAKE
FOOTREST
FUEL TANK
FUEL COCK
SEAT
SEAT TAIL COVER
FRAME COVER (MODEL Z)
FRAME COVER (MODEL D)
FRAME COVER (MODEL F/K/L)
FRAME COVER (MODEL M/R)
CRANKCASE (GS125ESD/ESF/ESK/ESL/ESM/ESR)
FRONT FORK
FRONT FORK (GS125EZ E17)
FRONT FORK (GS125Z/D)
FRONT FORK (GS125UR E71)
FRONT FENDER - HEADLAMP HOUSING
FRONT WHEEL (GS125ESZ/EZ/ESD/ESF/ESK/ESL/ESM/ESR)
FRONT WHEEL (GS125Z/D)
FRONT WHEEL (GS125UR)
HANDLEBAR-FRONT CABLE(GS125ESZ/EZ/ESD/ESF/ESK/ESL/ESM/ESR)
HANDLEBAR - FRONT CABLE (GS125Z/D)
HANDLEBAR - FRONT CABLE (GS125UR)
HANDLE SWITCH (GS125ESE/EZ/ESD/ESF)
HANDLE SWITCH (GS125ESK/ESL/ESM/ESR)
HANDLE SWITCH (GS125Z/D,UR E71)
CRANKCASE (GS125D,GS125UR)
FRONT CALIPERS (MODEL Z)
FRONT CALIPERS (MODEL D/F/K/L/M)
FRONT CALIPER (MODEL R)
FRONT BRAKE HOSE
FRONT MASTER CYLINDER (MODEL Z/D/F)
FRONT MASTER CYLINDER (MODEL K/L/M/R)
REAR SWINGING ARM
REAR SWINGING ARM (E15,E17)
CHAIN CASE - SHOCK ABSORBER
REAR FENDER (MODEL Z/D/F/K/L/M)
REAR FENDER (MODEL R)
REAR WHEEL (GS125ESZ/EZ/ESD/ESF/ESK/ESL/ESM/ESR)
REAR WHEEL (GS125Z/D)
REAR WHEEL (GS125UR)
CRANKCASE COVER (GS125ESZ/EZ/ESD/ESF/ESK/ESL/ESM/ESR)
COWLING (GS125ESZ)
COWLING (GS125ESD)
COWLING (GS125ESF/ESK/ESL)
COWLING (GS125ESM/ESR)
OPTIONAL
CRANKCASE COVER (GS125Z/D/UR)
CRANKSHAFT
up