prices are in EUR
ref
part #
description
quantity
 
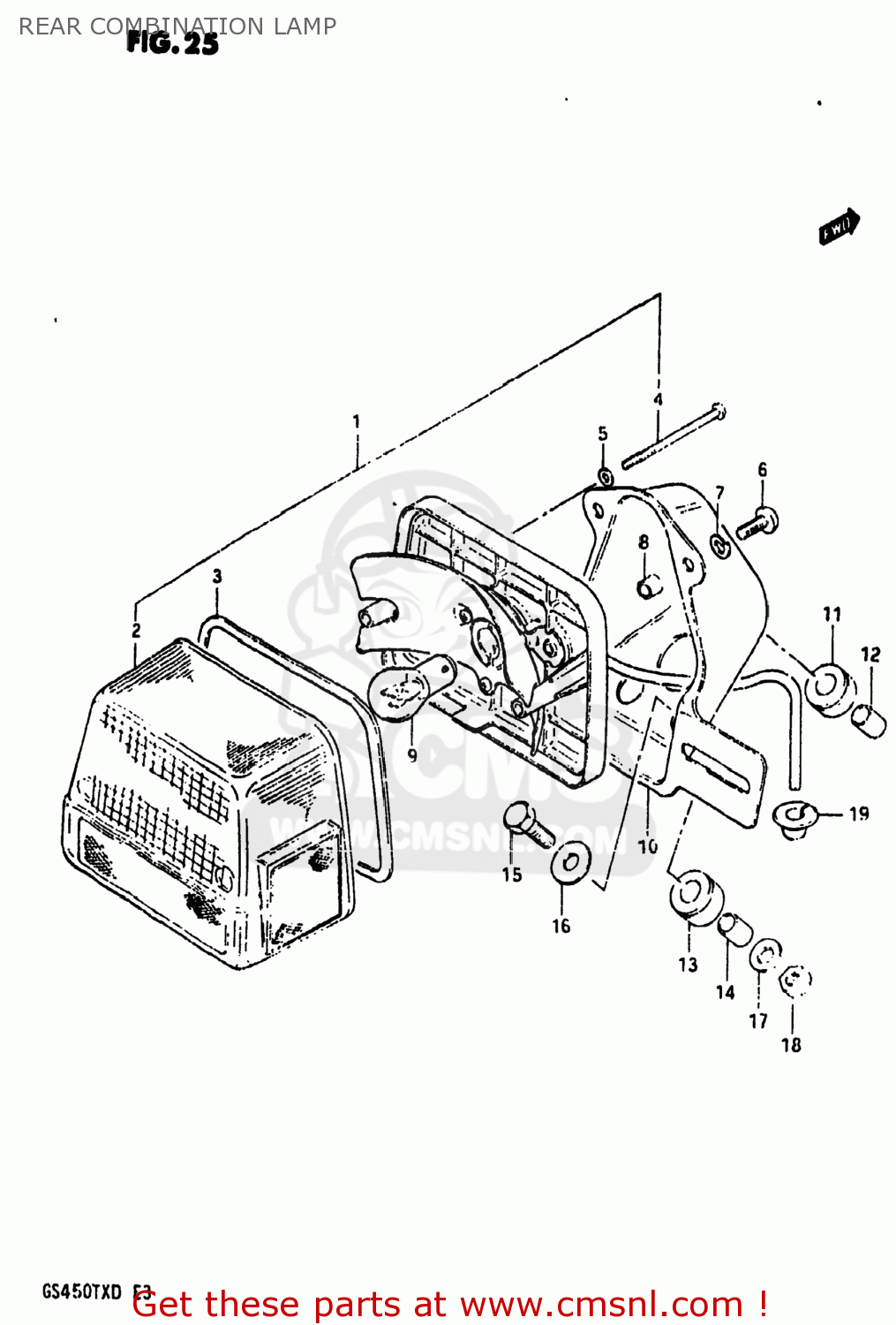
1
LAMP UNIT,RR COMBNATION
 
2
LENS
 
 
 
3
GASKET (NAS)
 
 
 
4
SCREW
 
 
 
5
GASKET (NAS)
 
 
 
6
SCREW
 
 
 
7
LOCK WASHER
 
 
 
9
BULB(12V23W)
 
 
 
10
BRACKET,REAR COMBINATION LAMP
 
11
CUSHION
 
 
 
12
SPACER
 
 
 
13
CUSHION,REAR COMBINATION LAMP
 
14
SPACER,REAR COMBINATION LAMP
 
16
WASHER (6.5X20X1.2)
 
 
 
17
WASHER
 
 
 
18
NUT
 
 
 
19
GROMMET
