Buy Suzuki GS Parts Online

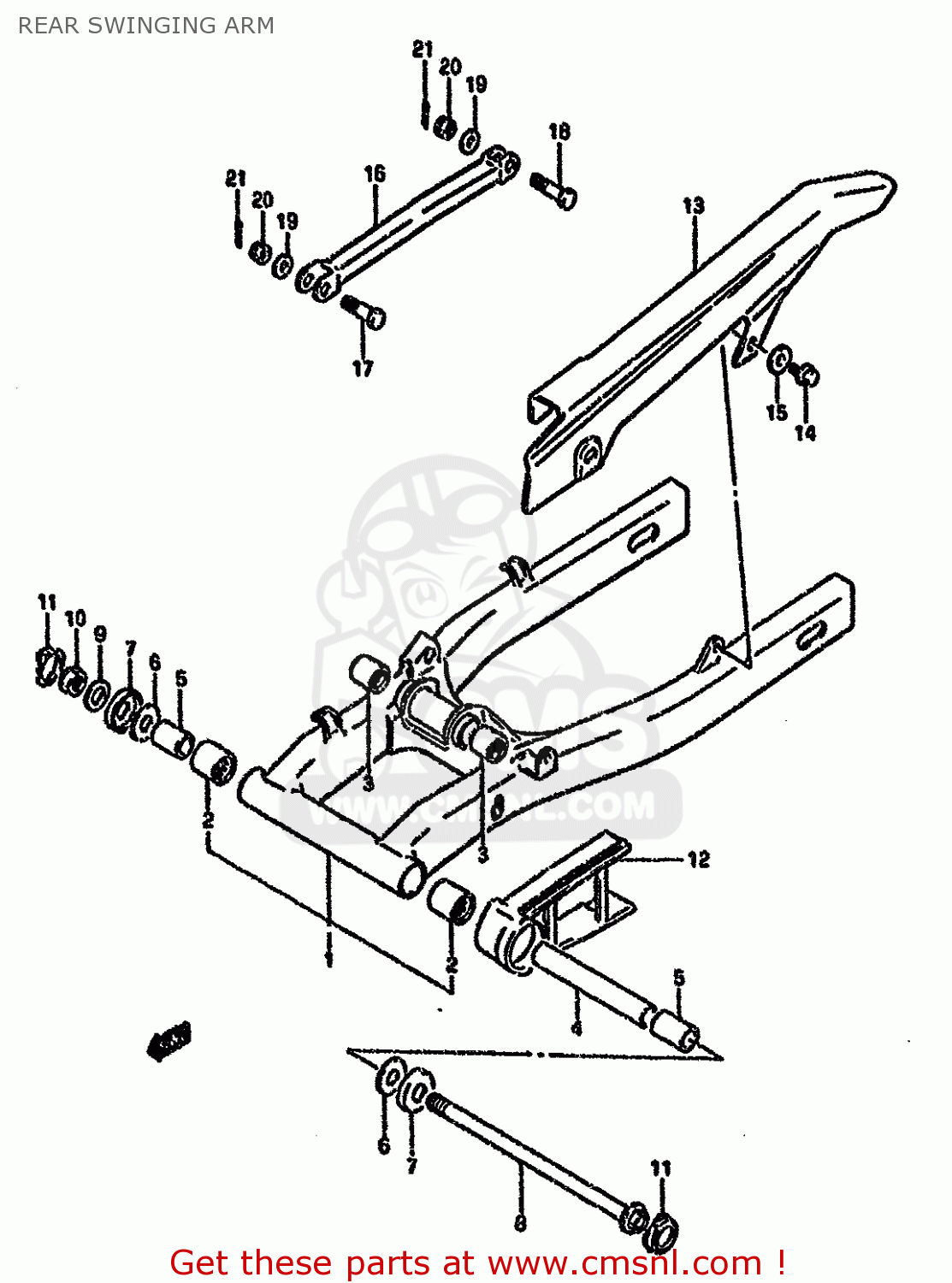
REAR SWINGING ARM

GS500EU 1996 (T) GERMANY AUSTRALIA (E22 E24)

Rear swinging arm diagram GS500EU 1996 (T) GERMANY AUSTRALIA (E22 E24)

REAR SWINGING ARM GS500EU 1996 (T) GERMANY AUSTRALIA (E22 E24)
REAR SWINGING ARM GS500EU 1996 (T) GERMANY AUSTRALIA (E22 E24)
REAR SWINGING ARM GS500EU 1996 (T) GERMANY AUSTRALIA (E22 E24)
prices are in EUR
ref
part #
description
quantity
1-1
6100001D010FP
ref: 1-1

MODEL K/L/M/N/P
SWING ARM ASSEMBLY,REAR
6100001D010FP
€ 596.50

1-2
6100001D0113L
ref: 1-2

MODEL R
SWING ARM ASSEMBLY,REAR
€ 596.50

1-3
6100001D0213L
ref: 1-3

MODEL S
SWING ARM ASSEMBLY,REAR
€ 596.50

1-4
6100001D0213L
ref: 1-4

MODEL T E37 F.NO.137
SWING ARM ASSEMBLY,REAR
€ 596.50

1-5
6100001D1013L
ref: 1-5

MODEL T E37 F.NO.137
SWINGINGARM ASSY,RR
6100001D1013L
€ 596.50

1-6
6100001D1013L
ref: 1-6

MODEL T
SWINGINGARM ASSY,RR
6100001D1013L
€ 596.50

2
0926322017
ref: 2
BEARING(22X29X30)
0926322017
€ 20.50

3
0926317037
ref: 3
BEARING(17X24X25)
0926317037
€ 19.00

4
6128201D00
ref: 4
SPACER,RR SWGARM PIVOT CTR
6128201D00
€ 13.50

5
6125145001
ref: 5
SPACER,RR SWGARM PIVOT
6125145001
€ 10.50

6
0916014020
ref: 6
WASHER(14.2X34X1)
0916014020
€ 3.00

7
6126245002
ref: 7
CVR,RR SWGARM DUST SEAL(OD:40)
6126245002
€ 4.50

8
6121130B00
ref: 8
SHAFT,RR SWINGINGARM PIVOT
6121130B00
€ 22.50

9
0916014009
ref: 9
WASHER(14.5X29X2.3)
0916014009
€ 3.50

10
0915914019
ref: 10
NUT
0915914019
€ 9.50

11
6122248B00
ref: 11
CAP,RR SWINGING ARM PIVOT
6122248B00
€ 4.50

12
6127301D00
ref: 12
BUFFER,CHAIN TOUCH DEFENSE
6127301D00
€ 28.50

13
6131001D00
ref: 13
CASE,CHAIN
6131001D00
€ 38.50

14-1
0151706105
ref: 14-1

MODEL K/L/M/N/P
BOLT
€ 3.00

14-2
0155006103
ref: 14-2

MODEL R
BOLT
0155006103
€ 3.00

14-3
0214206123
ref: 14-3

MODEL S/T
SCREW 6X12
0214206123
€ 2.00

15
0916906026
ref: 15
WASHER
0916906026
€ 2.50

16-1
6431001D010FP
ref: 16-1

MODEL K
LINK,REAR TORQUE
€ 21.00

16-2
6431001D02
ref: 16-2

MODEL L/M/N/P/R/S/T
TORQUELINK,RR
6431001D02
€ 21.00

17
0911110016
ref: 17
BOLT(10X41)
0911110016
€ 6.50

18
0910110036
ref: 18
BOLT(10X35)
0910110036
€ 5.00

19
0916010069
ref: 19
WASHER (10X18X3.2)
€ 2.00

20-1
0831441108
ref: 20-1

MODEL K/L/M/N/P
NUT
0831441108
€ 3.00

20-2
0831440103
ref: 20-2

MODEL R/S/T
NUT
0831440103
€ 3.00

21
0411120208
ref: 21
PIN 20X20
0411120208
€ 1.50