Buy Suzuki GS Parts Online

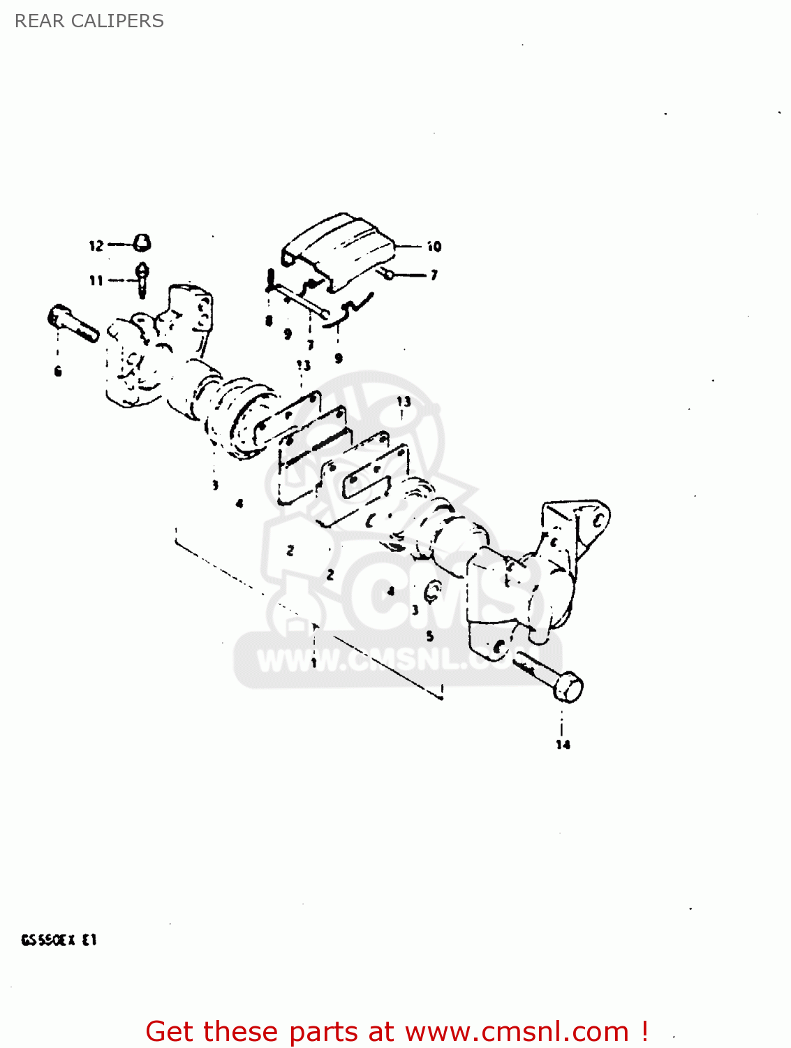
REAR CALIPERS

GS550E 1981 (X) (E01 E02 E04 E18 E21 E22 E24 E25 E26 E30 E34)

Rear calipers diagram GS550E 1981 (X) (E01 E02 E04 E18 E21 E22 E24 E25 E26 E30 E34)

REAR CALIPERS GS550E 1981 (X) (E01 E02 E04 E18 E21 E22 E24 E25 E26 E30 E34)
REAR CALIPERS GS550E 1981 (X) (E01 E02 E04 E18 E21 E22 E24 E25 E26 E30 E34)
REAR CALIPERS GS550E 1981 (X) (E01 E02 E04 E18 E21 E22 E24 E25 E26 E30 E34)
prices are in EUR
ref
part #
description
quantity
0
6910034200
ref: 0
CALIPER ASSEMBLY,REAR
€ 547.00

1
6910034810
ref: 1
PISTON SET
€ 98.00

2
6913045020
ref: 2
PAD,BRAKE
€ 66.50

3
5910718410
ref: 3
SEAL,PISTON
5910718410
€ 17.00

4
6910845000
ref: 4
BOOT,PISTON
6910845000
€ 10.00

5
6910734200
ref: 5
SEAL,JOINT
6910734200
€ 13.50

6
6914534200
ref: 6
BOLT,CALIPER HOUSING
6914534200
€ 10.50

7
6914145000
ref: 7
PIN,PAD
6914145000
€ 7.50

8
6914245000
ref: 8
CLIP,PAD PIN
6914245000
€ 5.00

9
6914345001
ref: 9
SPRING
6914345001
€ 8.50

10
6915145000
ref: 10
COVER,DUST
6915145000
€ 26.50

11
5912118410
ref: 11
BLEEDER
5912118410
€ 8.50

12
5912218410
ref: 12
CAP,BREATHER
5912218410
€ 6.50

13
6915245001
ref: 13
SHIM,RR CALIPER
6915245001
€ 10.00

14
0152710308
ref: 14
BOLT
€ 4.00