×
Buy Suzuki GS Parts Online
home
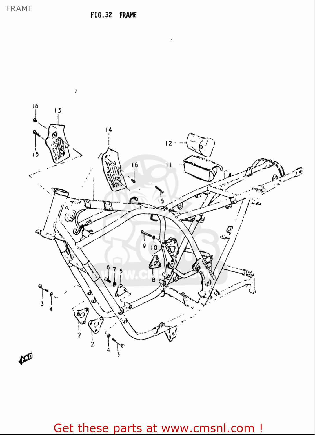
FRAME
GS550L 1979 (N) USA (E03)
Frame diagram GS550L 1979 (N) USA (E03)
FRAME GS550L 1979 (N) USA (E03)
×
prices are in EUR
ref
part #
description
quantity
3
0150008603
ref: 3
BOLT
€ 2.50
4
0832101087
ref: 4
WASHER,LOCK
€ 2.50
6
0150008207
ref: 6
BOLT
€ 3.50
7
0832101087
ref: 7
WASHER,LOCK
€ 2.50
9
0150008557
ref: 9
BOLT
€ 3.50
10
0832101087
ref: 10
WASHER,LOCK
€ 2.50
12
0980006801
ref: 12
TOOL ASSY
€ 52.00
15
0214205503
ref: 15
SCREW
€ 2.00
16
0214205107
ref: 16
SCREW
€ 2.50
up
all assemblies
CYLINDER HEAD COVER
CYLINDER HEAD
CYLINDER
CRANKCASE
CRANKCASE RH COVER
CRANKCASE LH COVER
OIL PAN
CRANKSHAFT
STARTER CLUTCH
CAM SHAFT - VALVE
CAM CHAIN
CARBURETOR
AIR CLEANER
MUFFLER
OIL PUMP
CLUTCH
CLUTCH RELEASE
TRANSMISSION
GEAR SHIFTING
KICK STARTER
STRATING MOTOR (NIPPON DENSO)
STARTING MOTOR (MITUBA ELECTRIC)
GENERATOR
CONTACT BREAKER
BATTERY
COMBINATION METER
HEADLAMP
TURN SIGNAL LAMP
REAR COMBINATION LAMP
ELECTRICAL
WIRING HARNESS
FRAME
STAND - BRAKE PEDAL
FOOTREST
FUEL TANK
SEAT
FRAME COVER
FRONT FORK
STEERING STEM
FRONT WHEEL
HANDLEBAR - FRONT FENDER
RH HANDLE SWITCH
LH HANDLE SWITCH
FRONT CARIPERS
FRONT MASTER CYLINDER
BRAKE HOSE
REAR SWINGING ARM
CHAIN CASE - SHOCK ABSORBER
REAR FENDER
REAR WHEEL
REAR CARIPERS
REAR BRAKE HOSE
REAR MASTER CYLINDER
OPTIONAL
up