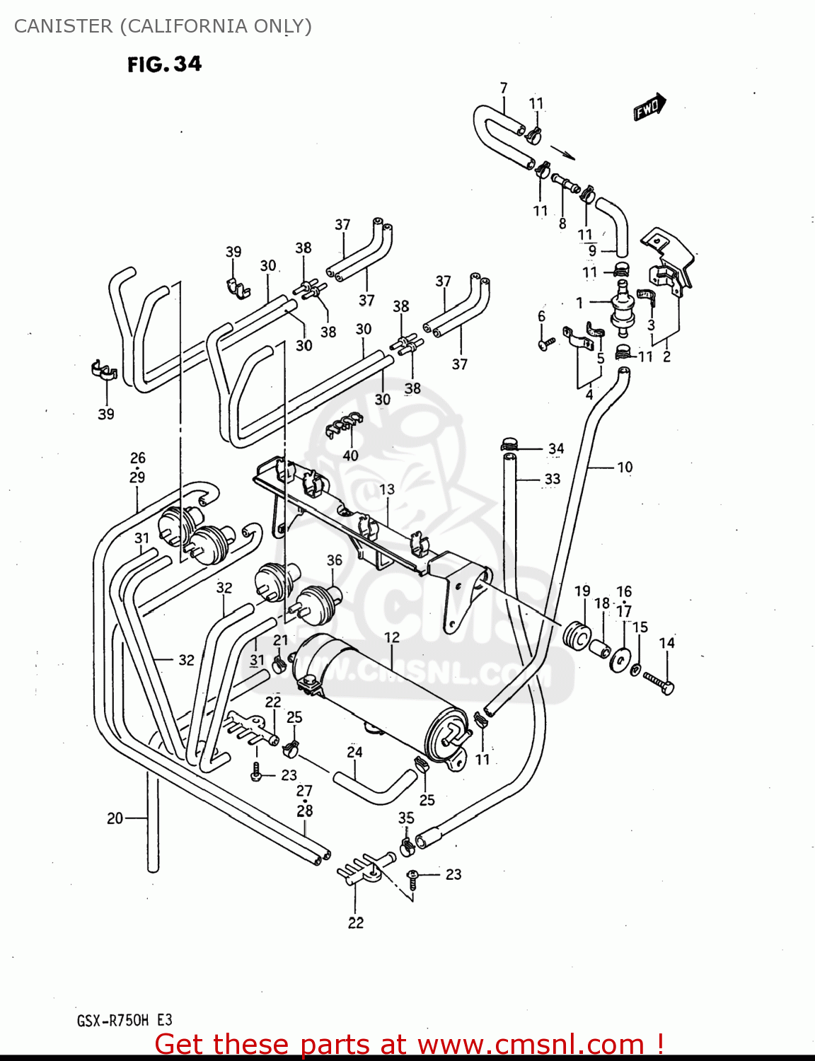
prices are in EUR
ref
part #
description
quantity
 
1
VALVE,FUEL TANK BREATHER
 
 
 
2
(CA) PLATE,FRONT,TANK BRACKET
 
3
CUSHION
 
 
 
4
PLATE,FUEL TANK BREATHER NO.2
 
5
CUSHION
 
 
 
6
SCREW
 
 
 
8
UNION
 
 
 
11
(CA) CLIP
 
 
 
12
(CA) CANISTER ASSEMBLY,CHARCOAL
 
13
(CA) BRACKET COMP,CANISTER
 
14
BOLT
 
 
 
15
WASHER
 
 
 
17
WASHER (6.5X22X1.6)
 
 
 
18
SPACER(6.5X11.5X12)
 
 
 
34
(CA) CLIP
 
 
 
36
(CA) VALVE,VACUUM CONT
 
40
CLIP
