×
Buy Suzuki GSXR Parts Online
home
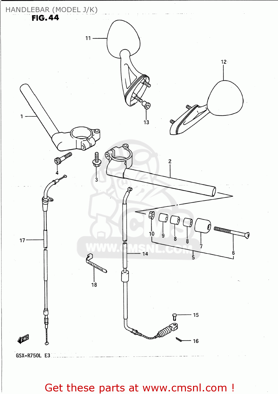
HANDLEBAR (MODEL J/K)
GSXR750 1990 (L) USA (E03)
Handlebar (model j/k) diagram GSXR750 1990 (L) USA (E03)
HANDLEBAR (MODEL J/K) GSXR750 1990 (L) USA (E03)
×
prices are in EUR
ref
part #
description
quantity
1
5611117C00
ref: 1
HANDLEBAR,R
€ 89.50
2
5615117C00
ref: 2
HANDLEBAR,L
€ 89.50
3
0151706205
ref: 3
01550-0620A
BOLT
€ 2.50
4
0711008355
ref: 4
07130-0835B
BOLT 8X35
€ 4.50
5
5620027841
ref: 5
56200-27843
BALANCER SET,HANDLEBAR
€ 51.50
6
0912706014
ref: 6
SCREW(6X85)
€ 7.50
7
5627417C00
ref: 7
CAP,BALANCER
€ 23.50
8
5627143500
ref: 8
BALANCER,HANDLEBAR INNER
€ 11.50
9
5627244500
ref: 9
EXPANDER,HANDLE BALANCER
€ 3.50
10
0915906024
ref: 10
NUT
€ 2.50
11
5650017C02291
ref: 11
MIRROR ASSEMBLY,REAR VIEW
€ 58.00
11
5650017C02291
ref: 11
MIRROR ASSEMBLY,REAR VIEW
€ 58.00
12
5660017C02291
ref: 12
MIRROR ASSEMBLY,REAR VIEW
€ 54.00
12
5660017C02291
ref: 12
MIRROR ASSEMBLY,REAR VIEW
€ 54.00
13
5661917C00
ref: 13
NUT,RR VIEW MIRROR
€ 8.50
14
5820017C01
ref: 14
CABLE ASSY,CLUTCH
€ 46.00
15
0920006011
ref: 15
PIN(L:15)
€ 2.50
16
0411120158
ref: 16
04111-2015A
PIN
€ 1.50
17
5830017C01
ref: 17
CABLE ASSY,THROTTLE
€ 43.00
18
0940718402
ref: 18
CLAMP(L:165)
€ 2.50
18
0940718402
ref: 18
CLAMP(L:165)
€ 2.50
up
all assemblies
AIR CLEANER (MODEL J/K
AIR CLEANER (MODEL L
ALTERNATOR
BATTERY
CAM CHAIN (MODEL J/K)
CAM CHAIN (MODEL L)
CAM SHAFT - VALVE (MODEL J/K)
CAM SHAFT - VALVE (MODEL L)
CANISTER (CALIFORNIA ONLY)
CARBURETOR (MODEL J/K
CARBURETOR (MODEL L
CARBURETOR FITTINGS (MODEL J/K
CARBURETOR FITTINGS (MODEL L
CLUTCH (MODEL J/K)
CLUTCH (MODEL L)
COWLING (MODEL J 7JJ)
COWLING (MODEL J 9SR)
COWLING (MODEL K 7JJ)
COWLING (MODEL K 9SR)
COWLING (MODEL L 3SL
CRANKCASE (MODEL J/K)
CRANKCASE (MODEL L)
CRANKCASE COVER
CRANKSHAFT (MODEL J/K)
CRANKSHAFT (MODEL L)
CYLINDER (MODEL J/K)
CYLINDER (MODEL L)
CYLINDER HEAD (MODEL J/K)
CYLINDER HEAD (MODEL L)
CYLINDER HEAD COVER (MODEL J/K)
CYLINDER HEAD COVER (MODEL L)
ELECTRICAL
FOOTREST
FRAME
FRAME COVER (MODEL J)
FRAME COVER (MODEL K)
FRAME COVER (MODEL L)
FRONT BRAKE HOSE (MODEL J/K)
FRONT BRAKE HOSE (MODEL L)
FRONT CALIPERS (MODEL J/K)
FRONT CALIPERS (MODEL L)
FRONT DAMPER (MODEL J)
FRONT DAMPER (MODEL K/L)
FRONT FENDER
FRONT MASTER CYLINDER (MODEL J/K)
FRONT MASTER CYLINDER (MODEL L)
FRONT WHEEL (MODEL J/K)
FRONT WHEEL (MODEL L)
FUEL COCK
FUEL TANK (MODEL J)
FUEL TANK (MODEL K)
FUEL TANK (MODEL L)
GEAR SHIFTING
HANDLE SWITCH (MODEL J)
HANDLE SWITCH (MODEL K/L)
HANDLEBAR (MODEL J/K)
HANDLEBAR (MODEL L)
HEADLAMP (MODEL J/K)
HEADLAMP (MODEL L)
MUFFLER (MODEL J/K)
MUFFLER (MODEL L)
OIL COOLER (MODEL J/K)
OIL COOLER (MODEL L)
OIL PAN (MODEL J/K)
OIL PAN (MODEL L)
OIL PUMP
REAR CALIPER
REAR CUSHION LEVER (MODEL J/K)
REAR CUSHION LEVER (MODEL L)
REAR FENDER (MODEL J/K)
REAR FENDER (MODEL L)
REAR MASTER CYLINDER (MODEL J/K)
REAR MASTER CYLINDER (MODEL L)
REAR SWINGING ARM (MODEL J/K)
REAR SWINGING ARM (MODEL L)
REAR WHEEL (MODEL J/K)
REAR WHEEL (MODEL L)
SEAT
SEAT TAIL COVER (MODEL J)
SEAT TAIL COVER (MODEL K/L)
SECOND AIR (MODEL J/K
SECOND AIR (MODEL L
SIGNAL GENERATOR
SPEEDOMETER (MODEL J/K)
SPEEDOMETER (MODEL L)
STAND
STARTER CLUTCH
STARTING MOTOR
STEERING DAMPER (MODEL L)
STEERING STEM
TAIL LAMP - LICENSE LAMP
TRANSMISSION
TURNSIGNAL LAMP
WIRING HARNESS (MODEL J/K)
WIRING HARNESS (MODEL L)
up