×
Buy Suzuki GV Parts Online
home
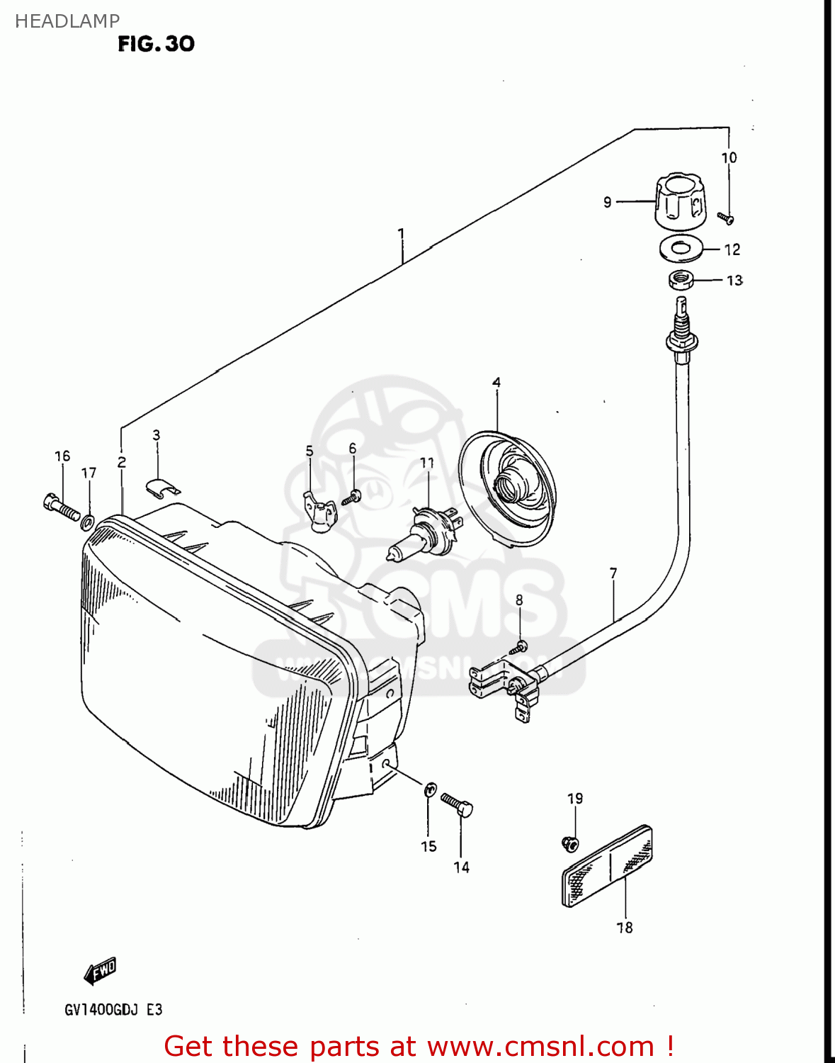
HEADLAMP
GV1400GD CAVALCADE 1987 (H) USA (E03)
Headlamp diagram GV1400GD CAVALCADE 1987 (H) USA (E03)
HEADLAMP GV1400GD CAVALCADE 1987 (H) USA (E03)
×
prices are in EUR
ref
part #
description
quantity
1
3510024A30999
ref: 1
HEADLAMP ASSEMBLY
€ 195.50
2
3512124A30
ref: 2
LAMP UNIT
€ 290.00
3
3512824A30
ref: 3
PLATE,HOOK
€ 0.00
4
3517324A30
ref: 4
COVER,SOCKET
€ 0.00
5
3515624A30
ref: 5
HOLDER
€ 0.00
6
0351104126
ref: 6
03511-0412A
SCREW
€ 1.50
7
3515824A30
ref: 7
CABLE,ADJUSTING
€ 41.00
8
0351104126
ref: 8
03511-0412A
SCREW
€ 1.50
9
3516124A30
ref: 9
KNOB,ADJUSTING
€ 7.50
10
0211203128
ref: 10
02112-0312B
SCREW 3X12
€ 2.50
11
0947112060
ref: 11
BULB(12V60/55W,H4)
€ 8.00
12
0916012001
ref: 12
WASHER(12.5X32X2.3)
€ 2.50
13
0831021125
ref: 13
09140-12039
NUT
€ 2.50
14
0110706166
ref: 14
01500-0616A
BOLT
€ 2.00
15
0832121066
ref: 15
08321-0106A
WASHER,LOCK
€ 2.00
16
0110706356
ref: 16
01500-0635A
BOLT ,6X35
€ 2.50
17
0832221066
ref: 17
08322-0106B
WASHER, LOWER
€ 2.00
18
3595024A00
ref: 18
REFLEX REFLECTOR ASSY,FR SIDE
€ 13.00
19
0831321055
ref: 19
08313-2005A
NUT 5MM
€ 1.50
up
all assemblies
AIR CLEANER
AIR VENT FAIRING SET ((GV1400GDG/GTG/GDH/GDJ OPT)
AUDIO
AUDIO KIT (GV1400GTG OPTIONAL)
AUTO CRUISER (GV1400GDG/GCG/GDH/GCH/GDJ)
BATTERY
BUMPER (NO.1)
BUMPER (NO.2)
CAM CHAIN
CAMSHAFT - VALVE
CANISTER (FOR CALIFORNIA)
CARBURETOR
CARBURETOR (FOR CALIFORNIA)
CARBURETOR FITTINGS
CB RADIO KIT (OPTIONAL)
CLUTCH
CLUTCH HOSE
CLUTCH MASTER CYLINDER
CORNER LAMP COVER (GV1400GCG/GCH)
CORNERING LAMP (GV1400GCG/GCH)
CORNERING LAMP SET (GV1400GDG/GTG/GDH/GDJ OPT)
COWLING BRACE
CRANKCASE
CRANKCASE COVER
CRANKSHAFT
CRUISE CONTROL KIT (GV1400GTG OPTIONAL)
CYLINDER HEAD (FRONT)
CYLINDER HEAD (REAR)
CYLINDER HEAD COVER
ELECTRICAL
FAIRING (GV1400GCG/GCH)
FRAME
FRAME COVER (MODEL G)
FRAME COVER (MODEL H/J)
FRAME UPPER COVER (MODEL G)
FRAME UPPER COVER (MODEL H/J)
FRONT BRAKE HOSE
FRONT CALIPERS
FRONT FENDER
FRONT FOOTREST
FRONT FORK (GV1400GCG/MODEL H/J)
FRONT FORK (GV1400GDG/GTG)
FRONT MARKER LAMP SET (OPTIONAL)
FRONT MASTER CYLINDER
FRONT TURNSIGNAL LAMP
FRONT WHEEL (GV1400GDG/GTG F.NO.103765~/GCG/MODEL H/J)
FRONT WHEEL (GV1400GDG/GTG ~F.NO.103764)
FUEL COCK
FUEL PUMP
FUEL TANK
GEAR SHIFTING
GENERATOR
HANDLEBAR - CONTROL CABLE (GV1400GCG/MODEL H/J)
HANDLEBAR - CONTROL CABLE (GV1400GDG/GTG)
HEADLAMP
INNER COWLING (GV1400GCG/GCH)
INNER COWLING (GV1400GDG/GTG/GDH/GDJ)
LEFT HANDLE SWITCH
LICENSE LAMP
MAP CASE SET/COIN BOX SET (GV1400GDG/GTG/GDH/GDJ OPT)
MUFFLER
OIL PUMP
OUTER COWLING (GV1400GCG)
OUTER COWLING (GV1400GDG F.NO.104471~)
OUTER COWLING (GV1400GDG/GTG ~F.NO.104470)
OUTER COWLING (MODEL H)
OUTER COWLING (MODEL J)
PILLION FOOTREST
PROPELLER SHAFT - FINAL DRIVE GEAR
RADIATOR
RADIATOR HOSE - RESERVE TANK
REAR BRAKE
REAR CALIPERS
REAR COMBINATION LAMP
REAR END MARKER LAMP SET (OPTIONAL)
REAR FENDER
REAR MASTER CYLINDER
REAR SHOCK ABSORBER (GV1400GDG/GCG/MODEL H/J)
REAR SHOCK ABSORBER (GV1400GTG)
REAR SWINGING ARM
REAR WHEEL (GV1400GDG F.NO.103765~/GCG/MODEL H/J)
REAR WHEEL (GV1400GDG/GTG ~F.NO.103764)
RIGHT HANDLE SWITCH (GV1400GDG/GCG/MODEL H/J)
RIGHT HANDLE SWITCH (GV1400GTG)
SADDLEBAG TRIM SET (OPTIONAL)
SEAT
SECONDARY DRIVE GEAR
SIDE BAG (GV1400GCG)
SIDE BAG (GV1400GDG/GTG)
SIDE BAG (MODEL H)
SIDE BAG (MODEL J)
SPEEDOMETER - TACHOMETER
STAND
STARTING MOTOR
STEERING STEM
TAIL MARKER LAMP/HARNESS SET (OPTIONAL)
TRANSMISSION
TRAVEL TRUNK (GV1400GCG)
TRAVEL TRUNK (GV1400GDG/GTG)
TRAVEL TRUNK (MODEL H)
TRAVEL TRUNK (MODEL J)
TRAVEL TRUNK MARKER LAMP SET (OPTIONAL)
TRAVEL TRUNK PAD (GV1400GCG/GCH)
TRAVEL TRUNK PAD (GV1400GDG/GTG/GDH/GDJ)
TRAVEL TRUNK RACK/TRIM SET (OPTIONAL)
TRUNK LAMP
WATER PUMP
WIRING HARNESS
up