×
Buy Suzuki PE Parts Online
home
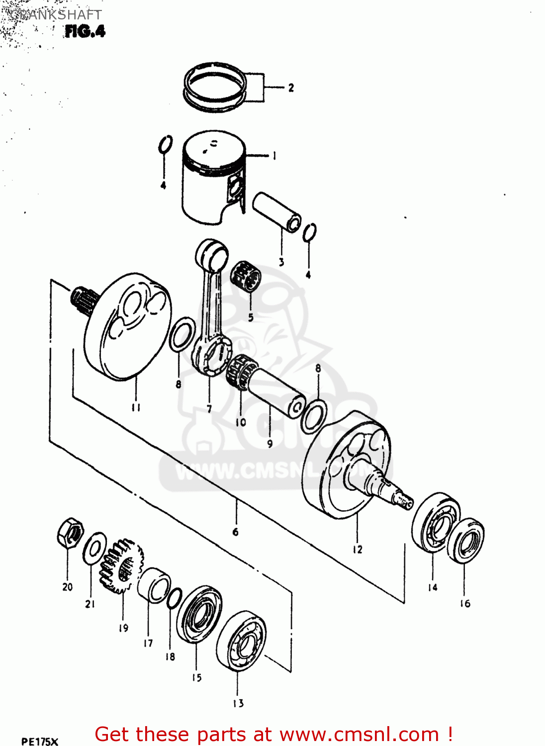
CRANKSHAFT
PE175 1980 (T) USA (E03)
Crankshaft diagram PE175 1980 (T) USA (E03)
CRANKSHAFT PE175 1980 (T) USA (E03)
×
prices are in EUR
ref
part #
description
quantity
1-1
1211040500
ref: 1-1
12110-40502
PISTON
€ 60.00
1-2
1211040501
ref: 1-2
12110-40502
PISTON
€ 60.00
1-3
1211040500025
ref: 1-3
12103-40880-025
PISTON
€ 130.00
1-4
1211040501025
ref: 1-4
12103-40880-025
PISTON
€ 130.00
1-5
1211040500050
ref: 1-5
12103-40880-050
PISTON
€ 124.50
1-6
1211040501050
ref: 1-6
12103-40880-050
PISTON
€ 124.50
2-1
1214041500
ref: 2-1
RING SET,PISTON
€ 36.50
2-2
1214040530
ref: 2-2
RING SET,PISTON(STD)
€ 57.00
2-3
1214041500025
ref: 2-3
RING SET,PISTON(OS:0.25)
€ 58.00
2-4
1214040530025
ref: 2-4
RING SET,PISTON
€ 36.50
2-5
1214041500050
ref: 2-5
RING SET,PISTON(OS:0.50)
€ 61.00
2-6
1214040530050
ref: 2-6
RING SET,PISTON
€ 24.00
3
1215118001
ref: 3
12151-60D00
PIN,PISTON
€ 16.50
4
0938116001
ref: 4
RING,SNAP 16MM
€ 2.00
5
0926316005
ref: 5
09263-16015
BEARING
€ 16.50
6
1220040500
ref: 6
CRANKSHAFT ASSEMBLY
€ 0.00
7
1216141500
ref: 7
ROD,CONNECTING
€ 115.50
8
0916022010
ref: 8
WASHER(22X35X1)
€ 7.00
9
1221141500
ref: 9
12211-29001
PIN,CRANK
€ 33.00
10
0926322028
ref: 10
09263-22032
BEARING
€ 24.50
11
1222140500
ref: 11
CRANKSHAFT
€ 0.00
12
1226141501
ref: 12
CRANKSHAFT,LEFT
€ 148.50
13
0926222012
ref: 13
09262-22025
BEARING
€ 66.00
14
0926225048
ref: 14
09262-25070-0A0
BEARING
€ 34.00
15
0928929002
ref: 15
SEAL,OIL(29X47X8)
€ 15.00
16
0928325066
ref: 16
SEAL,OIL(25X44X7)
€ 8.00
17
0918020073
ref: 17
SPACER
€ 6.50
18
0928020004
ref: 18
O RING(D:2.4,ID:19.8)
€ 3.50
19
2111141500
ref: 19
GEAR,PRIMARY DRIVE
€ 33.00
20
0914016002
ref: 20
NUT
€ 4.50
21
0916416002
ref: 21
WASHER
€ 3.50
up
all assemblies
AIR CLEANER
CARBURETOR
CHAIN CASE
CHAIN GUIDE (MODEL T)
CHAIN GUIDE (MODEL X)
CLUTCH
CRANKCASE
CRANKCASE COVER
CRANKSHAFT
CYLINDER
ELECTRICAL
FRAME - SEAT
FRAME COVER
FRONT FENDER - HEADLAMP HOUSING
FRONT FORK
FRONT WHEEL
FUEL COCK
FUEL TANK (MODEL T)
FUEL TANK (MODEL X)
GEAR SHIFTING
HANDLEBAR
HEADLAMP
KICK STARTER
LEFT HANDLE GRIP (MODEL T)
LEFT HANDLE GRIP (MODEL X)
MAGNETO
MUFFLER
OPTIONAL (SPEEDOMETER)
REAR BRAKE
REAR FENDER
REAR SWINGING ARM
REAR WHEEL
RIGHT HANDLE GRIP (MODEL T)
RIGHT HANDLE GRIP (MODEL X)
STAND - FOOTREST
TAIL LAMP
TRANSMISSION
TRIP METER
up