×
Buy Suzuki PE Parts Online
home
FRAME - SEAT
PE175 1980 (T) USA (E03)
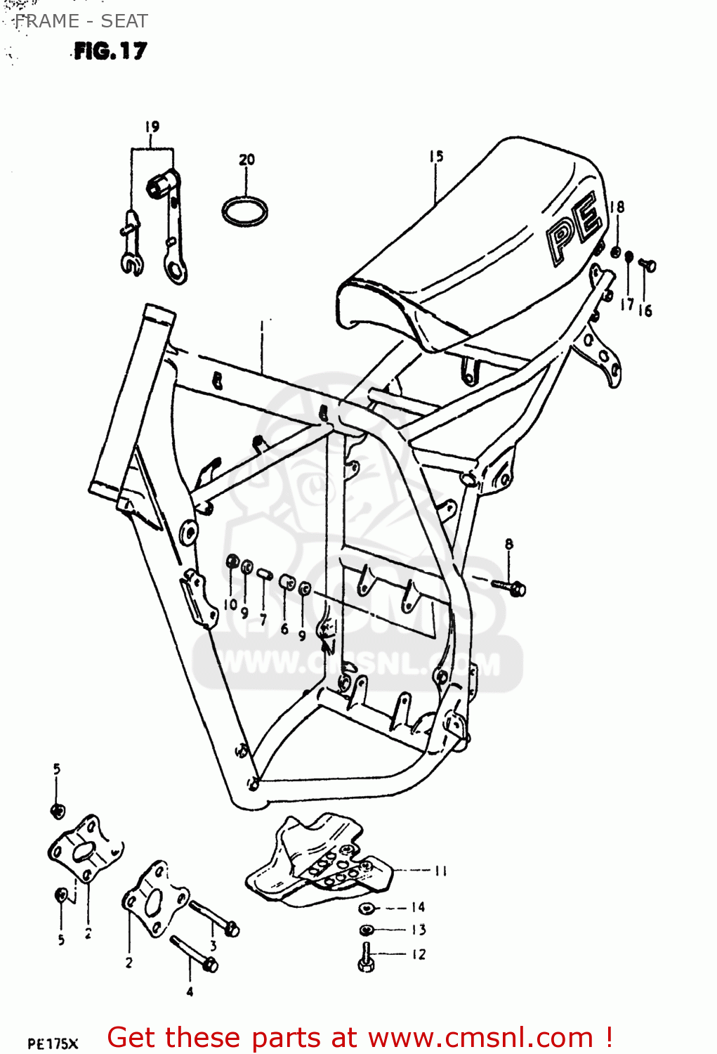
Frame - seat diagram PE175 1980 (T) USA (E03)
FRAME - SEAT PE175 1980 (T) USA (E03)
×
prices are in EUR
ref
part #
description
quantity
1-1
4110040500019
ref: 1-1
41100-40501-019
FRAME
€ 276.00
1-2
4110040501019
ref: 1-2
FRAME
€ 276.00
2
4199140200
ref: 2
PLATE,ENGINE MOUNTING
€ 13.50
3
0910308037
ref: 3
BOLT(8X67)
€ 6.50
4
0910308017
ref: 4
09103-08099
BOLT
€ 6.00
5
0831931088
ref: 5
08319-3108A
NUT
€ 2.50
6-1
4391140410
ref: 6-1
43911-14200
ROLLER,CHAIN CONTROL
€ 18.50
6-2
4391114200
ref: 6-2
ROLLER,CHAIN LENGTH CONTROL
€ 18.50
7
4391340400
ref: 7
SPACER,CHAIN LENGTH ROLLER
€ 8.00
8
0910308043
ref: 8
BOLT(8X45)
€ 4.50
9
0916008035
ref: 9
09160-08130
WASHER
€ 2.00
10
0831616088
ref: 10
08316-10087
NUT
€ 2.50
11
4251140500
ref: 11
PROTECTOR,ENGINE
€ 52.50
12
0110708168
ref: 12
01500-0816B
BOLT
€ 2.00
13
0832121088
ref: 13
08321-01087
LOCK WASHER
€ 2.00
14
0916008010
ref: 14
09160-08054
WASHER (8.2X20X1.6)
€ 1.50
15
4510040500865
ref: 15
45100-40500-48F
SEAT ASSEMBLY
€ 133.00
16-1
0110708208
ref: 16-1
01500-08207
BOLT
€ 3.00
16-2
0110708258
ref: 16-2
01500-08257
BOLT
€ 2.50
17
0832121088
ref: 17
08321-01087
LOCK WASHER
€ 2.00
18
0916008010
ref: 18
09160-08054
WASHER (8.2X20X1.6)
€ 1.50
19
9651040500
ref: 19
SPARK PLUG WRENCH
€ 40.50
20
9643140500
ref: 20
O RING TOOL FITTING
€ 3.50
up
all assemblies
AIR CLEANER
CARBURETOR
CHAIN CASE
CHAIN GUIDE (MODEL T)
CHAIN GUIDE (MODEL X)
CLUTCH
CRANKCASE
CRANKCASE COVER
CRANKSHAFT
CYLINDER
ELECTRICAL
FRAME - SEAT
FRAME COVER
FRONT FENDER - HEADLAMP HOUSING
FRONT FORK
FRONT WHEEL
FUEL COCK
FUEL TANK (MODEL T)
FUEL TANK (MODEL X)
GEAR SHIFTING
HANDLEBAR
HEADLAMP
KICK STARTER
LEFT HANDLE GRIP (MODEL T)
LEFT HANDLE GRIP (MODEL X)
MAGNETO
MUFFLER
OPTIONAL (SPEEDOMETER)
REAR BRAKE
REAR FENDER
REAR SWINGING ARM
REAR WHEEL
RIGHT HANDLE GRIP (MODEL T)
RIGHT HANDLE GRIP (MODEL X)
STAND - FOOTREST
TAIL LAMP
TRANSMISSION
TRIP METER
up