×
Buy Suzuki TC Parts Online
home
TC90
CYLINDER - CRANKCASE
35 products
PISTON - CRANKSHAFT
42 products
CRANKCASE COVER - GEAR SHIFTING LEVER
29 products
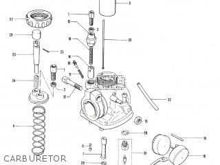
CARBURETOR
33 products
MUFFLER
21 products
OIL PUMP
22 products
CLUTCH
24 products
TRANSMISSION
11 products
TRANSMISSION
29 products
GEAR SHIFTING
31 products
REDUCTION SHIFTING
21 products
KICK STARTER
20 products
FLYWHEEL MAGNEO (KOKUSAN DENKI)
23 products
FLYWHEEL MAGNETO (NIPPON DENSO)
17 products
FRAME - OIL TANK - REAR FENDER
34 products
PROP STAND - BRAKE PEDAL
29 products
FUEL TANK - SEAT
38 products
FRONT FORK
38 products
FRONT FENDER - CABLE
28 products
GRIP - HANDLE SWITCH
41 products
REAR SWINGING ARM
21 products
FRONT WHEEL
38 products
REAR WHEEL
42 products
WIRING HARNESS - IGNITION SWITCH
37 products
SPEEDOMETER - HEAD LAMP
27 products
REAR COMBINATION LAMP
15 products
TOOL SET
15 products
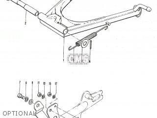
OPTIONAL
11 products
OPTIONAL
17 products
OPTIONAL
22 products
up
popular products
0926320008
BEARING 20X26X12
Suzuki
0928707001
SEAL,DUST(7X16X75)
Suzuki
1214025720
RING SET,PISTON
Suzuki
1214025710
RING SET,PISTON
Suzuki