prices are in EUR
ref
part #
description
quantity
 
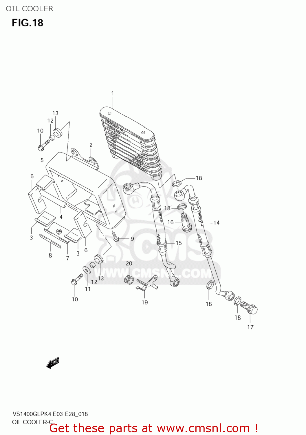
1
COOLER ASSY,OIL
 
 
 
2
COVER,OIL COOLER
 
 
 
3
CUSHION,COOLER COVER LWR
 
4
CUSHION,CLLOER COVER UPR NO2
 
5
CUSHION,COOLER COVER UPR NO1
 
6
CUSHION,COOLER COVER SIDE
 
 
 
8
CUSHION,OIL COOLER BRACKET
 
9
BOLT
 
 
 
10
BOLT
 
 
 
11
WASHER(6.5X20X1.6)
 
 
 
12
SPACER(6.5X10X10)
 
 
 
13
CUSHION
 
 
 
14
HOSE,OIL COOLER,L
 
 
 
15
HOSE,OIL COOLER,R
 
 
 
16-1
BOLT UNION
 
 
 
17
BOLT UNION
 
 
 
18-1
GASKET(14X20X1.5) (NAS)
 
 
 
18-2
GASKET(14X20X1.5) (NAS)
 
 
 
19
CLAMP,OIL COOLER HOSE,R
 
 
 
20
CUSHION
