×
Buy Suzuki unknown Parts Online
home
FRAME
RM-Z250 2010 (L0) USA (E03) RMZ250 RM Z250
Frame diagram RM-Z250 2010 (L0) USA (E03) RMZ250 RM Z250
FRAME RM-Z250 2010 (L0) USA (E03) RMZ250 RM Z250
×
prices are in EUR
ref
part #
description
quantity
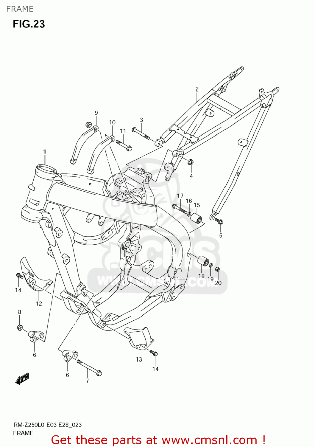
1
4110049H00
ref: 1
FRAME
€ 2,220.00
2
4120049H00
ref: 2
41200-49H10
RAIL,SEAT
€ 416.00
3
4131128H20
ref: 3
BOLT,SEAT RAIL UPR
€ 13.50
4
083193108A
ref: 4
NUT
€ 3.00
5
0910308506
ref: 5
BOLT(8X23)
€ 3.50
6
4199110H01
ref: 6
BRACKET,ENGINE MOUNTING FR
€ 40.00
7
0910308433
ref: 7
BOLT(8X95)
€ 4.00
8
0915908067
ref: 8
NUT
€ 6.00
9
4199449H00
ref: 9
BRACKET,ENGINE MOUNTING UPR,R
€ 55.00
10
4199549H00
ref: 10
BRACKET,ENGINE MOUNTING UPR,L
€ 77.00
11
0910308339
ref: 11
BOLT(8X55)
€ 4.00
12
4252010H00
ref: 12
42520-10H02
PROTECTOR,FRON
€ 23.50
13
4253049H00
ref: 13
PROTECTOR,FR,L
€ 21.00
14
0911606200
ref: 14
BOLT(6X16)
€ 3.00
15
4391037F00
ref: 15
ROLLER,CHAIN
€ 34.00
16
0918108167
ref: 16
SHIM(8X16X1)
€ 2.00
17
0910308207
ref: 17
BOLT(8X45)
€ 2.50
18
4391035G00
ref: 18
ROLLER,CHAIN
€ 41.50
19
0918108111
ref: 19
SHIM(8X12X1)
€ 2.50
20
083192108A
ref: 20
NUT
€ 2.00
up
all assemblies
AIR CLEANER
BRAKE PEDAL
CAM CHAIN
CAMSHAFT - VALVE
CLUTCH
CRANKCASE
CRANKCASE COVER
CRANKSHAFT
CYLINDER
CYLINDER HEAD
CYLINDER HEAD COVER
ELECTRICAL
FOOTREST
FRAME
FRAME COVER
FRONT CALIPER
FRONT DAMPER
FRONT FENDER
FRONT MASTER CYLINDER
FRONT WHEEL
FUEL PUMP
FUEL TANK
FUEL TANK COVER
GASKET SET
GEAR SHIFTING
HANDLE LEVER
HANDLEBAR
KICK STARTER
LABEL
MAGNETO
MUFFLER
OIL PUMP
RADIATOR
REAR CALIPER
REAR CUSHION LEVER
REAR FENDER
REAR MASTER CYLINDER
REAR SHOCK ABSORBER
REAR SWINGING ARM
REAR WHEEL
SEAT
STEERING STEM
THROTTLE BODY
TRANSMISSION
WATER PUMP
up