×
Buy Suzuki A Parts Online
home
A100-4 1978 (C) GENERAL EXPORT (E01)
* COLOR CHART *
0 products
* CATALOG PREFACE *
0 products
* CONVERSION CHART *
0 products
CYLINDER - CRANKCASE
30 products
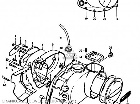
CRANKCASE COVER (A100-4,K,L,M)
37 products
CRANKSHAFT
41 products
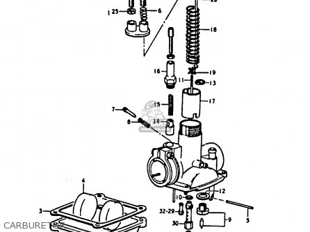
CARBURETOR
37 products
AIR CLEANER
12 products
MUFFLER
13 products
OIL PUMP
22 products
CLUTCH
23 products
TRANSMISSION
34 products
GEAR SHIFTING (A100-4,K,L,M)
37 products
KICK STARTER
17 products
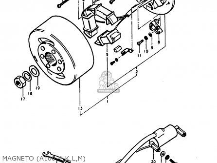
MAGNETO (A100-4,K,L,M)
24 products
SPEEDOMETER (A100-4,K,L)
18 products
HEADLAMP (A100-4,K,L)
41 products
TURN SIGNAL LAMP
15 products
REAR COMBINATION LAMP (A100-4,K,L)
14 products
WIRING HARNESS
4 products
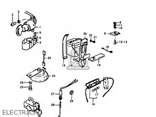
ELECTRICAL
26 products
FRAME
15 products
STAND
27 products
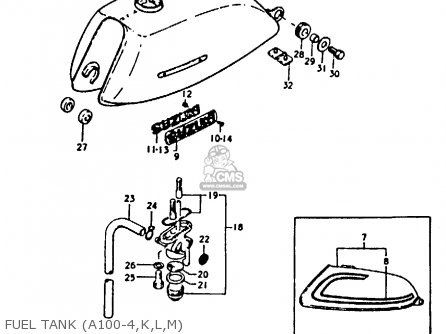
FUEL TANK (A100-4,K,L,M)
29 products
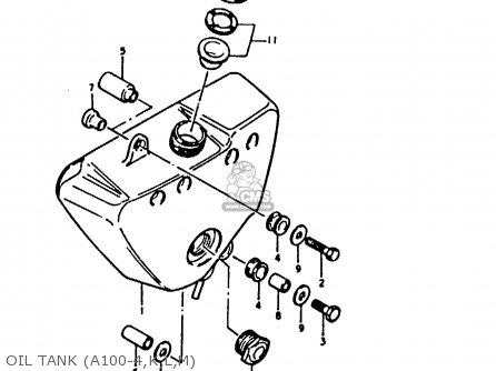
OIL TANK (A100-4,K,L,M)
11 products
SEAT
4 products
FRONT FORK (A100-4,K,L,M)
47 products
FENDER
8 products
FRONT WHEEL (A100-4,K,L,M)
34 products
HANDLEBAR
26 products
HANDLE SWITCH
40 products
REAR SWINGING ARM
29 products
REAR WHEEL
39 products
OPTIONAL
16 products
OPTIONAL
24 products
up
popular products
2560005201
LEVER ASSY,GEAR SHIFT
Suzuki
4713001002
KNOB,FRAME COVER,L
Suzuki
0949165001
JET,MAIN
Suzuki
2124125300
PLATE
Suzuki