×
Buy Suzuki AX Parts Online
home
AX100 1997 (V) BARBADOS (E94) / P36 P48
* CATALOG PREFACE *
0 products
* CONVERSION CHART *
0 products
* CATALOG TITLE *
0 products
CYLINDER
28 products
TRANSMISSION
35 products
GEAR SHIFTING
32 products
KICK STARTER
17 products
MAGNETO
11 products
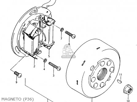
MAGNETO (P36)
11 products
ELECTRICAL
16 products
ELECTRICAL (P36)
15 products
SPEEDOMETER
22 products
HEADLAMP
7 products
TURN SIGNAL LAMP (MODEL R E94, P48)
13 products
TURN SIGNAL LAMP (MODEL R P36)
14 products
TURN SIGNAL LAMP (MODEL V E94, P36, P48)
15 products
CRANKCASE
12 products
TURN SIGNAL LAMP (P9)
15 products
REAR COMBINATION LAMP
19 products
WIRING HARNESS
17 products
FRAME
12 products
CENTER STAND
15 products
REAR BRAKE
16 products
FUEL TANK (MODEL R)
18 products
FUEL TANK (MODEL T P9)
10 products
FUEL TANK (MODEL V E94, P36, P48)
19 products
FUEL COCK
11 products
OIL TANK
6 products
FRAME COVER (MODEL R)
15 products
FRAME COVER (MODEL T P9)
6 products
FRAME COVER (MODEL V E94, P36, P48)
15 products
CRANKCASE COVER
15 products
HEADLAMP HOUSING - FRONT FENDER
8 products
HANDLE BAR - CONTROL CABLE
26 products
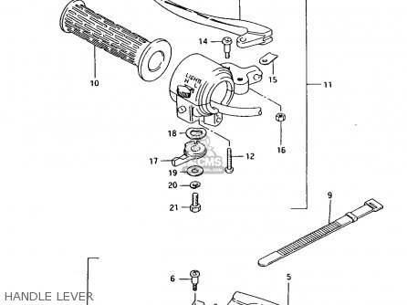
HANDLE LEVER
22 products
REAR FENDER
14 products
SEAT
9 products
SEAT TAIL COVER
10 products
FRONT FORK DAMPER
16 products
STEERING STEM
45 products
FRONT WHEEL
35 products
REAR SWINGING ARM (E94, P9, P48)
13 products
CRANKSHAFT
24 products
REAR SWINGING ARM (P36)
13 products
REAR SHOCK ABSORBER (E94, P9, P48)
15 products
REAR SHOCK ABSORBER (P36)
14 products
REAR WHEEL (E94, P9, P48)
37 products
REAR WHEEL (P36)
39 products
OPTIONAL
20 products
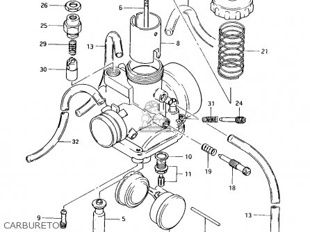
CARBURETOR
47 products
AIR CLEANER
10 products
MUFFLER
7 products
OIL PUMP
15 products
CLUTCH
21 products
up
popular products
0947106008
BULB(6V10/3W,STANLEY,A4854H)
Suzuki
0980021031
TOOL ASSY
Suzuki
0928707001
SEAL,DUST(7X16X75)
Suzuki
681312340090J
EMBLEM,FRAME COVER
Suzuki