×
Buy Suzuki DR Parts Online
home
CARBURETOR
DR200 1987 (H)
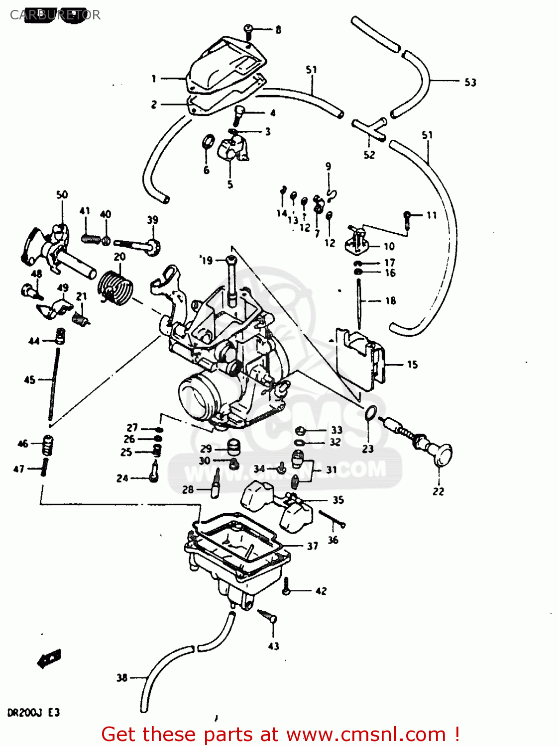
Carburetor diagram DR200 1987 (H)
CARBURETOR DR200 1987 (H)
×
prices are in EUR
ref
part #
description
quantity
0
1320042A20
ref: 0
MODEL G
CARBURETOR ASSEMBLY
€ 450.50
0
1320042A21
ref: 0
MODEL H/J
CARBURETOR ASSEMBLY (TM28)
€ 450.50
1
1326127A00
ref: 1
COVER,CARBURETOR,TOP
€ 14.50
2
1326627A00
ref: 2
GASKET,CARBURETOR TOP (NAS)
€ 6.50
3
1361445010
ref: 3
WASHER
€ 2.50
4
1361343010
ref: 4
BOLT
€ 1.50
5
1354114A00
ref: 5
ARM,THROTTLE
€ 37.50
6
1357438200
ref: 6
RING,THROTTLE SHAFT
€ 5.00
7
1344714A00
ref: 7
PLATE
€ 18.00
8
1360127A00
ref: 8
SCREW
€ 2.00
9
1326827A00
ref: 9
SPRING
€ 4.00
10-1
1339842A20
ref: 10-1
MODEL G
CONNECTOR
€ 0.00
10-2
1339827A02
ref: 10-2
MODEL H/J
CONNECTOR
€ 19.50
11
1356614A00
ref: 11
SCREW
€ 2.50
12
1344514A00
ref: 12
GASKET (NAS)
€ 3.50
13
1344914A00
ref: 13
WASHER
€ 2.00
14
1329849000
ref: 14
E-RING
€ 2.00
15-1
1355142A20
ref: 15-1
MODEL G
VALVE,THROTTLE
€ 126.00
15-2
1355142A21
ref: 15-2
MODEL H/J
VALVE,THROTTLE
€ 126.00
16
1338247010
ref: 16
WASHER,JET NEEDLE
€ 4.00
17
1339410010
ref: 17
CLIP
€ 5.00
18
1338342A20
ref: 18
NEEDLE,JET
€ 10.50
19
0949400513
ref: 19
JET,NEEDLE (P-6)
€ 26.50
20
1357342A20
ref: 20
SPRING
€ 9.00
21
1349427A00
ref: 21
SPRING,PLUNGER
€ 6.00
22
1341142A20
ref: 22
PLUNGER ASSY
€ 29.00
23
1327847090
ref: 23
O RING
€ 2.50
24
1327947070
ref: 24
SCREW,PILOT
€ 12.50
25
1326847070
ref: 25
SPRING
€ 5.50
26
1327744080
ref: 26
GASKET
€ 2.00
27
1327844080
ref: 27
O-RING
€ 4.00
28
0949225008
ref: 28
JET
€ 8.50
29
1333113A00
ref: 29
RING,MAIN JET FIXING
€ 6.00
30
0949123011
ref: 30
JET,MAIN(115)
€ 10.50
31
1337037100
ref: 31
VALVE ASSEMBLY,NEEDLE
€ 68.50
32
6626399050
ref: 32
O RING
€ 6.00
33
1337665010
ref: 33
FILTER
€ 7.00
34
1360243410
ref: 34
SCREW
€ 2.50
35
1325227A00
ref: 35
FLOAT
€ 29.50
36
1325492311
ref: 36
PIN,FLOAT
€ 2.00
37
1325127A00
ref: 37
O RING,FLOAT CHAMBER
€ 9.50
38
1368418900
ref: 38
L:500@r375
HOSE
€ 15.00
39
1326701400
ref: 39
SCREW,THROTTLE STOP
€ 10.00
40
1342738300
ref: 40
WASHER
€ 1.50
41
1326849310
ref: 41
SPRING
€ 4.50
42
1360104148
ref: 42
SCREW
€ 3.00
43
1324713A00
ref: 43
SCREW,DRAIN
€ 6.00
44
1349944500
ref: 44
BOOT, ACCELE PUMP ROD
€ 12.00
45
1348714A00
ref: 45
ROD,PLUNGER
€ 7.00
46
1349327A00
ref: 46
PLUNGER
€ 10.00
47
1327109400
ref: 47
SPRING
€ 5.50
48
1361314A00
ref: 48
BOLT
€ 8.50
49
1349014A00
ref: 49
LEVER
€ 10.50
50
1355342A20
ref: 50
SHAFT ASSEMBLY
€ 0.00
51
1368342A30
ref: 51
HOSE
€ 14.00
52
0936706002
ref: 52
JOINT,3 WAY
€ 3.50
53
1368342A20
ref: 53
HOSE
€ 14.00
up
all assemblies
* COLOR CHART *
* CATALOG PREFACE *
* CONVERSION CHART *
CYLINDER HEAD
CYLINDER
CRANKCASE
CRANKCASE COVER
CRANKSHAFT
CAM SHAFT - VALVE
CAM CHAIN
CARBURETOR
AIR CLEANER
MUFFLER
OIL PUMP
CLUTCH
TRANSMISSION
GEAR SHIFTING
KICK STARTER
MAGNETO
ELECTRICAL
TRIP METER
HEADLAMP
REAR COMBINATION LAMP
WIRING HARNESS
FRAME
STAND - REAR BRAKE
FOOTREST
FUEL TANK (MODEL J)
FUEL COCK
SEAT
FRAME COVER
FRONT FORK
STEERING STEM (MODEL G)
STEERING STEM (MODEL H/J)
HEADLAMP HOUSING
FRONT FENDER
FRONT WHEEL
HANDLEBAR
RIGHT HANDLE SWITCH
LEFT HANDLE SWITCH
FRONT CALIPERS
FRONT BRAKE HOSE
FRONT MASTER CYLINDER
REAR SWINGING ARM
REAR CUSHION
REAR FENDER
REAR WHEEL
OPTIONAL
up