×
Buy Suzuki DR Parts Online
home
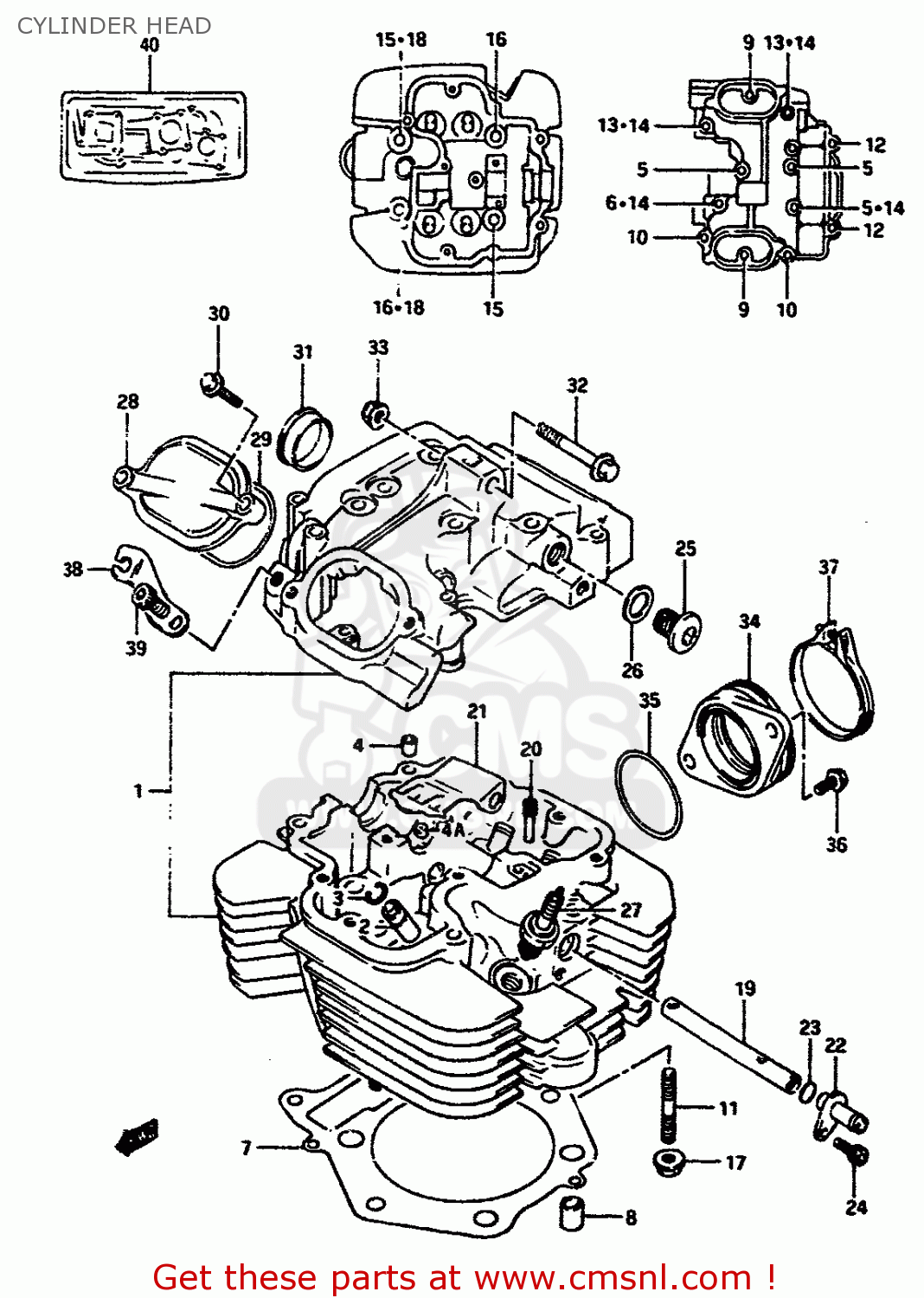
CYLINDER HEAD
DR650RSU 1991 (M) GERMANY (E22)
Cylinder head diagram DR650RSU 1991 (M) GERMANY (E22)
CYLINDER HEAD DR650RSU 1991 (M) GERMANY (E22)
×
prices are in EUR
ref
part #
description
quantity
1-1
1110012D00
ref: 1-1
MODEL L
HEAD ASSEMBLY,CYLINDER
€ 891.00
1-2
1110012D10
ref: 1-2
MODEL L E18
HEAD ASSY, CYLINDER
€ 653.50
1-3
1110012D20
ref: 1-3
MODEL M
HEAD ASSY,CYLINDER
€ 891.00
1-4
1110012D30
ref: 1-4
MODEL M E18,E39
HEAD ASSY,CYLINDER
€ 653.50
2
1111537470
ref: 2
GUIDE,VALVE
€ 22.00
3
0938110003
ref: 3
RING,SNAP
€ 4.50
4
0920608D01
ref: 4
PIN
€ 0.00
4A
1118043410
ref: 4A
JET,OIL GALLERY
€ 8.50
5
0151706605
ref: 5
BOLT ,6X60
€ 3.00
6
0910306040
ref: 6
BOLT 6X55
€ 7.00
7
1114112D00
ref: 7
GASKET,CYLINDER HEAD (NAS)
€ 48.50
8
0920613001
ref: 8
PIN
€ 2.50
9
0151706257
ref: 9
BOLT 6X25
€ 2.50
10
0151706404
ref: 10
BOLT
€ 2.50
11
0910808161
ref: 11
STUD
€ 4.00
12
0910306085
ref: 12
BOLT(6X130)
€ 5.00
13
0151706605
ref: 13
BOLT ,6X60
€ 3.00
14-1
0916806023
ref: 14-1
MODEL L
GASKET(5.8X13X1.2) (NAS)
€ 2.00
14-2
0916806028
ref: 14-2
MODEL M
GASKET (NAS)
€ 2.00
15
0910310179
ref: 15
BOLT(10X190)
€ 14.00
16
0910310181
ref: 16
BOLT(10X215)
€ 18.50
17
0831616085
ref: 17
NUT 8MM
€ 3.00
18
0916810017
ref: 18
GASKET(10.5X22X2) (NAS)
€ 3.50
19
1113112D00
ref: 19
PIPE,CYLINDER HEAD OIL
€ 12.00
20
0913406012
ref: 20
SCREW (L:19.5)
€ 3.00
21
1113512D00
ref: 21
PLATE,CYLINDER HEAD CHAMBER
€ 4.50
22
1119012D00
ref: 22
UNION,CYLINDER HEAD OIL
€ 16.50
23
0928010009
ref: 23
O RING(D:1.3,ID:9.8)
€ 2.00
24
0711006105
ref: 24
BOLT
€ 3.00
25-1
0924814010
ref: 25-1
MODEL L
PLUG
€ 2.00
25-2
0924814004
ref: 25-2
MODEL M
PLUG
€ 2.00
26
0916814004
ref: 26
GASKET(14X19.2X2) (NAS)
€ 2.50
27-1
0948200330
ref: 27-1
PLUG,SPARK(DPR9EA-9)
€ 4.00
27-2
0948200331111
ref: 27-2
SPARK PLUG X27EPR-U9
€ 4.00
27-3
0948200328
ref: 27-3
MODEL L E34
SPARK PLUG DP9EA-9
€ 4.00
27-4
0948200329111
ref: 27-4
MODEL L E34
SPARK PLUG X27EP-U9
€ 4.00
28-1
1117512D00
ref: 28-1
MODEL L
CAP,INSPECTION
€ 16.00
28-2
1117512D10
ref: 28-2
MODEL M
CAP,INSPECTION
€ 16.00
29
0928060004
ref: 29
O RING(D:2.4,ID:23)
€ 5.00
30
0151706204
ref: 30
BOLT 6X20
€ 2.50
31
0924130004
ref: 31
PLUG(OD:30)
€ 7.50
32
0910308290
ref: 32
BOLT 8X53
€ 3.50
33
0831931085
ref: 33
NUT
€ 3.00
34
1311012D00
ref: 34
PIPE,INTAKE
€ 32.50
35
0928046002
ref: 35
O RING(D:2.4,ID:45.7)
€ 10.00
36
0712006205
ref: 36
PLUG ,6X20
€ 4.00
37
0940258207
ref: 37
CLAMP
€ 6.00
38
1294414A00
ref: 38
LEVER,DECOMP SHAFT RH
€ 6.50
39
0711008165
ref: 39
BOLT
€ 3.00
40-1
1140012890
ref: 40-1
OPT,MODEL L
GASKET SET
€ 146.50
40-2
1140012891
ref: 40-2
OPT,MODEL M
GASKET SET
€ 146.50
up
all assemblies
* COLOR CHART *
* CATALOG PREFACE *
* CONVERSION CHART *
CYLINDER HEAD
CYLINDER
CRANKCASE
CRANKCASE COVER
CRANKSHAFT
CRANK BALANCER
BALANCER CHAIN
CAM SHAFT-VALVE
CAM CHAIN
CARBURETOR
AIR CLEANER
MUFFLER
OIL PUMP
SECOND AIR (E18,E39)
CLUTCH
TRANSMISSION
GEAR SHIFTING
KICK STARTER
MAGNETO
BATTERY
ELECTRICAL
SPEEDOMETER-TACHOMETER
HEADLAMP
TURNSIGNAL LAMP
REAR COMBINATION LAMP
WIRING HARNESS
FRAME
STAND-REAR BRAKE
FOOTREST
FUEL TANK (MODEL M)
FUEL COCK
SEAT
FRAME COVER (MODEL M)
FRONT FORK
STEERING STEM
FRONT FORK COVER
FRONT FENDER
FRONT WHEEL
HANDLEBAR (MODEL M)
RIGHT HANDLE SWITCH
LEFT HANDLE SWITCH
FRONT CALIPER
FRONT BRAKE HOSE
FRONT MASTER CYLINDER
REAR SWINGING ARM
REAR CUSHION LEVER
REAR FENDER
REAR WHEEL
REAR CALIPER
REAR MASTER CYLINDER
COWLING-LABEL (MODEL J 0JW,28V)
COWLING-LABEL (MODEL M)
OPTIONAL
up