Buy Suzuki DR Parts Online

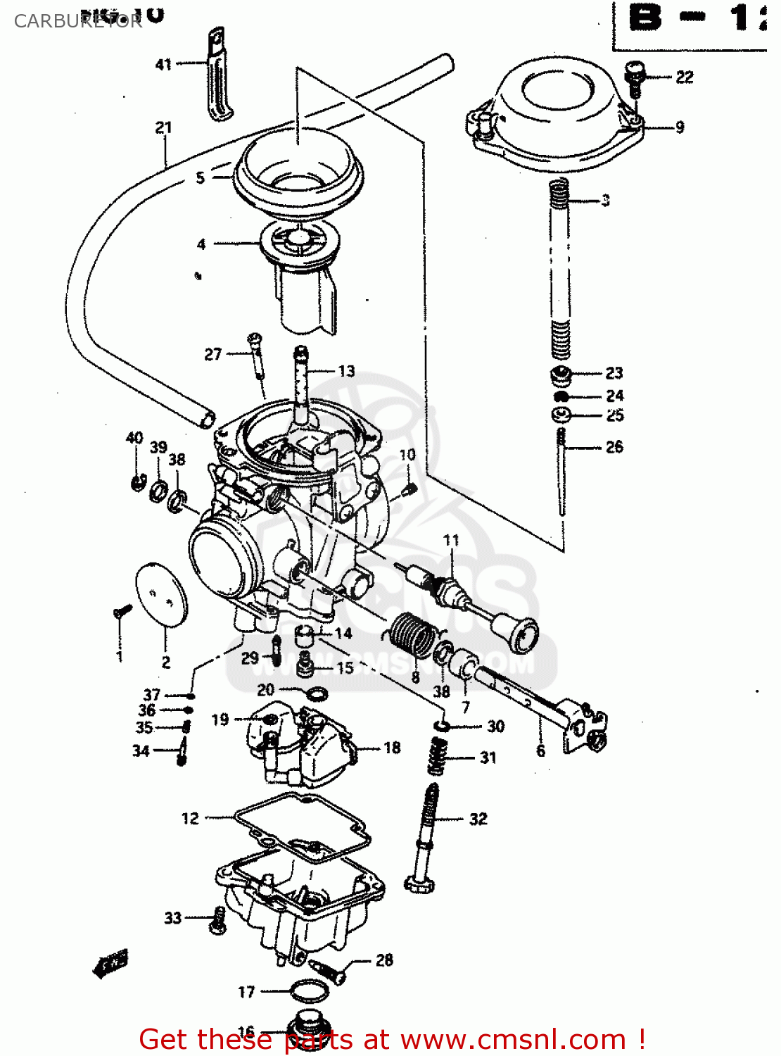
CARBURETOR

DR650RU 1990 (L) WGERMANY AUSTRALIA (E22 E24)

Carburetor diagram DR650RU 1990 (L) WGERMANY AUSTRALIA (E22 E24)

CARBURETOR DR650RU 1990 (L) WGERMANY AUSTRALIA (E22 E24)
CARBURETOR DR650RU 1990 (L) WGERMANY AUSTRALIA (E22 E24)
CARBURETOR DR650RU 1990 (L) WGERMANY AUSTRALIA (E22 E24)
prices are in EUR
ref
part #
description
quantity
0
1320015A70
ref: 0
CARBURETOR ASSY
€ 566.00

0
1320015A30
ref: 0

E16, E17
CARBURETOR ASSY
€ 612.50

0
1320015A60
ref: 0

E18
CARBURETOR ASSY
€ 0.00

0
1320015A40
ref: 0

E22
CARBURETOR ASSY
€ 0.00

0
1320014A90
ref: 0

E24, E39
CARBURETOR ASSY
€ 0.00

0
1320015A50
ref: 0

DR650RUL E22
CARBURETOR ASSY
€ 0.00

1
1360407D00
ref: 1
SCREW
€ 4.00

2
1355112D00
ref: 2
VALVE,THROTTLE
€ 21.00

3
1341712D00
ref: 3
SPRING
1341712D00
€ 7.50

4
1350112D00
ref: 4
VALVE,PISTON
1350112D00
€ 71.50

5
1350707D00
ref: 5
DIAPHRAGM
1350707D00
€ 27.00

6
1355012D00
ref: 6
SHAFT ASSEMBLY,THROTTLE
€ 31.00

7
1355705A20
ref: 7
RING
€ 3.00

8
1357312D00
ref: 8
SPRING
€ 6.00

9
1350212D00
ref: 9
COVER,DIAPHRAGM
1350212D00
€ 38.50

9
1350212D10
ref: 9

E18/DR650RUL E22
COVER,DIAPHRAGM
1350212D10
€ 29.00

10
0949328007
ref: 10
JET,AIR
€ 17.00

11
1341115A30
ref: 11
PLUNGER ASSY
1341115A30
€ 50.00

12
1325844B00
ref: 12
GASKET,FLOAT CHAMBER (NAS)
1325844B00
€ 8.50

13
0949400678
ref: 13
JET,NEEDLE
0949400678
€ 33.00

13
0949400685
ref: 13

E18
JET NEEDLE
€ 33.00

14
1333107D00
ref: 14
RING
1333107D00
€ 5.00

15
0949128015
ref: 15
JET,MAIN(142.5)
0949128015
€ 5.50

15
0949129004
ref: 15

E16, E17
JET, MAIN (147.5)
€ 14.50

15
0949129012
ref: 15

E18
JET,MAIN (147.5)
0949129012
€ 14.50

16
1324732210
ref: 16
SCREW,GUIDE
1324732210
€ 14.50

17
1324941310
ref: 17
O RING,DRAIN PLUG
1324941310
€ 5.50

18
1325044C00
ref: 18
FLOAT/NEEDLE VALVE ASSEMBLY
€ 124.50

19
1337446710
ref: 19
O RING
1337446710
€ 4.50

20
1337444080
ref: 20
O-RING,NEEDLE VALVE
1337444080
€ 6.00

21
1368315A30
ref: 21
HOSE
€ 28.50

22
1360234390
ref: 22
SCREW
1360234390
€ 2.50

23
1333112D00
ref: 23
RING
1333112D00
€ 5.00

24
1339431210
ref: 24
CLIP,NEEDLE
1339431210
€ 4.00

25
1338707D00
ref: 25
RING
1338707D00
€ 5.00

26
1338315A30
ref: 26
NEEDLE,JET
1338315A30
€ 14.00

26
1338315A60
ref: 26

E18
NEEDLE, JET (6F87-3)
1338315A60
€ 20.00

26
1338315A50
ref: 26

DR650RUL E22
NEEDLE, JET (6J8-3)
1338315A50
€ 14.00

27
1323612C00
ref: 27
FILTER
1323612C00
€ 5.50

28
1324702340
ref: 28
PLUG,DRAIN
1324702340
€ 6.00

29
0949250021
ref: 29
JET, PILOT (50)
€ 14.50

29
0949247013
ref: 29

E18, E22, E24, E39,
JET,PILOT(47.5)
0949247013
€ 13.50

30
1342738300
ref: 30
WASHER
1342738300
€ 1.50

31
1337560A00
ref: 31
SPRING
1337560A00
€ 4.00

32
1326728A00
ref: 32
SCREW
€ 22.50

33
1360205129
ref: 33
SCREW
€ 2.50

34
1327947070
ref: 34

E2, E4, E15, E16, E1
SCREW,PILOT
1327947070
€ 12.50

34
1327947070
ref: 34

E22, E24, E39, EXCEP
SCREW,PILOT
1327947070
€ 12.50

35
1326847070
ref: 35

EXCEPT E18
SPRING
1326847070
€ 5.50

36
1329129900
ref: 36

EXCEPT E18
WASHER
1329129900
€ 2.00

37
1329529900
ref: 37

EXCEPT E18
O RING,PILOT AIR SCREW
1329529900
€ 4.00

38
1355644B00
ref: 38
SEAL
1355644B00
€ 4.00

39
1355747070
ref: 39
GASKET,THROTTLE SHAFT (NAS)
1355747070
€ 5.00

40
1361744080
ref: 40
E RING
1361744080
€ 4.00

41
0940406402
ref: 41
CLAMP
€ 3.00