Buy Suzuki DR Parts Online

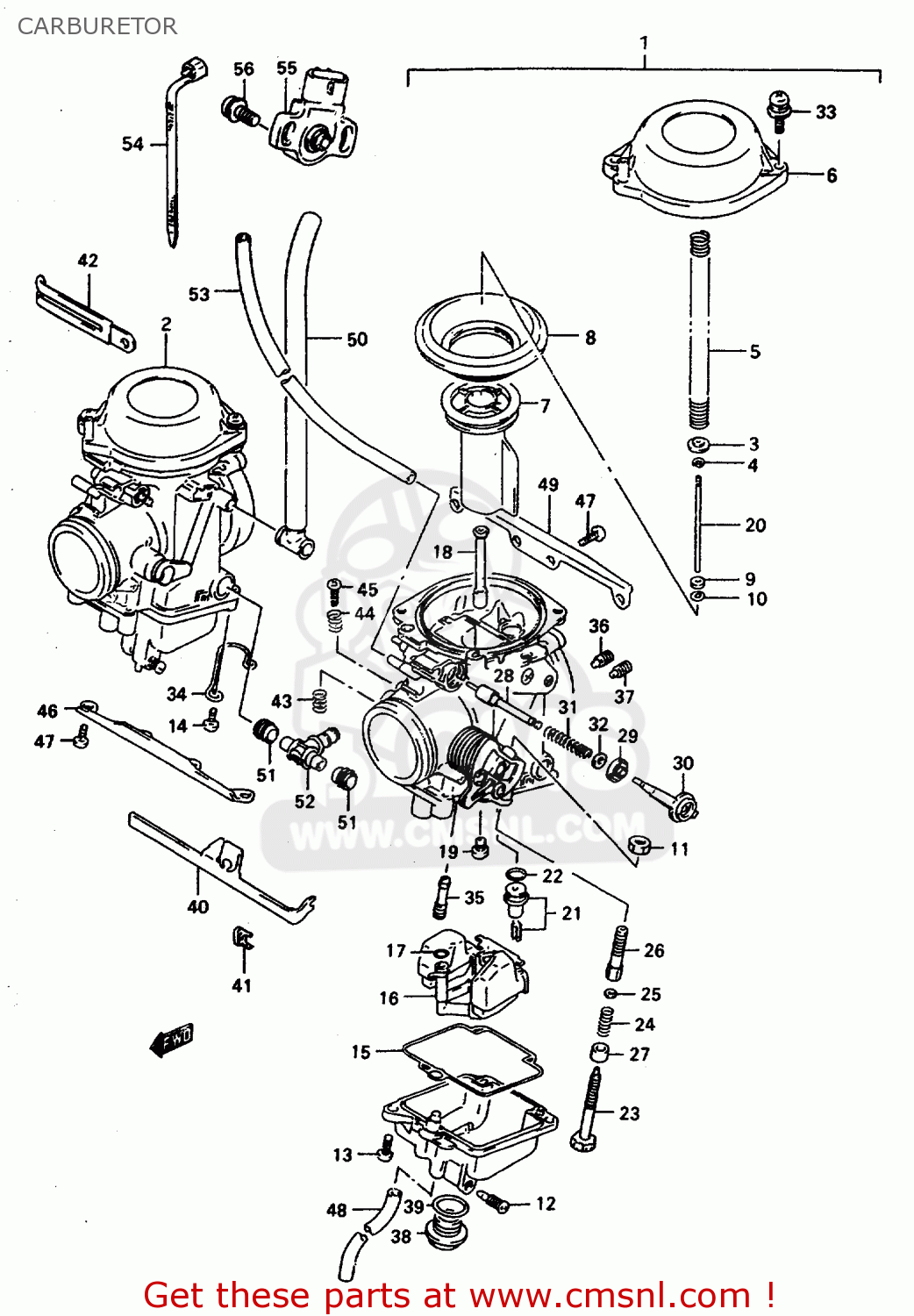
CARBURETOR

DR800S 1997 (V) FRANCE GERMANY ITALY (E04 E22 E34)

Carburetor diagram DR800S 1997 (V) FRANCE GERMANY ITALY (E04 E22 E34)

CARBURETOR DR800S 1997 (V) FRANCE GERMANY ITALY (E04 E22 E34)
CARBURETOR DR800S 1997 (V) FRANCE GERMANY ITALY (E04 E22 E34)
CARBURETOR DR800S 1997 (V) FRANCE GERMANY ITALY (E04 E22 E34)
prices are in EUR
ref
part #
description
quantity
1-1
1320132D60
ref: 1-1
CARBURETOR ASSY, LH
€ 0.00

1-2
1320132D70
ref: 1-2

DR800SV E22
CARBURETOR ASSY, LH
€ 0.00

1-3
1320132D80
ref: 1-3

DR800SUV E22
CARBURETOR ASSY, LH
€ 0.00

2-1
1320232D60
ref: 2-1
CARBURETOR ASSY, RH
€ 0.00

2-2
1320232D70
ref: 2-2

DR800SV E22
CARBURETOR ASSY,R
€ 0.00

2-3
1320232D80
ref: 2-3

DR800SUV E22
CARBURETOR ASSY, RH
€ 0.00

3
1338242A00
ref: 3
RING
1338242A00
€ 4.50

4
1339410010
ref: 4

EXCEPT DR800SUV E22
CLIP
1339410010
€ 5.00

5
1341744B00
ref: 5
SPRING
1341744B00
€ 7.00

6-1
1350245B00
ref: 6-1
COVER,DIAPHRAGM
1350245B00
€ 36.00

6-2
1350201D10
ref: 6-2

DR800SUV E22
COVER ASSY,DIAPHRAGM
1350201D10
€ 31.50

7
1355144B10
ref: 7
VALVE PISTON
1355144B10
€ 80.50

8
1350744B00
ref: 8
DIAPHRAGM
1350744B00
€ 31.50

9
1338747010
ref: 9
RING
1338747010
€ 8.00

10
1338244030
ref: 10

DR800SUV E22
WASHER
1338244030
€ 4.00

11
0831000087
ref: 11

LH
NUT
0831000087
€ 2.50

12
1324713A00
ref: 12
SCREW,DRAIN
1324713A00
€ 6.00

13
0211205127
ref: 13

LH:2,RH:1
SCREW
0211205127
€ 2.50

14
1360105148
ref: 14

RH
SCREW(5X14)
1360105148
€ 3.50

15
1325844B00
ref: 15
GASKET,FLOAT CHAMBER (NAS)
1325844B00
€ 8.50

16
1324031D00
ref: 16
FLOAT ASSY
1324031D00
€ 52.50

17
1337446710
ref: 17
O RING
1337446710
€ 4.50

18
0949400640
ref: 18
JET,NEEDLE (O-3)
0949400640
€ 40.00

19
0949126011
ref: 19
JET,MAIN(130)
0949126011
€ 13.00

20-1
1338344B00
ref: 20-1
NEEDLE,JET
1338344B00
€ 15.00

20-2
1338332D80
ref: 20-2

DR800SUV E22
NEEDLE, JET (5E96)
€ 14.00

21
1337044B00
ref: 21
VALVE ASSEMBLY,NEEDLE
1337044B00
€ 50.50

22
1337444080
ref: 22
O-RING,NEEDLE VALVE
1337444080
€ 6.00

23
1326731D10
ref: 23

LH
ADJUSTER
€ 13.00

24
1326849120
ref: 24

LH
SPRING
1326849120
€ 5.50

25
1361543010
ref: 25

LH
WASHER,STARTER SHAFT
1361543010
€ 2.50

26
1326731D00
ref: 26

LH
ADJUSTER
€ 23.50

27
1343295210
ref: 27

LH
RING
€ 4.50

28
1341105320
ref: 28
PLUNGER ASSY
1341105320
€ 19.50

29
1341817C00
ref: 29
CAP,STARTER
1341817C00
€ 5.50

30
1341817C10
ref: 30
HOLDER,GUIDE
1341817C10
€ 15.50

31
1341726D00
ref: 31
SPRING
1341726D00
€ 6.00

32
1343247090
ref: 32
WASHER
1343247090
€ 2.50

33
0211275163
ref: 33
SCREW
0211275163
€ 2.50

34
1369244B00
ref: 34

RH
CLIP
€ 4.00

35
0949245016
ref: 35
JET,PILOT(45)
0949245016
€ 12.50

36-1
0949326004
ref: 36-1
JET,AIR(1.3)
0949326004
€ 16.00

36-2
0949328007
ref: 36-2

DR800SUV E22
JET,AIR
€ 17.00

37
0949360004
ref: 37
JET,AIR(0.6)
0949360004
€ 11.00

38
1324732210
ref: 38
SCREW,GUIDE
1324732210
€ 14.50

39
1324941310
ref: 39
O RING,DRAIN PLUG
1324941310
€ 5.50

40
1341331D00
ref: 40
LEVER,STARTER
€ 18.00

41
1343917C00
ref: 41
HOLDER
1343917C00
€ 13.00

42
0940406431
ref: 42
CLAMP(L:65)
0940406431
€ 3.00

43
1326896110
ref: 43
SPRING,THROTTLE SCREW
€ 5.50

44
1327144B00
ref: 44
SPRING
1327144B00
€ 4.50

45
1326744B00
ref: 45
SCREW
1326744B00
€ 3.50

46
1362844B00
ref: 46
PLATE
€ 9.50

47
0211205127
ref: 47
SCREW
0211205127
€ 2.50

48
0935530705600
ref: 48

LH L:600 250
HOSE(3X7X600)
0935530705600
€ 15.00

49
1362844B10
ref: 49
PLATE
€ 10.00

50
1368317C30
ref: 50

L:425 175
HOSE
1368317C30
€ 22.00

51
1367344B00
ref: 51
SEAL
1367344B00
€ 6.00

52
1368544B00
ref: 52
NIPPLE
1368544B00
€ 11.00

53
0935550105600
ref: 53

L:600 340
HOSE(5X10X600)
€ 7.50

54
0940711401
ref: 54
CLAMP(L:95)
0940711401
€ 2.50

55
1355013D60
ref: 55
SENSOR ASSY,THROTTLE
1355013D60
€ 129.50

56
1360520C00
ref: 56
SCREW,SENSOR
1360520C00
€ 4.00