×
Buy Suzuki GS Parts Online
home
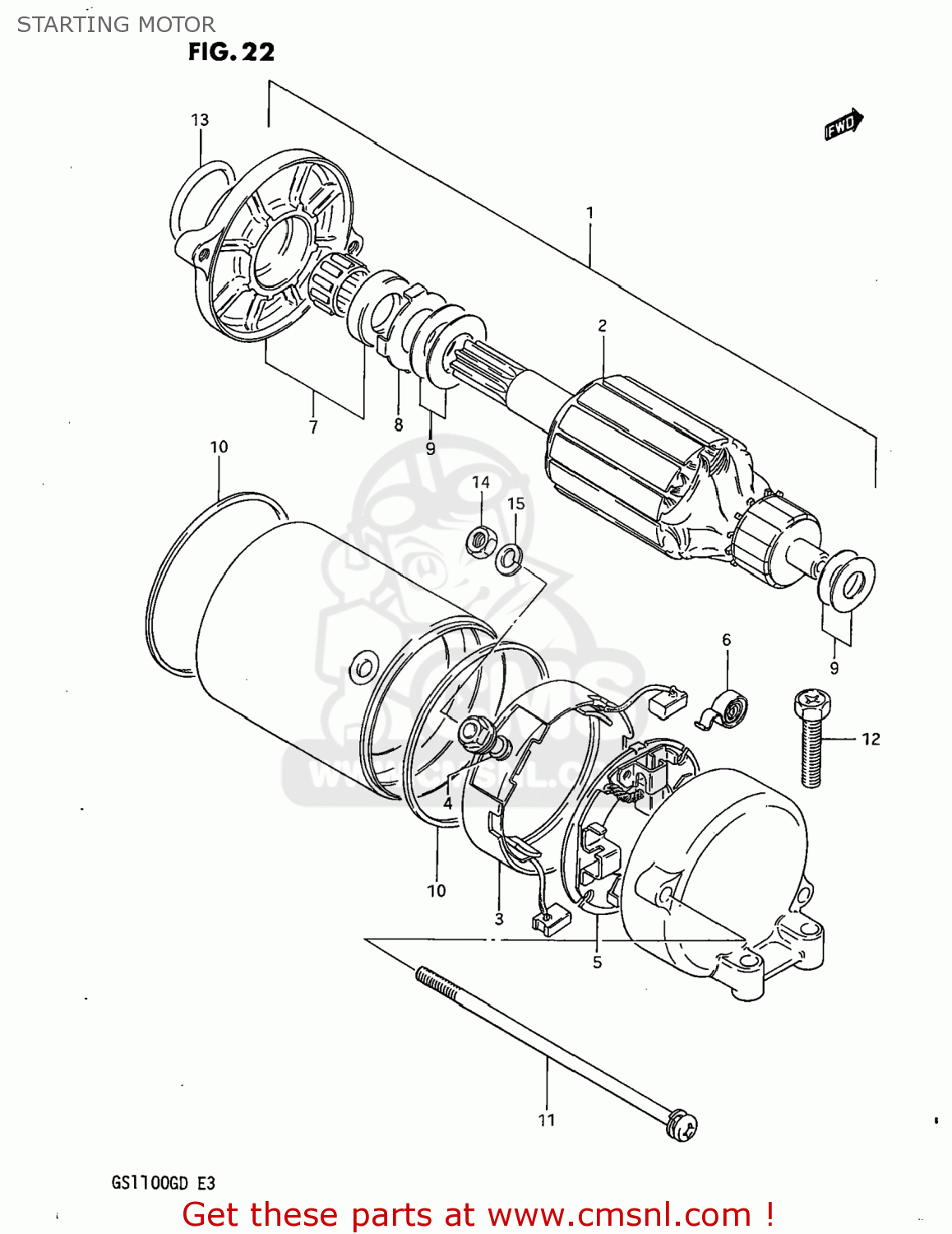
STARTING MOTOR
GS1100G 1983 (D) USA (E03)
Starting motor diagram GS1100G 1983 (D) USA (E03)
STARTING MOTOR GS1100G 1983 (D) USA (E03)
×
prices are in EUR
ref
part #
description
quantity
1
3110049040
ref: 1
31100-49050
MOTOR ASSEMBLY,STARTING
€ 911.00
2
3131149040
ref: 2
ARMATURE
€ 118.50
3
3113049040
ref: 3
31130-06B00
BRUSH TERMINAL SET (+)
€ 54.00
4
3114349040
ref: 4
O RING
€ 3.50
5
3113249040
ref: 5
31132-06B00
HOLDER,BRUSH
€ 35.50
6
3113549040
ref: 6
SPRING,BRUSH
€ 5.00
7
3110049810
ref: 7
HOUSING SET,STARTING MOTOR
€ 80.50
8
3136049240
ref: 8
31170-31300
SHIM SET
€ 10.50
9
3136049040
ref: 9
31170-31300
SHIM SET
€ 10.50
10
3126449040
ref: 10
SEAL,RING
€ 7.50
11
3128149040
ref: 11
BOLT,STARTING MOTOR HOUSING
€ 7.00
12
0912806024
ref: 12
09103-06212
SCREW (6X25)
€ 3.00
13-1
0928024001
ref: 13-1
O RING(D:2,ID:24.5)
€ 2.00
13-2
0928024003
ref: 13-2
O RING(D:3,ID:24.5)
€ 2.00
14
0831022068
ref: 14
08310-00067
NUT 6MM
€ 2.50
15
0832121068
ref: 15
08321-01067
LOCK WASHER
€ 2.50
up
all assemblies
AIR CLEANER
BATTERY
CAM CHAIN (MODEL D)
CAM CHAIN (MODEL Z)
CAM SHAFT VALVE
CARBURETOR
CLUTCH
CRANKCASE (MODEL D)
CRANKCASE (MODEL Z)
CRANKCASE COVER
CRANKSHAFT
CYLINDER
CYLINDER HEAD
CYLINDER HEAD COVER (MODEL D)
CYLINDER HEAD COVER (MODEL Z)
ELECTRICAL (MODEL D)
ELECTRICAL (MODEL Z)
FOOTREST (MODEL D)
FOOTREST (MODEL Z)
FRAME
FRAME COVER (MODEL D)
FRAME COVER (MODEL Z)
FRONT BRAKE HOSE
FRONT CALIPERS
FRONT FORK (MODEL D)
FRONT FORK (MODEL Z)
FRONT MASTER CYLINDER
FRONT WHEEL
FUEL COCK
FUEL TANK (MODEL D)
FUEL TANK (MODEL Z)
GEAR SHIFTING
GENERATOR
HANDLEBAR
HEADLAMP
HEADLAMP HOUSING - FRONT FENDER
LEFT HANDLE SWITCH
MUFFLER
OIL PUMP - OIL FILTER
PROPELLER SHAFT - FINAL DRIVE GEAR
REAR CALIPERS
REAR COMBINATION LAMP
REAR FENDER
REAR FENDER EXTENSION (OPTIONAL)
REAR MASTER CYLINDER
REAR SWINGING ARM (MODEL D)
REAR SWINGING ARM (MODEL Z)
REAR WHEEL
RIGHT HANDLE SWITCH
SEAT (MODEL D)
SEAT (MODEL Z)
SECONDARY DRIVE GEAR
SIGNAL GENERATOR
SPEEDOMETER - TACHOMETER
STAND
STARTER CLUTCH
STARTING MOTOR
STEERING STEM (MODEL D)
STEERING STEM (MODEL Z)
TAIL COVER (MODEL D)
TAIL COVER (MODEL Z)
TRANSMISSION
TURN SIGNAL LAMP
WIRING HARNESS
up