×
Buy Suzuki GS Parts Online
home
ELECTRICAL
GS1100GL 1982 (Z) USA (E03)
Electrical diagram GS1100GL 1982 (Z) USA (E03)
ELECTRICAL GS1100GL 1982 (Z) USA (E03)
×
prices are in EUR
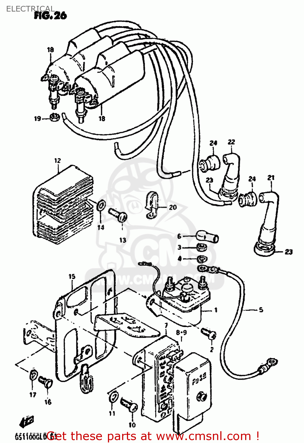
ref
part #
description
quantity
1
3180037020
ref: 1
RELAY ASSY,STARTING MOTOR
€ 114.00
2
0211206108
ref: 2
02112-06107
SCREW
€ 1.50
3
0831022068
ref: 3
08310-00067
NUT 6MM
€ 2.50
4
0832121068
ref: 4
08321-01067
LOCK WASHER
€ 2.50
5-1
3385010300
ref: 5-1
33850-00A01
WIRE,STARTER MOTOR LEAD
€ 28.00
5-2
3385049410
ref: 5-2
33850-00A01
CABLE,STARTING MOTOR
€ 28.00
6-1
3186135100
ref: 6-1
31861-48B10
CAP,STARTER RELAY
€ 5.00
6-2
3186149400
ref: 6-2
CAP,STARTER RELAY
€ 0.00
7
3674049400
ref: 7
36740-45D00
BOX ASSEMBLY,FUSE
€ 69.50
8
0948110101
ref: 8
FUSE(10A)
€ 2.50
9
0948115101
ref: 9
FUSE(15A)
€ 1.50
10
0211206128
ref: 10
02112-06127
SCREW 6X12
€ 2.50
11
0832221068
ref: 11
08322-01067
WASHER
€ 2.50
12
3280049420
ref: 12
32800-43X51
RECTIFIER ASSEMBLY
€ 397.00
13
0211206128
ref: 13
02112-06127
SCREW 6X12
€ 2.50
14
0832221068
ref: 14
08322-01067
WASHER
€ 2.50
15
4741049100
ref: 15
HOLDER COMP,ELECTRONIC PARTS
€ 8.00
16
0110706108
ref: 16
01500-06107
BOLT
€ 2.00
17
0832121068
ref: 17
08321-01067
LOCK WASHER
€ 2.50
18
3341034210
ref: 18
33410-31311
COIL ASSEMBLY,IGNITION
€ 192.50
19
0831011068
ref: 19
08310-00067
NUT
€ 2.50
20
0940306307
ref: 20
CLAMP
€ 5.00
21
3351045010
ref: 21
CAP ASSY,SPARK PLUG
€ 25.00
22
3351043010
ref: 22
CAP,SPARK PLUG
€ 12.50
23
3354169010
ref: 23
SEAL,SPARK PLUG
€ 5.50
24
3354298000
ref: 24
33542-38B00
SEAL,SPARK PLU
€ 5.00
up
all assemblies
AIR CLEANER
BATTERY
CAM CHAIN (MODEL D)
CAM CHAIN (MODEL Z)
CAM SHAFT-VALVE
CARBURETOR
CLUTCH
CRANKCASE (MODEL D)
CRANKCASE (MODEL Z)
CRANKCASE COVER
CRANKSHAFT
CYLINDER
CYLINDER HEAD
CYLINDER HEAD COVER (MODEL D)
CYLINDER HEAD COVER (MODEL Z)
ELECTRICAL
FOOTEREST
FRAME
FRAME COVER (MODEL D)
FRAME COVER (MODEL Z)
FRONT BRAKE HOSE
FRONT CALIPERS
FRONT FORK (MODEL D)
FRONT FORK (MODEL Z)
FRONT MASTER CYLINDER
FRONT WHEEL
FUEL TANK (MODEL D)
FUEL TANK (MODEL Z)
GEAR SHIFTING
GENERATOR
HANDLEBAR (MODEL D)
HANDLEBAR (MODEL Z)
HEADLAMP
HEADLAMP HOUSING-FRONT FENDER
LEFT HANDLE SWITCH
MUFFLER
OIL PUMP-OIL FILTER
PROPELLER SHAFT-FINAL DRIVE GEAR
REAR CALIPERS
REAR COMBINATION LAMP
REAR FENDER
REAR MASTER CYLINDER
REAR SWINGING ARM (MODEL D)
REAR SWINGING ARM (MODEL Z)
REAR WHEEL
RIGHT HANDLE SWITCH
SEAT (MODEL D)
SEAT (MODEL Z)
SECONDARY DRIVE GEAR
SIGNAL GENERATOR
SPEEDOMETER-TACHOMETER
STAND
STARTER CLUTCH
STARTING MOTOR
STEERING STEM (MODEL D)
STEERING STEM (MODEL Z)
TRANSMISSION
TURN SIGNAL LAMP (MODEL D)
TURN SIGNAL LAMP (MODEL Z)
WIRING HARNESS
up