×
Buy Suzuki GSX Parts Online
home
GSX750ES 1985 (F) (E01 E2 E4 E6 E15 E16 17 22 24 25 26 34 39 53)
* COLOR CHART *
0 products
* COLOR CHART *
0 products
* CATALOG PREFACE *
0 products
* CONVERSION CHART *
0 products
CYLINDER HEAD COVER
11 products
CAM CHAIN
18 products
CARBURETOR
99 products
AIR CLEANER
21 products
MUFFLER
23 products
OIL COOLER
17 products
CLUTCH
29 products
TRANSMISSION
50 products
GEAR SHIFTING
47 products
STARTING MOTOR
15 products
GENERATOR
9 products
CYLINDER HEAD
31 products
SIGNAL GENERATOR
11 products
BATTERY
12 products
ELECTRICAL
22 products
SPEEDOMETER - TACHOMETER
46 products
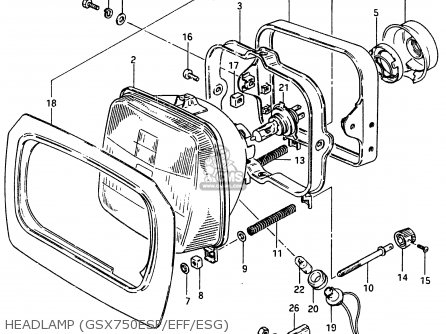
HEADLAMP (GSX750ESF/EFF/ESG)
34 products
HEADLAMP (GSX750EF)
21 products
TJRN SIGNAL LAMP
33 products
TURN SIGNAL LAMP (E2,E21)
28 products
REAR COMBINATION LAMP
44 products
WIRING WARNESS
37 products
CYLINDER
14 products
FRAME
17 products
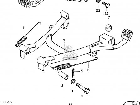
STAND
25 products
FOOTREST
48 products
FUEL TANK (GSX750ESF/ESG)
23 products
FUEL TANK (GSX750EFF)
17 products
FUEL TANK (GSX750EF)
14 products
FUEL COCK
19 products
SEAT
29 products
SEAT TAIL COVER (GSX750ESF/EF/ESG)
32 products
SEAT TAIL COVER (GSX750EFF)
19 products
CRANKCASE
44 products
FRAME COVER (GSX750ESF/ESG)
30 products
FRAME COVER (GSX750EFF)
10 products
FRAME COVER (GSX750EF)
10 products
FRONT DAMPER
37 products
STEERING STEM
21 products
HEADLAMP HOUSING - FRONT FENDER
15 products
FRONT WHEEL
23 products
FRONT WHEEL (GSX750ESF/EFF/ESG E6, E24)
23 products
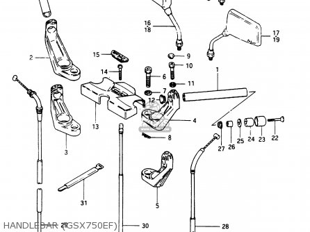
HANDLEBAR (GSX750ESF/EFF/ESG)
32 products
HANDLEBAR (GSX750EF)
34 products
CRANKCASE COVER
30 products
RIGHT HANDLE SWITCH
16 products
LEFT HANDLE SWITCH
18 products
FRONT CALIPERS
20 products
FRONT CALIPERS (E24)
20 products
FRONT BRAKE HOSE (GSX750ESF/EFF/ESG)
14 products
FRONT BRAKE HOSE (GSX750EF)
14 products
FRONT MASTER CYLINDER (GSX750ESF/EFF/ESG)
9 products
FRONT MASTER CYLINDER (GSX750EF)
9 products
REAR SKINGING ARM
32 products
SHOCK ABSORBER
21 products
OIL PUMP - OIL FILTER
38 products
CUSHION LEVER
23 products
REAR FENDER
22 products
REAR WHEEL
40 products
REAR WHEEL (GSX750ESF/EFF/ESG E6, E24)
40 products
REAR CALIPERS
15 products
REAR CALIPERS (E24)
15 products
REAR MASTER CYLINDER
25 products
COWLING (GSX750ESF)
32 products
COWLING (GSX750ESG)
36 products
COWLING (GSX750EFF)
58 products
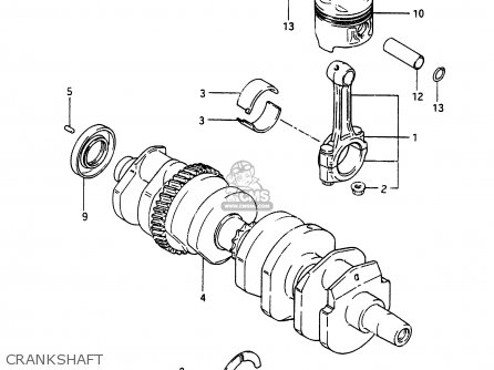
CRANKSHAFT
33 products
OPTIONAL
33 products
STARTER CLUTCH
8 products
CAM SHAFT - VALVE
20 products
up
popular products
1291231301
VALVE,EXHAUST
Suzuki
5910045881
CARRIER,CALIPER,RIGHT
Suzuki
1114131302
GASKET,CYLINDER HEAD (NAS)
Suzuki
1644234301
PLUNGER,OIL CONTROLL
Suzuki